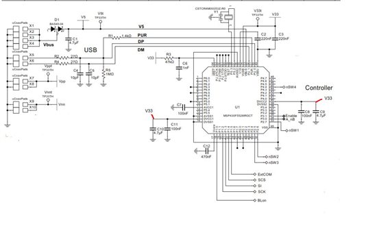
I have a new design and new to make sure it works before giving to to the SW guy. Everything check out on the board HW, but when I pug it in to USB it is not detected. I followed slaa457 on the HW connections and it looks OK to me.
Maybe this is a dumb basic question, but shouldn't the BSL come up and somehow present itself to Windows or be otherwise discovered?
We originally used the Launchpad board to do the first evaluation and that works quite easily. This revision integrates the 5528 on the target board and eliminates the extra HW.
Thanks.
 
				 
		 
					 
                          