Other Parts Discussed in Thread: MSP430G2553, LM8365
Hello guyz,
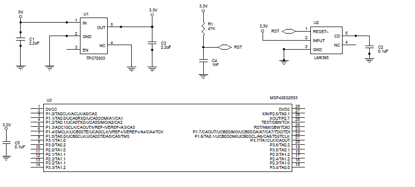
One of our pcb with msp430g2553 controller was put on test. During testing, the board suddenly stopped working. On detailed analysis it was found that controller was getting proper 3.3V voltage. The reset pin had strange waveform on it, which can be seen in the image attached. Following is some additional information:-
1. We had tested this board for 2 days but suddenly problem surfaced.
2. The firmware and similar boards have tested several times and there have never been any problem.
3. RST pin is pulled up with 47 k ohm and 1nF.
4. When we applied 3.3 V direcly to RST pin, the board became function. [It means that program in flash was intact]
5. Then I tried reprogramming the board and strangely the problem got resolved and board is functional now.
Guyz need your suggestions to identify and solve this strange issue.
Thanks.
