Dear All,
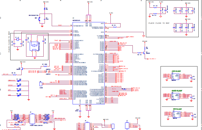
One of our customer is using MSP430F5419A for GPS/GSM based vehicle tracking. whenever GSM/GPS burst is coming up, internal crystal oscillator in MSP430F5419A MCU stops working, In their application firmware they have added timer interrupt based LED blink for every 1 sec. Hence whenever the crystal fails the LED blink will stops. Due to this issue there is huge escalation has been raised from their customers. hence they have modfied schematics with some ESD protections , please advise how to resolve the issue, look forward for your support.
Aravind.

