Part Number: MSP430FR2522
Other Parts Discussed in Thread: MSP430FR5738
Hi,
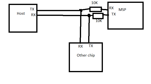
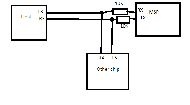
I'm trying to have our host controller (cc3235) configure the msp430fr2522 using BSL.
The msp is programmed with a simple project generated using captivate design center with a few adaptation (like adding a buzzer).
I'm confident that the implementation on the host is ok as I've been using it to program a MSP430FR5738 on another project.
The host sends the BSL start sequence on RESET + TEST. I suppose this works fine as right after this the msp stops running its already programmed FW for 10sec.
Then data is sent by the host on P1.5/BSL_RX ~14ms after this. I've tried with the command TX BSL Version (0x80 0x01 0x00 0x19 0xE8 0x62) and command RX Password.
However I see no response on P1.4/BSL_TX. Just some noise.
Note: We are using the same uart bus for another component. The oscilloscope screenshots below are all taken on msp side, and I've disconnected MSP TX to avoid side effect from the other chip.
I suspect the noise on BSL_TX can pinpoint to the possible issue. See screenshots below.
Do you have any idea what could be wrong?
- Could the BSL be blocked with default captivate config?
- Can I ensure that the BSL is indeed started?
- Could the BSL_TX be configured to high impedance or another bad config?
Here is the screenshot of the touch reset sequence:
Green: TEST
Blue: RESET
Pink: BSL_RX
Yellow: BSL_TX
Here is the screenshot of the TX BSL Version command:
I'd be happy to get any idea for investigation ; )
Best regards,
Cédric





