This thread has been locked.

If you have a related question, please click the "Ask a related question" button in the top right corner. The newly created question will be automatically linked to this question.

MSP-FET: Best way to connect VCC_TARGET and VCC_TOOL pins?

Part Number: MSP-FET


Hello, guys!

I am designing a custom board where we will use the MSP-FET to develop and debug a new firmware project and I have the doubt about the power pins, vcc_tool and vcc_target?

Which is the best way to connect them? It is probably that sometimes the msp430 would be powered by a battery and another time with the mps-fet vcc_tool pin during the developing. I don't know if the msp-fet internally detects the external voltage so it cuts its own vout, or if i need to use a diode to "separate" the external vcc from vcc_tool.

What do you recommend us?

Many thanks in advance and best regards!

Luis

  • Hi 

    For this question you can refer the  hardware user's guide.

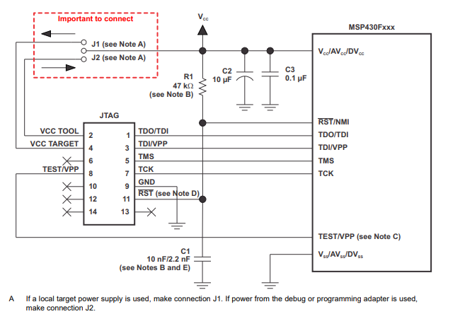
    Let's take the 4 wire JTAG for an example

      

    You just need connect one of the vcc_tool and vcc_target on the MSP-FET.

    Best regards

    Gary

  • Many thanks, Gary

    Yes, I had seen that figure. So really, I need a circuit which autodetect the board voltage to avoid the vcc_tool source, emulating the use of jumpers J1 and J2 of the figure.

    I thought that the MPS-FET could manage that power switching internally.

    Best regards,

    Luis

  • Hi Luis

    Will you connect the MSP-FET all the time? Why do you need the autodetect  circuit? 

    I think you just use the MSP-FET to debug the code or download the firmware, right? If the loading on 3.3v is big you must power the board external.

    Best regards

    Gary

  • Hi Gary!

    For the first steps we will use the MSP-FET vcc_tool only, but there are some devices that need more than 3V3, so when we will test all the board with its battery, the autodetect circuit will be used to cut off the that vcc_tool. We don't want to use jumpers, so we are going to implement a power switch based on the presence of the battery.

    Best regards, 

    Luis

**Attention** This is a public forum