Hi team,
My customer has two questions with DRV8702-Q1. Would you pls help check and share your comments?
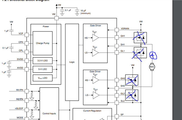
1. Do we have the leakage current data of SHX for DRV8702-Q1? It is a required information from OEM side. They needs to know when the 4 FETs of H-bridge in HighZ state, how much current can leak between motor high and low side.

2. Could you pls share more information regarding how we define output deadtime and how to calculate deadtime based on IDRIVE setting

Thanks
Scarlett

