This thread has been locked.

If you have a related question, please click the "Ask a related question" button in the top right corner. The newly created question will be automatically linked to this question.

DRV8718-Q1: Control of Low Side Driver in PWM Mode

Part Number: DRV8718-Q1
Other Parts Discussed in Thread: DRV8714-Q1

Hi Team,

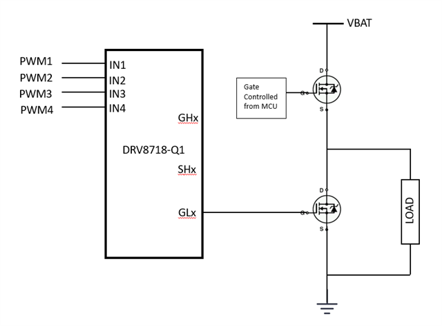
We need to drive 8 LSD's for a particular application, like active freewheeling with PWM control (assume the load is a motor). The High Side devices are controlled separately, from microcontroller (GHx is not used). Please refer below figure.

  

 or an application like figure given below where LSDs are only controlled to drive the load and HSD is fully turned ON

  

1.Can we use DRV8718-Q1 for this applications (driving LSDs only, in PWM mode)?

2. We need to drive 8 LSD's with PWM and as per the datasheet DRV8714 supports 4 PWM inputs, whether this can be implemented with TWO DRV8718 ICs? 

3. If we are using only GLx pins for Low side control can we keep GHx and SHx pins floating ?

4. We also need to have overcurrent and overvoltage protection for the LSDs. Whether we can implement this protection features if GLx is only used (ie. if SHx and GHx not connected).

Regards

Anoop D Nath