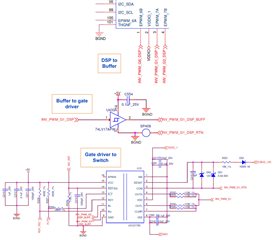
We are considering UCC21750 as a Gate driver for our VFDs. we also try to make some rough schematics of UCC21750.
We are new to this gate driver. please suggest to us whether our gate driver schematic is correct or needs some improvement.
This thread has been locked.
If you have a related question, please click the "Ask a related question" button in the top right corner. The newly created question will be automatically linked to this question.
We are considering UCC21750 as a Gate driver for our VFDs. we also try to make some rough schematics of UCC21750.
We are new to this gate driver. please suggest to us whether our gate driver schematic is correct or needs some improvement.
Hi,
Thanks for your question. Here is a document with some feedback.
Have a nice weekend,
Nancy