Hi Everyone,
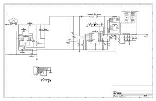
The design parameters are as shown below. Output MOSFET is not being fired (Shutdown mode), The output voltage supposed to be 51V but it measured 41V. Any help on this would be appreciated.
Design parameter:
VIN 35-51V
VOUT 65V@ 12A
Measured voltages: VIN 41V, UVLO = 1.77V, VCC = 7.6V, BST = 51V, VOUT = 41V, FB = 0.75V
The boost circuit and schematic file can be downloaded here.
Thank you in advance!








