This thread has been locked.

If you have a related question, please click the "Ask a related question" button in the top right corner. The newly created question will be automatically linked to this question.

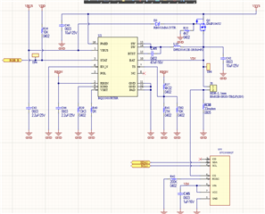
BQ25303J: BQ25303J fuel gauge connection

Part Number: BQ25303J

Hello,
we are using the BQ25303J  in conjunction with an STC3100 fuel gauge in a client application. The issue is the fuel gauge is always saturated when a USB plug is connected to the device reporting always 100%.

since the SW node must be connected to the BAT pin.  The STC3100 uses a low side sense resistor. How can we modify the BQ25303 schematic to handle the battery input current when the USB is plugged in. Resistor R38 (33 mohm) is good for 2A.

 3113.Sheet1.pdf