This thread has been locked.

If you have a related question, please click the "Ask a related question" button in the top right corner. The newly created question will be automatically linked to this question.

TPS4811-Q1: TPS4811-Q1

Part Number: TPS4811-Q1

Hi Ti team,

I want to consider TPS4811-Q1 in my circuit  selection.But i have some doubts for the fitment.

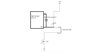
Q1 & Q2 MOSFETS i will operate at same time due to my application requirement. It is said that in TPS4811-Q1 datasheet internal gate driver charge pump of 12v will  charge the BST capacitor.

But if i operate Q1 & Q2 I operate at the same time is any problem to charge the BST capcitor.

The doubt is,
If i apply the logic to turn on low side mosfet first and High side switch next to charge BST capacitor still the solenoid activation will have delay as the  BST charged with load and low side switch.

solenoid load inductance is 100mH,

Does it create any problem to my system operation like delay in solenoid operation as the BST capacitor has to charge from load and low side switch with 100uA current.

Can you suggest me on this does the circuit will work.

I want to use this smart gate driver for short circuit protection but i have above doubt for the circuit operation .Please check and clarify on this,

Thank you,