Hello,
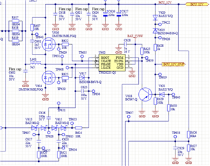
I have the same issue. I am designing a boost converter and I am using the IC to drive to MOSFETs. The converter works as intended and it boosts the voltage. The problem occurs when the input voltage rises above the output setpoint (so the converter enters bridge mode, the output is equal to the input so no boost mode), and then falls back below the setpoint, moment in which the boost converter doesn't turn on and the output drops as the input does. If the EN pin is toggled, the boost mode starts again. Does anybody have a hint in solving this issue? Thanks.
