This thread has been locked.

If you have a related question, please click the "Ask a related question" button in the top right corner. The newly created question will be automatically linked to this question.

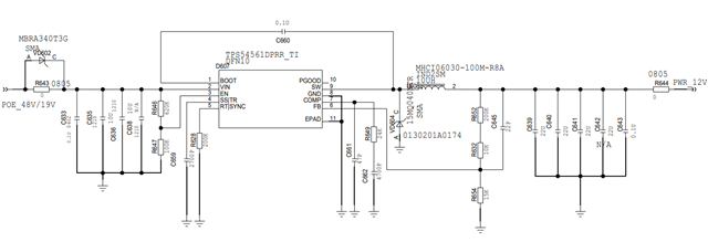
TPS54561: The output ripple is large

Part Number: TPS54561

Tool/software:

Hi team,

This is FAE Jayden, ZTE is using TPS54561in their new CPE project. And they find the voltage ripple is large during the transient test. Could you help check the schematic and give some advice on their design?

Test report and waveforms:

Iout= 0A to 0.5A to 0A, cff=22pF

Iout= 0A to 0.5A to 0A, cff=48pF

Iout= 0A to 1.5A to 0A, cff=22pF

Iout= 0A to 1.5A to 0A, cff=48pF

Brs

Jayden