This thread has been locked.

If you have a related question, please click the "Ask a related question" button in the top right corner. The newly created question will be automatically linked to this question.

BQ27427: The accuracy of temerparue measured function as external NTC on BQ27427

Part Number: BQ27427
Other Parts Discussed in Thread: BQSTUDIO

Tool/software:

hi, Sir

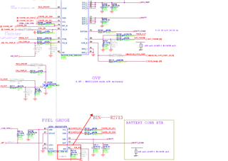
      i‘d like to use external NTC on BIN pin of BQ27427 for cell temperature measurement. I tried to use a 10K (1%) value resistor,connected between BIN and VSS on design board at room temperature. 

and pull up 10k-R2713 resistor  on VDD;

If the pull-up resistor R2713 (10k ohms) on the BIN of the battery gauge BQ27427-0 exists, the NTC detection temperature error of our battery gauge is about 30 to 40 degrees; but if this pull-up resistor is removed or replaced with a 100k ohm resistor, the NTC detection temperature error is about 6 to 10 degrees.

my question:Based on the 10k ohm pull-up resistor circuit, how can we obtain the correct problem value? 

attach my schematic .