Other Parts Discussed in Thread: BQ25756, , BQ25756EVM, EV2400, BQSTUDIO, BQ25798
Tool/software:
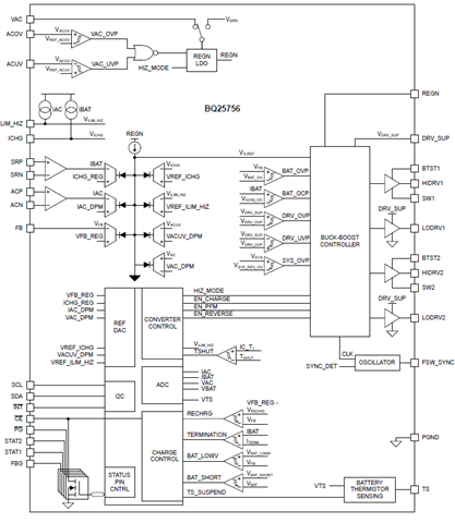
Hi Everyone,
I already mention about the problem in here.
RE: TPS25751: TPS25751EVM + Bq25756EVM Power Path for PDO 1 PP1 and PP3 Source Issue
I used good boost converter for the supply DRV_SUP and PP5V from 1 Cell application. TPS25751 goes into hiccup mode since the switching sequence and PP5V supply to the VBUS was not managed well in my opinion.
Please check the attachment report which is in detail information about the setup, settings and oscilloscope SS.
I need to find how I will fix this problem. The aim is that use 5V generated from boost converter from 1 cell with limited current 500mA for PP5V connection. I want to supply for 5V/3A source VBUS from PP3.
{
"questionnaire": {
"device": "TPS25751",
"toolBuildVersion": "1.1.1",
"answers": [
null,
0,
3,
3,
0,
0,
3,
0,
1,
1,
1,
3,
4,
3,
1.536,
15,
0.5,
1,
0
],
"vendorId": "0000",
"productId": "0000",
"version": "1.0.0.2"
},
"configuration": {
"data": {
"selected_ace": [
{
"register": 6,
"data": [
84,
121,
97,
66,
48,
46,
49,
86
]
},
{
"register": 22,
"data": [
8,
2,
0,
0,
0,
0,
0,
0,
0,
0,
3
]
},
{
"register": 40,
"data": [
2,
1,
63,
79,
0,
0,
0,
0,
0,
0,
0,
0,
0,
0,
0,
0,
1
]
},
{
"register": 41,
"data": [
210,
0,
144,
0
]
},
{
"register": 50,
"data": [
5,
170,
42,
44,
145,
49,
32,
44,
209,
50,
0,
44,
177,
52,
0,
44,
65,
182,
45,
44,
177,
148,
237,
0,
0,
0,
0,
0,
0,
0,
0,
0,
0,
0,
0,
0,
0,
0,
0,
0,
0,
0,
0,
0,
0,
0,
0,
0,
0,
0,
0,
0,
0,
0,
0,
0,
0,
0,
0,
0,
0,
0,
0
]
},
{
"register": 51,
"data": [
4,
44,
145,
1,
16,
44,
209,
2,
0,
44,
177,
4,
0,
44,
65,
6,
0,
0,
0,
0,
0,
0,
0,
0,
0,
0,
0,
0,
0,
0,
0,
0,
0,
0,
0,
0,
0,
0,
0,
0,
0,
0,
0,
0,
0,
0,
0,
0,
0,
0,
0,
0,
0
]
},
{
"register": 55,
"data": [
118,
192,
18,
5,
144,
145,
193,
0,
0,
0,
0,
0,
0,
0,
0,
0,
0,
0,
0,
0,
0,
0,
0,
0
]
},
{
"register": 66,
"data": [
10,
0,
8,
0
]
},
{
"register": 92,
"data": [
13,
12,
0,
0,
0,
0,
0,
0,
0,
0,
0,
0,
0,
4,
0,
0,
0,
4,
0,
0,
0,
0,
0,
0,
0,
0,
0,
0,
0,
0,
0,
0,
0,
0,
0,
0,
0,
0,
75,
73,
0,
0,
0,
0,
0,
0,
0,
0,
0
]
},
{
"register": 112,
"data": [
3
]
},
{
"register": 119,
"data": [
0,
0,
0,
0,
0,
0,
0,
0,
0,
0,
0,
4,
1,
45,
0
]
},
{
"register": 120,
"data": [
0,
0,
0,
128
]
},
{
"register": 122,
"data": [
0,
0,
0,
0
]
},
{
"register": 123,
"data": [
0,
2,
255,
255,
0,
0,
0,
0,
0,
0,
0,
0,
0,
0,
0,
0
]
},
{
"register": 125,
"data": [
0,
0,
0,
0,
0,
0,
0,
0,
0,
0,
0,
0,
0,
0,
0,
0,
0,
0,
0,
0,
0,
0,
0,
0,
0,
0,
0,
0,
0,
0,
0,
0,
0,
0,
0,
0
]
},
{
"register": 126,
"data": [
0,
0,
0,
0,
0,
0,
1,
0,
0,
0,
0,
0,
0,
0
]
},
{
"register": 152,
"data": [
0,
0,
0,
0,
0,
0,
0,
0,
0,
0,
0
]
}
]
}
}
}




















