This thread has been locked.

If you have a related question, please click the "Ask a related question" button in the top right corner. The newly created question will be automatically linked to this question.

TPS65150: consulting

Part Number: TPS65150


Hello

1.I just find TPS65150 have 3 protection feature: A. Out of regulation protection for boost converter and charge pump, B. Boost converter overvoltage protection, C.Thermal shutdown.

 so if I disable fault delay by conecting the FDLY to VIN, then Does it mean TPS65150 will just have OVP of Boost converter and Shut down protections ?  even Charge pump output VGH and VGL have short fault,TPS65150 will continue operating ?

2.Product 20pcs TPS65150 board, just have 3cs board OK, other board's TPS65150 no output voltage. Normal: Vin=3.3V ,Vboost=13V,VGL=-7V,VGH=24V.  Fault:Vin=3.3V ,Vboost=3.3V,VGL=0V,VGH=0V.

I test the start-up waveform, find that Vboost and VGL was successful start up and voltage waveform was normal at the begining, but then when VGH want to start boost, then all output voltage was down, and SW ,DRVR, DRVN no switch. then cycled Vin, phenomenon repeat .so do you think what it was happen ?

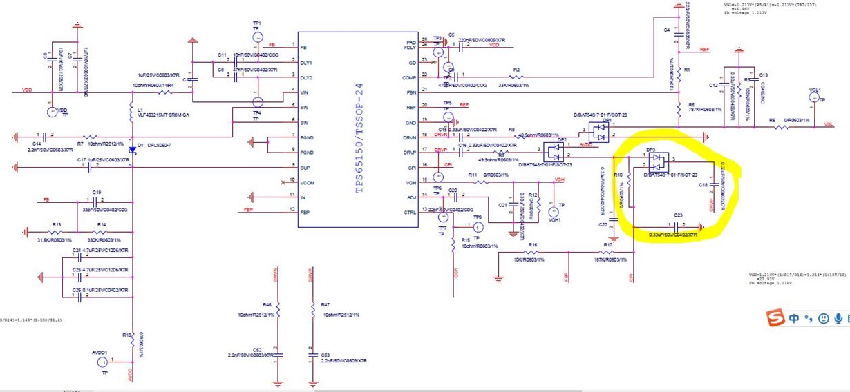
I think it maybe caused by wrong circuit in the VGH part, I think when resistor R10=0 ohm was connected, C18 should not be connected.  otherwise, C18 connected,R10 no connected.

so I removed the C18 ,the TPS65150 work normally,all output and waveform was right. but I am not very well undersanding theory, Could you explain why VGH cann't establish when R10 and C18 all existed ?

Thanks

  • Hi Fandy,

    I have notified our expert regarding this topic. Please expect a response by 3/5/19.

    Thanks,
    Aaron
  • Hi Fandy:

    1. It is correct that TPS65150 will continue to have boost over voltage and thermal shutdown protections even if you disable the boost and charge pump out of regulation protection by connecting FDLY directly to Vin.

    2. With Vin=3V, I would suggest to set AVDD (Vboost) to around 10V (if it is acceptable in the application) and than use two stages of positive charge pump to generate the VGH of 24V. With lower Vin like 3V, if you generate Vboost of 13V, the current from this supply will be limited because of the high conversion ratio (boost switch current limit). For two stage charge pump, I suggest to use circuit configuration similar to what is shown in figure 34 of the datasheet.

    Kind Regards,
    Liaqat