This thread has been locked.

If you have a related question, please click the "Ask a related question" button in the top right corner. The newly created question will be automatically linked to this question.

LP8860-Q1: LP8860-Q1 output abnormal under the temperature -25℃

Part Number: LP8860-Q1

Hi Team,

 My customer use LP8860-Q1 in their cluster and it appear black screen and have no display. Such a phenomenon  happened often when the temperature is under -25 ℃. When it appear black, the output of LP8860 is abnormal.

Does LP8860 have any bug under the low temperature? Could you please give us some advice?

  • Hi,

    The device itself can support -40C operation. So It seems to be an application issue. But it's not easy to figure out what happened according to the limited information you provided. Is there any other information of the fail condition, such as some waveforms? Is there any fault triggered?

  • Hi shirley ,

    Thanks for your reply, and here is more information.

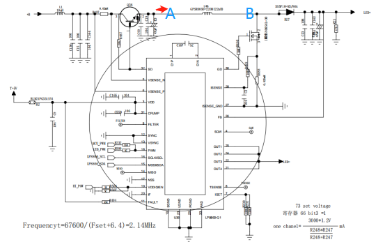
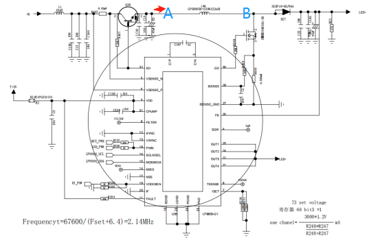
    1 SCH

     

    2 Abnormal situation

    1 )Yellow :B point

    2 )Green :8860 PIN30 GD

    3 )Blue :MCU_PWM

    4 )Red: A point

    From the first figure, it can be seen that after 400ms of electrification, the waveform of GD foot began to change, leading to the change of waveform at point B.As a result, the backlight brightness is reduced or not bright.In this case, both 19PIN hi-power and 18PIN MCU_PWM are normal.

    3 Normal


  • Hi Amelie,

    Please help to check if the scale of channel 1 in the waveform is right, because the output voltage seems not right from the waveform.

    Is it possible to read back the fault status registers to see if any fault is triggered? It would be much helpful if they can read back the registers 0X0E~0X10 in case of the failure.

    It's said in the report that "the backlight brightness is reduced or not bright". It's important to see whether the LED current sink still works or not. Please provide the waveform of the OUTx pin when the brightness is reduced and when there's no brightness.

    What is the total forward voltage of the LED string? Please also provide the waveform of the output voltage as well as the EEPROM register values. It can help us to look into this case better.

    We can talk via email if you think it's more convenient.

    Shirley He

    Shirley-he@ti.com

  • Hi Amelie,

    I'll close this thread since we have already talked by email.