This thread has been locked.

If you have a related question, please click the "Ask a related question" button in the top right corner. The newly created question will be automatically linked to this question.

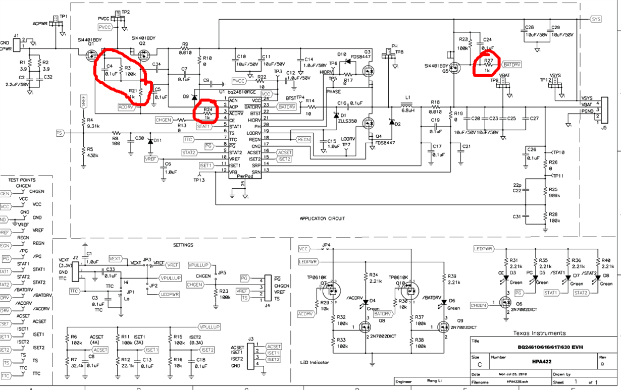
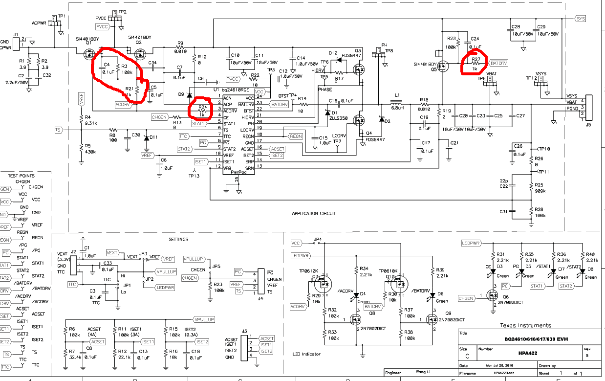
The Pin Of The Pmos Discipline Control Controlled By The BQ24610 Has Doubts

Other Parts Discussed in Thread: BQ24610

Hello,

my project is using BQ24610, I have doubts about the pins of PMOS control control controlled by BQ24610, and there are doubts about /ACDRV pin and /BATDRV control pin setting, among which C3, R3, R21, R24 pin settings Mainly control the conduction time of the pepper Q1 and Q2 feet? Or PMOS dead time, and /BATDRV foot R27, R28, C28 is set to control open time, how to choose the resistance and capacitance parameters, and specific Hu function?