This thread has been locked.

If you have a related question, please click the "Ask a related question" button in the top right corner. The newly created question will be automatically linked to this question.

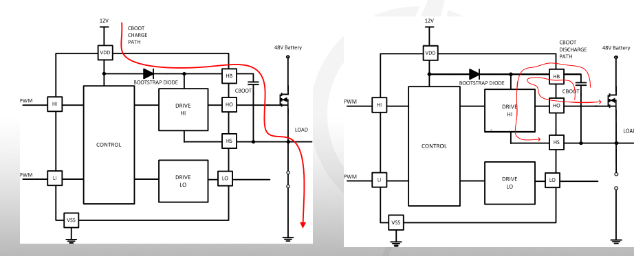
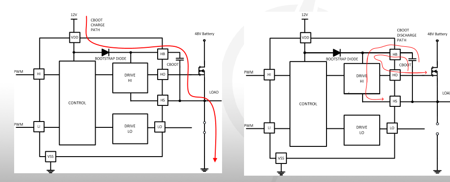
LM73605: abnormal SW waveform

Part Number: LM73605

Hi team,

The SW waveform of LM73605EVM_5V_400K is abnormal when I made the following changes.

  • R2 changed from 100k to 52k and the output became 3.07V
  • add 4.7R in series to boot cap C7

As the input voltage increases to 20V, the SW waveform is abnormal as follows.

Could you tell me why this happened? Thanks in advance.

Best Regards

Jiawei