This thread has been locked.

If you have a related question, please click the "Ask a related question" button in the top right corner. The newly created question will be automatically linked to this question.

TPS61042: LED does not light up at 1% duty ratio

Part Number: TPS61042

hi,

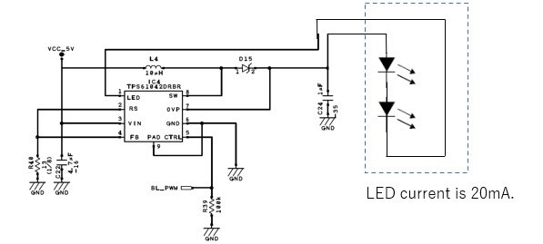
We use TPS61042 like the circuit below:


LED brightness control is performed by inputting a PWM signal of 20kHz frequency to the CTRL pin. The LED lights up when PWM frequency is 20kHz and the duty ratio is 20%.
But. The LED does not light up when PWM frequency is 20kHz and the duty ratio is 1%.
It was stated in the data sheet that when the PWM signal is 100Hz to 50kHz and the duty ratio is 1% to 100%, the LED lights up.
Can you advice why the LED does not light up when PWM frequency is 20kHz and the duty ratio is 1%.

Best Regards,

kpk