This thread has been locked.

If you have a related question, please click the "Ask a related question" button in the top right corner. The newly created question will be automatically linked to this question.

TDA4VM-Q1: Master Clock(MCLK) pin required for MIPI-CSI Sensor

Part Number: TDA4VM-Q1
Other Parts Discussed in Thread: TDA4VM

Hi Champ.

There's a sensor which requires the master clock(MCLK) from processor. 

But I am not able to find the MCLK pin from TDA4VM. 

Can you please check if TDA4VM does not support the master clock (MCLK) for MIPI-CSI snesor?

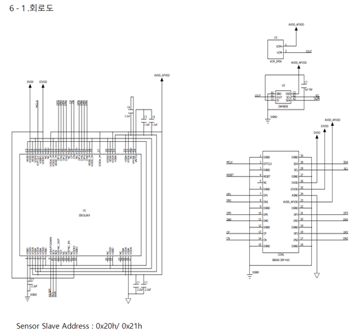
The following is the schematic of the sensor. 

If it is possible to support the sensor with MCLK from TDA4VM, Can you please give us a guideline?

Regards, 

Jack

  • Hi TI

    Additionally I would like to ask if it is okay to deliver 25 MHz from the outside to the CAM using an oscillator or crystal even though TDA4VM does not support MCLK output.
    (It always oscillates when power is applied)

    Regards, 

    Jack

  • According to camera supplier (KOASIS), it is said that simply putting 25MHzCLK into CAM from the outside has nothing to do with CAM behaviour. So they're planning to use the oscillator to apply CLK to the CAM. In this regards, Customer would like to reqest TI to check if there is any problem with the Camera driver sequence.

    Please give us guidance if the camera can be applicable by putting CLK to CAM.

    Regards, 

    Jack

  • Jack,

    TDA4VM CSi2 Rx module does not source a clock to the camera sensor, the Rx module expects the sensor to provide differential CLK and data signals with timings compliant to MIPI CSI2 specification.  Camera supplier (KOASIS) will have to confirm what the purpose of the MCLK pin is, how to connect it, as well as if there are any special sequences to follow to configure the camera sensor.

    Best Regards,

    Shiou Mei