This thread has been locked.

If you have a related question, please click the "Ask a related question" button in the top right corner. The newly created question will be automatically linked to this question.

TDA4VM: Change UART instance to MAIN_UART1 seems not work

Part Number: TDA4VM

Hello.

I would like to redirect UART messages of my MCU2_1 (main domain) application to another UART.

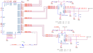
I have tried to change "gBoardInitParams" in "packages/ti/board/src/j721e_evm/board_utils.c", and UART messages are not yet sent to MAIN_UART0, but not to other. 

When i set to Instance 1:

Board_initParams_t gBoardInitParams = {BOARD_UART1_INSTANCE, BOARD_UART_SOC_DOMAIN, BOARD_PSC_DEVICE_MODE_NONEXCLUSIVE,
BOARD_MAIN_CLOCK_GROUP_ALL, BOARD_MCU_CLOCK_GROUP_ALL};

I don't see anything in MAIN UART1 output, that should be second port of MAIN UART USB FTDI. I have double checked schematic and it seems to be in this way connected.

Same for Instance4.

Only MAIN_UART0 seem to work, but I wanted to have different UART for MCU2_1 and MPU (linux).

Could you help me?

Thanks.