This thread has been locked.

If you have a related question, please click the "Ask a related question" button in the top right corner. The newly created question will be automatically linked to this question.

AM6442: Unnecessary USB2.0 Circuits

Part Number: AM6442
Other Parts Discussed in Thread: UNIFLASH,

Hi,

My customer has just started to consider if USB port can be added on their board in order to apply the workaround of i2371 UART boot errata. Since they don’t have enough time and have to finish the redesign as soon as possible, it would be appreciated if we can receive your answer to their questions as soon as possible.

  • For the i2371 workaround using USB Uniflash, which boot mode Primary or Backup boot should they use ?

  • Which is used, Host or DFC(Device) in below ?

 

Actually, there is no space for additional USB port and circuit on their board. So, they want to eliminate unnecessary USB circuits as much as possible.

They’re referring In the page 25 of the TMDS64GPEVM Schematics (PROC101B(001)_SCH.pdf,

  • Can they eliminate the following circuit ?  If no 5V supply and only Device Mode, they think that this circuit is not needed.

 

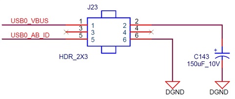
  • Also, can they eliminate the J23 circuit below ?

 

  • In this case of USB Uniflash, USB0_ID pin can be No-Connect, right ?

 

 

Thanks and regards,

Hideaki Matsumoto

  • Hello Hideaki Matsumoto.

    Thank you for the query.

    For the i2371 workaround using USB Uniflash, which boot mode Primary or Backup boot should they use ?

    In case USB backup mode is used, core supply is required to be configured to 0.85V.

    (14) AM6442: Supported Boot Mode considering Errata - Processors forum - Processors - TI E2E support forums

    -USB MSC boot may have issues due to i2328.  USB DFU is unaffected

    • Which is used, Host or DFC(Device) in below ?

     

    The power switch is used when the USB is configured as host. For the device mode the power supply is expected to be controlled externally and you will need to connect the supply to the SoC VBUS pin along with the voltage divider.

    Refer data sheet section

    9.2.3 USB VBUS Design Guidelines

    Also, can they eliminate the J23 circuit below ?

    This is for the host mode, can be removed.

    In this case of USB Uniflash, USB0_ID pin can be No-Connect, right ?

    We do not configure the role in the Boot. The USB_ID pin may not be required or used.

    Regards,

    Sreenivasa

  • Hello Hideaki Matsumoto.

    Checking if you has any additional questions?

    Regards,

    Sreenivasa

  • Hello Hideaki Matsumoto.

    Please refer below updates.

    For the i2371 workaround using USB Uniflash, which boot mode Primary or Backup boot should they use ?

    In case USB backup mode is used, core supply is required to be configured to 0.85V.

    We have tested and confirmed that the USB backup boot also works with core supply of 0.75V.

    We are no more recommending customers to use 0.85V core for USB backup boot as a requirement.

    Regards,

    Sreenivasa