This thread has been locked.

If you have a related question, please click the "Ask a related question" button in the top right corner. The newly created question will be automatically linked to this question.

SK-AM62A-LP: How to connect PMIC_LPM_EN0 signal?

Part Number: SK-AM62A-LP

How to connect PMIC_LPM_EN0 signal?

We want to del J9 and TMUX154EDGSR.

Thanks.

  • Hello Hui-Liu

    Thank you for the query.

    Refer below the pin description.

    PMIC_LPM_EN0, O, Dual-function PMIC control output, Low Power Mode (active low) or PMIC Enable (active high) D12

    This is an output, and you can leave this pin unconnected in case you do not want to use.

    Regards,

    Sreenivasa

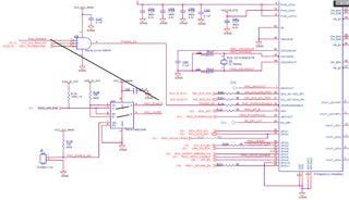
  • We want to del J9 and U31(TMUX154EDGSR) in SK-AM62A-LP.

    SEL of TMUX154 is high, so A=A1,B=B1, right? like picture below.

    Maybe we can't know the principle now, we just want to know how to connect, maybe we need some time to understand the principle.

    Thanks.

  • Hello Hui-Liu

    Thank you for the inputs.

    Please refer below mux pin function.

    Maybe we can't know the principle now, we just want to know how to connect, maybe we need some time to understand the principle.

    Understand.

    You could close this thread and start a new thread once you review the function.

    When not sure it would be a good idea to provision during the initial prototype.

    Regards,

    Sreenivasa