This thread has been locked.

If you have a related question, please click the "Ask a related question" button in the top right corner. The newly created question will be automatically linked to this question.

TDA4VM: J721E DRA829/TDA4VM Processor shifting to eMMC booting as a primary boot mode and sd card as a backup bootmode

Part Number: TDA4VM

Tool/software:

Hello,

We’ve developed a custom TDA4 board currently booting from the SD card.
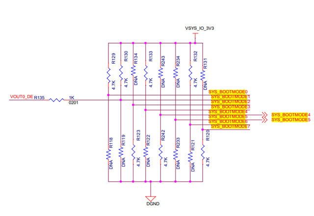
In our design:

  • eMMC is connected to port 0

  • SD card is connected to port 1

For SD card booting, the boot mode configuration is set as follows and is working correctly:

  • MCU_BOOTMODE [9:0] = 0000000000

  • SYS_BOOTMODE [7:0] = 01101011 ( PFA image for it )

Now, we want to switch to booting primarily from eMMC, with the SD card as a fallback.

According to the TDA4VM Processor TRM, we updated the boot configuration to:

  • ONLY = 0 (Normal boot mode)

  • MCU_BOOTMODE [9:0] = 0000001000

  • SYS_BOOTMODE [7:0] = 10001011

However, with this configuration, the board is not booting from eMMC as expected.

We've implemented the required pull-up and pull-down resistors, but something still seems to be off.
Could someone please help identify what might be wrong with our configuration?

Thanks in advance!