Part Number: AM625
hi everyone,
I'm having the following problem: I'm trying to boot my custom board from a boot SD card, but it fails when the power is switched on, since I haven't configured it that way because the power supply is fixed.
U-Boot SPL 2023.04-gecb9410b72 (Mar 15 2026 - 21:21:07 +0000)
SYSFW ABI: 3.1 (firmware rev 0x0009 '9.1.8--v09.01.08 (Kool Koala)')
k3_ddrss_probe(dev=43c34bcc)
k3_ddrss_ofdata_to_priv(dev=43c34bcc)
k3_ddrss memorycontroller@f300000: ddr freq0 not populated, using bypass frequency.
k3_ddrss_power_on(ddrss=43c3a4c0)
k3_ddrss memorycontroller@f300000: vtt-supply not found.
k3_lpddr4_probe: PASS
k3_lpddr4_init: PASS
--->>> LPDDR4 Initialization is in progress ... <<<---
k3_lpddr4_start: Post start PASS
SPL initial stack usage: 13408 bytes
Trying to boot from MMC2
Authentication passed
Authentication passed
Authentication passed
Authentication passed
Authentication passed
Starting ATF on ARM64 core...
NOTICE: BL31: v2.9(release):v2.9.0-614-gd7a7135d3-dirty
NOTICE: BL31: Built : 09:34:15, Aug 24 2023
U-Boot SPL 2023.04-gecb9410b72 (Mar 15 2026 - 21:21:07 +0000)
SYSFW ABI: 3.1 (firmware rev 0x0009 '9.1.8--v09.01.08 (Kool Koala)')
SPL initial stack usage: 1856 bytes
Card did not respond to voltage select! : -110
** Bad device specification mmc 1 **
Couldn't find partition mmc 1:1
Error: could not access storage.
Trying to boot from MMC2
Card did not respond to voltage select! : -110
spl: mmc init failed with error: -95
SPL: failed to boot from all boot devices
### ERROR ### Please RESET the board ###
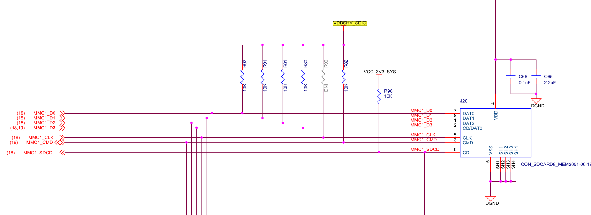
As for the hardware, the power supply for both the I/O and VCC pins of the SD card is a constant 3.3V.
These are the pull-ups:

Regarding the DT and DTsi files in $path-ti-u-boot/ for the custom board:
1) k3-am625-customboard.dts:
/{
&sdhci1 {
/* SD/MMC */
status = "okay";
vmmc-supply = <&vdd_mmc1>;
// vqmmc-supply = <&vdd_sd_dv>;
pinctrl-names = "default";
pinctrl-0 = <&main_mmc1_pins_default>;
ti,driver-strength-ohm = <50>;
bus-width = <4>;
broken-cd;
disable-wp;
no-1-8-v;
bootph-pre-ram;
};
2) k3-am625-customboard-u-boot.dtsi:
I tried running vdd_mmc1 and vdd_sd_dv separately and together, but the error persists.
From USB-DFU, I reach the u-boot console/prompt, but with the SD card, it gets stuck at the login screen shown here, even though I'm using the same tiboot3.bin, tispl.bin, and u-boot.img files.