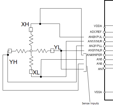
My config looks like this: Instead of a 4-wire touchpanel i use a dac to feed the controller with different voltages for simulating the touches.
The first dac is connected to AN0 (XPUL) the second to AN2(YPLL) and the output voltage range is 0-1,25V with a resolution of 0,05V (touchcontroller with internal voltage reference). For switching the voltage on/off I use simple npn transistors.
1st question: Do i use the right pins of the touchcontroller for the dac output?
2nd question: I already made a few tests. Generally nothing happens but sometimes i get touches in the middle of the screen or in one corner, i can't figure out what's the reason (maybe wrong pinning, could the npn transistor be the reason?).
It would be really great if someone can help me!
Thanks

