This thread has been locked.

If you have a related question, please click the "Ask a related question" button in the top right corner. The newly created question will be automatically linked to this question.

how can I save the time on am3359 with the internal rtc

Other Parts Discussed in Thread: AM3359, TPS650250

I want to save time, and I used the command date 051410002013.10,hwclock -w,hwclock -s,but it seems not work. Once the board is powered down,the time is lost.I add the "hwclock -s" in rcS,too. My board is similar to the AM335x EVM,and I have a button batteries which seems work well on my board. I use the internal rtc in am3359, if I want to make it work well,how can I do.

  • You mentioned your board design is similar to the EVM.  The EVM does not use a coin cell to power the RTC.  Can you provide a snapshot of your schematic showing the RTC power supply connections.

    Have you read the AM335x Silicon Errata, specifically advisory 1.0.5?  The issue described by this advisory has been resolved in silicon revision 2.x, so you will need silicon revision 2.x for the RTC to operate properly.

    Regards,
    Paul

  • Hi peaves,thaks for your replay! I see the AM335x Silicon Errata revision 2.0 carefully,but I just find

    "The current recommendation is to remove any external pull-down resistor from the RTC_XTALIN terminal and leave this terminal open-circuit when not using OSC1." It's seems not help me.Although I do not use any pull-down resistor,it not mean the OSC1 is not work,I think.

    And you said "The EVM does not use a coin cell to power the RTC",but there is a coin cell near the PMIC, what‘s the use of the coin cell.

  • A 32.768kHz crystal circuit must me connected to the OSC1 terminals (RTC_XTALIN, RTC_XTALOUT, and VSS_RTC) when using the RTC.

    The data sheet and silicon errata descriptions for OSC1 terminal connections when the RTC is not being used would not apply for your use case.

    It looks like you have both oscillator circuits connected to the same ground.  If so, that is not correct.  Each oscillator in the ZCZ package has its own Kelvin ground that should be connected to the respective crystal circuit and should not be connected to anything else.

    As mentioned before, you need to confirm you are using a silicon revision 2.x device for the RTC to operate properly when you turn off power to the rest of the device.  Silicon revision 1.0 will be marked AM335_ZCZ, silicon revision 2.0 will be marked AM335_AZCZ,  and silicon revision 2.0 will be marked AM335_BZCZ.

    I also need you to attach a snapshot of the RTC power supply connections, so I can confirm they are connected properly.

    The coin cell battery on the EVM connects to the PMIC to power the RTC in the PMIC.  The RTC in the PMIC is designed to operate from a coin cell battery.  However, the AM335x RTC requires a single regulated 1.8 volt power source if using the internal RTC LDO or two regulated power sources, 1.8 volt and 1.1 volt, if you are not using the the internal RTC LDO.

    Please review the RTC section of AM335x schematic checklist for more details related to RTC connection options.
    http://processors.wiki.ti.com/index.php/AM335x_Schematic_Checklist

    Regards,
    Paul

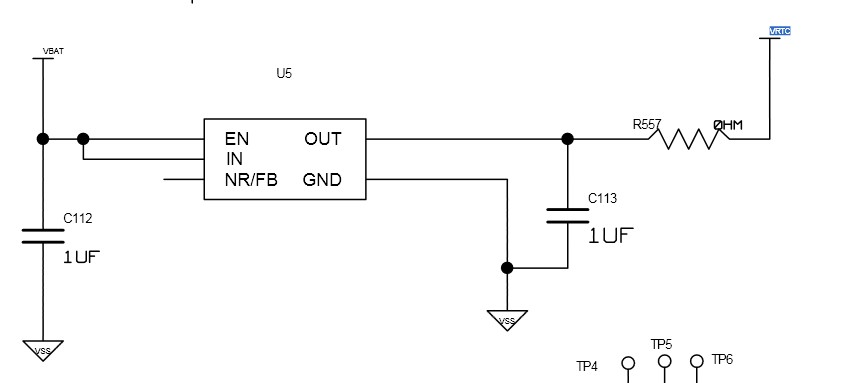
  • Hi peaves,thanks for your reply. There are some snapshots of the RTC power supply connections.

  • Hi peaves,I marked wrong on the location of the oscillator circuits,in fact they are connected to different ground.

    I see the AM335x EVM on wiki carefully,it seems that VRTC supply the power for rtc:

     

    And rtc is get from VBAT:

    So it seems that once cut the power,the rtc can not work. I do not know is it right.

  • I'm looking for an answer to this question as well. Our design uses the TPS650250 PMIC which does not have an internal RTC. The RTC in the AM335x will be relied upon to maintain time when total power is lost to the system. Currently, since there is no need for the RTC-Only mode, the internal RTC LDO is turned off (RTC_KALDO_ENn tied to VDDS_RTC) and the VDD_RTC is powered through the CAP_VDD_RTC pin by the 1.1V supply from the TPS 650250. Provided I'm using silicon v2.0 (Not sure this is even necessary since RTC-Only mode is not used anyway), how can I power the RTC  on the AM335x with a battery when mains power is lost?