This thread has been locked.

If you have a related question, please click the "Ask a related question" button in the top right corner. The newly created question will be automatically linked to this question.

C54x HPI

Other Parts Discussed in Thread: SN74CBTD3384

TI staff,

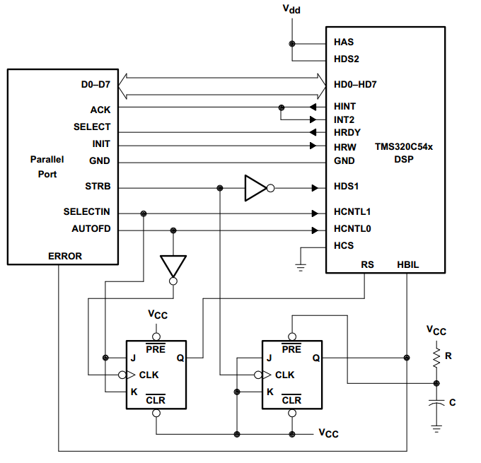
I’m looking for an adapter Parallel port to HPI port in order to communicate my PC to the C54x DSP.

So, based on TI manipulation: The TMS320C54x DSP HPI and PC parallel Interface http://www.ti.com/general/docs/lit/getliterature.tsp?baseLiteratureNumber=spra151&fileType=pdf

The communication between the PC and the ‘C5402 DSK works fine.

Now, I’m trying to do the like that for a DSP board (not DSK) (see figure).

But unfortunately doesn’t work!!

question:

Did I miss something?

or if there is another way to do it!