This thread has been locked.

If you have a related question, please click the "Ask a related question" button in the top right corner. The newly created question will be automatically linked to this question.

AM3359 I/F with Temperature Sensor LM94022 on ICE V2.1 board

Other Parts Discussed in Thread: SYSBIOS, LM94022

Hi,


I'm trying  to read Temperature Sensor (LM94022) presentt on ICE v2.1 board.  However there is no example given to read this sensor  in SDK (am335x_sysbios_ind_sdk_1.1.0.3). 

I've taken example code (..\sdk\starterware\examples\evmAM335x\adc\adcVoltMeasure.c) of starterware to start with and integrated this code in a sys/bios project.

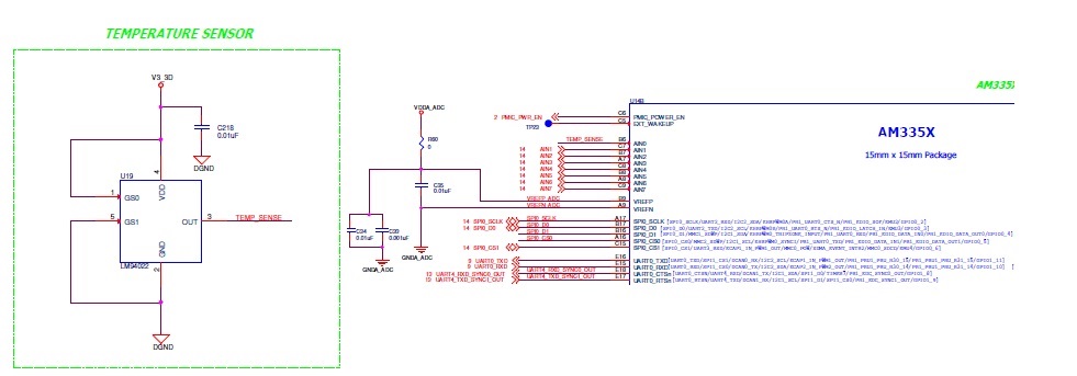
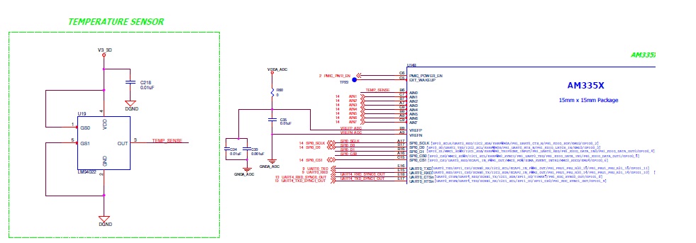
But I'm not able to read the sensor value correctly. It is always returning a fixed value(0xFFF). I'm adding a snapshot of schematic of ICE v2.1

I'm not sure if I'm configuring the internal ADC correctly. Please correct me as I"ve pasted code for adc configuration.

========================

Code for Reading Temperature Sensor value.

========================

volatile unsigned int flagADC;
unsigned int sample;
unsigned char count_adc_int = 0;
// function prototypes
void StepConfigure(unsigned int stepSel, unsigned int fifo, unsigned int positiveInpChannel);
void ADCInit(void);
Void ADC_Task(UArg arg1, UArg arg2);
Void create_adc_tasks(Void);
Void adc_int_isr(UArg arg);
/**
 * ADCInit: Function to Initialize ADC in 1 Ch(AN0) mode, one-shot measurement
 * mode.
 *
 **/
void ADCInit(void)
{
    TSCADCModuleClkConfig();

    TSCADCConfigureAFEClock(TSC_ADC_INSTANCE, 24000000, 3000000);// Configures ADC to 3Mhz
    TSCADCTSTransistorConfig(TSC_ADC_INSTANCE, TSCADC_TRANSISTOR_ENABLE);// Enable Transistor bias
    TSCADCStepIDTagConfig(TSC_ADC_INSTANCE, 1);

    // Disable Write Protection of Step Configuration regs
    TSCADCStepConfigProtectionDisable(TSC_ADC_INSTANCE);

    // Configure step 1 for channel 1(AN0)
    StepConfigure(0, TSCADC_FIFO_0, TSCADC_POSITIVE_INP_CHANNEL1);

    // General purpose inputs
    TSCADCTSModeConfig(TSC_ADC_INSTANCE, TSCADC_GENERAL_PURPOSE_MODE);

    // Enable step 1
    TSCADCConfigureStepEnable(TSC_ADC_INSTANCE, 1, 1);

    // Clear the status of all interrupts
    //CleanUpInterrupts();

    // End of sequence interrupt is enable
    TSCADCEventInterruptEnable(TSC_ADC_INSTANCE, TSCADC_END_OF_SEQUENCE_INT);

    // Enable the TSC_ADC_SS module
    TSCADCModuleStateSet(TSC_ADC_INSTANCE, TSCADC_MODULE_ENABLE);

}

/**
 * StepConfigure: Function to Initialize ADC channel, reference voltage, Fifo
 * and one-shot measurement mode.
 *
 **/
void StepConfigure(unsigned int stepSel, unsigned int fifo,
                   unsigned int positiveInpChannel)
{
    // Configure ADC to Single ended operation mode
    TSCADCTSStepOperationModeControl(TSC_ADC_INSTANCE,
                                  TSCADC_SINGLE_ENDED_OPER_MODE, stepSel);

    // Configure step to select Channel, reference voltages
    TSCADCTSStepConfig(TSC_ADC_INSTANCE, stepSel, TSCADC_NEGATIVE_REF_VSSA,
                    positiveInpChannel, TSCADC_NEGATIVE_INP_CHANNEL1, TSCADC_POSITIVE_REF_VDDA);

    // XPPSW Pin is on, Which pull up the AN0 line
    TSCADCTSStepAnalogSupplyConfig(TSC_ADC_INSTANCE, TSCADC_XPPSW_PIN_ON, TSCADC_XNPSW_PIN_OFF,
                                TSCADC_YPPSW_PIN_OFF, stepSel);

    // XNNSW Pin is on, Which pull down the AN1 line
    TSCADCTSStepAnalogGroundConfig(TSC_ADC_INSTANCE, TSCADC_XNNSW_PIN_ON, TSCADC_YPNSW_PIN_OFF,
                                TSCADC_YNNSW_PIN_OFF,  TSCADC_WPNSW_PIN_OFF, stepSel);

    //select fifo 0 or 1
    TSCADCTSStepFIFOSelConfig(TSC_ADC_INSTANCE, stepSel, fifo);

    // Configure ADC to one shot mode
    TSCADCTSStepModeConfig(TSC_ADC_INSTANCE, stepSel,  TSCADC_ONE_SHOT_SOFTWARE_ENABLED);
}




Void ADC_Task(UArg arg1, UArg arg2)
{
    int analogSensor;
    //char t_str[32];

    Task_sleep(2500);    // Give two and half second to taskOne

    // Task will run this loop forever
    while(1)
    {
        ADCInit();                                                // Set-up ADC for one-shot measure
        while(flagADC);                                            // Wait that the analog to digital conversion has been done
        analogSensor = sample*439/1000;                            // Conversion to have a value in mV
        //sprintf(t_str,"Temperature: %dmV.\n",analogSensor);
        //UARTPutString(uartInstance,t_str);                        // Push it through the UART you it's readable for users
        UARTPutString(uartInstance,"\n\rTemperature ");
        UARTPutInteger(uartInstance,count_adc_int);
        UARTPutString(uartInstance," : ");
        UARTPutIntegerHex(uartInstance,(analogSensor));
        flagADC = 1;                                            // Will be turn to 0 at the next conversion
        Task_sleep(5000);                                        // Repeat every 5 seconds
    }
}


Void create_adc_tasks(Void)
{

 ////////////Task Creation//////////////////
    Task_Params taskParams;
    Task_Params_init(&taskParams);
    taskParams.priority = 12;
    taskParams.stackSize = 1512;

    adc_tsk= Task_create (ADC_Task, &taskParams, NULL);

    if (NULL == adc_tsk)
    {
        System_abort("ADC Task create failed");
        BIOS_exit(0);
    }

 //////////HWI Creation//////////////////////

    Hwi_Params hwiParams;
    Hwi_Params_init(&hwiParams);
    hwiParams.priority = 6;
    hwiParams.enableInt = false;

    adcHwiInt = Hwi_create(SYS_ADC_INT, adc_int_isr, &hwiParams, NULL);
    if (NULL == adcHwiInt)
    {
        System_abort("HWI ADC int creation failed");
        BIOS_exit(0);
    }

    Hwi_enableInterrupt(SYS_ADC_INT);
}


Void adc_int_isr(UArg arg)
{
     volatile unsigned int status;
     count_adc_int++;
     count_adc_int = count_adc_int % 200;
     status = TSCADCIntStatus(TSC_ADC_INSTANCE);

     TSCADCIntStatusClear(TSC_ADC_INSTANCE, status);

     if(status & TSCADC_END_OF_SEQUENCE_INT)
     {
         /* Read data from fifo 0 */
         sample = TSCADCFIFOADCDataRead(TSC_ADC_INSTANCE, TSCADC_FIFO_0);

         flagADC = 0;
     }
}