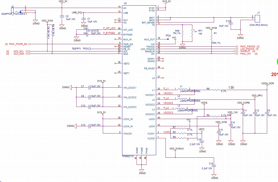
I would like to check the mux_out value.
I tested while changing the mux control register.
But mux_out value is always low.
Are there any s/w check point?
Please check my schematics.
My environment :
linux-3.14.26-g2489c02
This thread has been locked.
If you have a related question, please click the "Ask a related question" button in the top right corner. The newly created question will be automatically linked to this question.
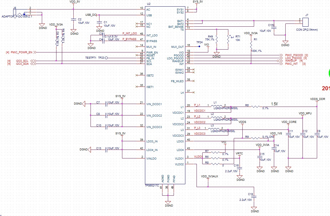
I would like to check the mux_out value.
I tested while changing the mux control register.
But mux_out value is always low.
Are there any s/w check point?
Please check my schematics.
My environment :
linux-3.14.26-g2489c02
After setting the MUXCTRL register to 0x01 or 0x02, MAX_OUT was measured with an oscilloscope.