Hi,
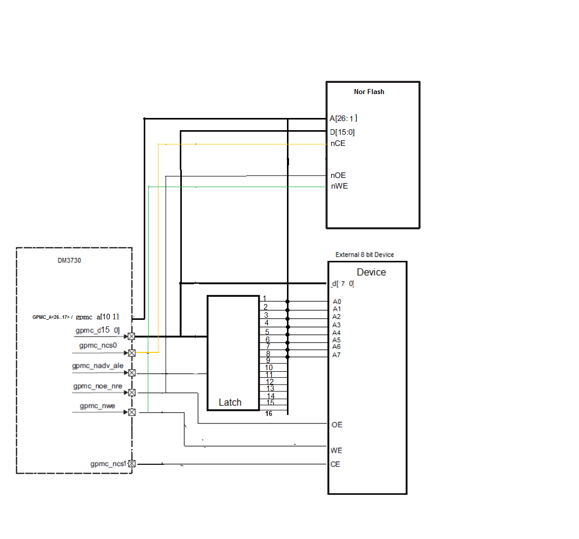
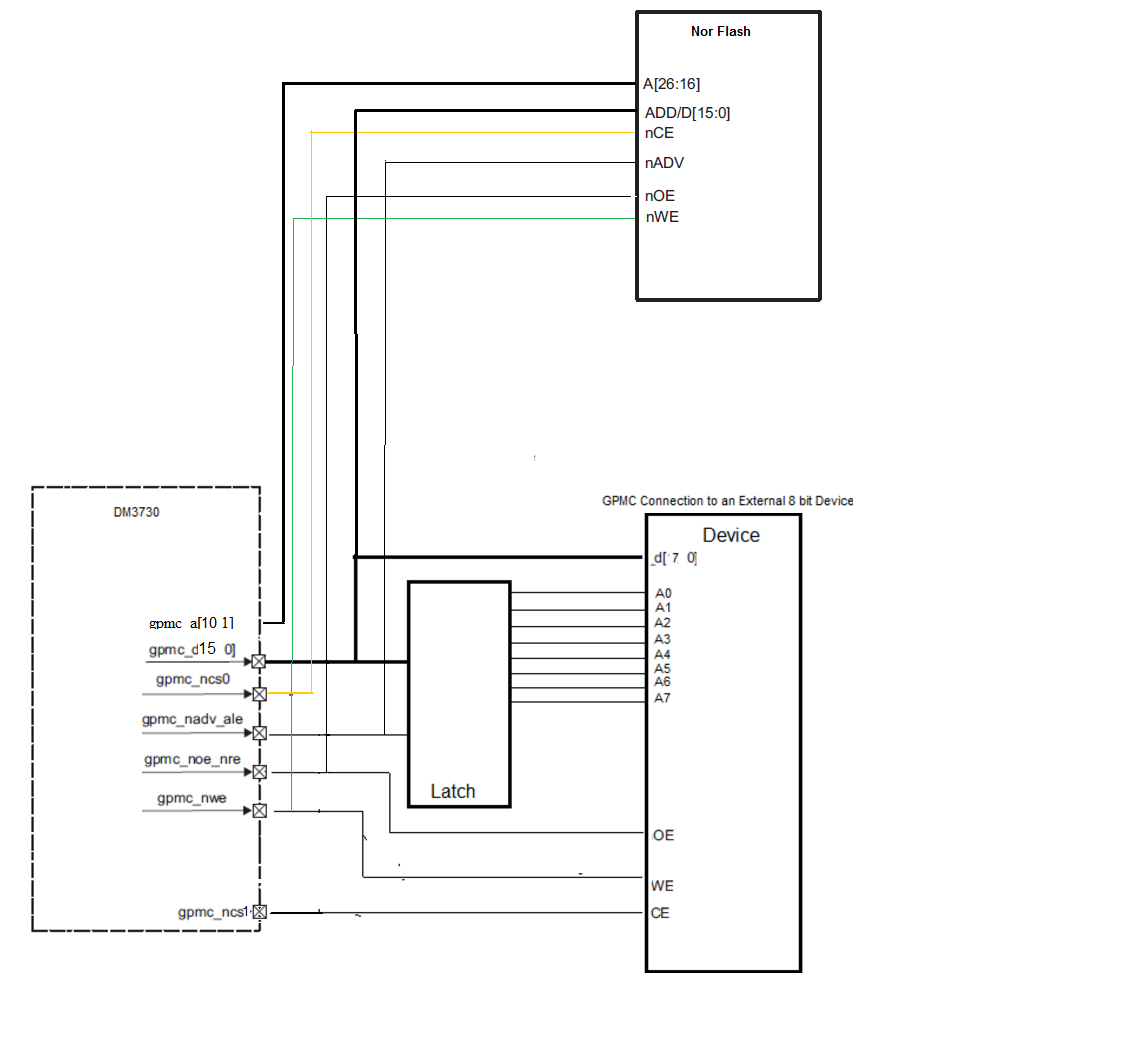
We want to connect GPMC interface of DM3730 to 8 bit device and Nor flash. Can we do these connections like the attached file ?
Thanks.
İlker KAYA
This thread has been locked.
If you have a related question, please click the "Ask a related question" button in the top right corner. The newly created question will be automatically linked to this question.
Hi,
We want to connect GPMC interface of DM3730 to 8 bit device and Nor flash. Can we do these connections like the attached file ?
Thanks.
İlker KAYA