Other Parts Discussed in Thread: AM5728, TPS659037
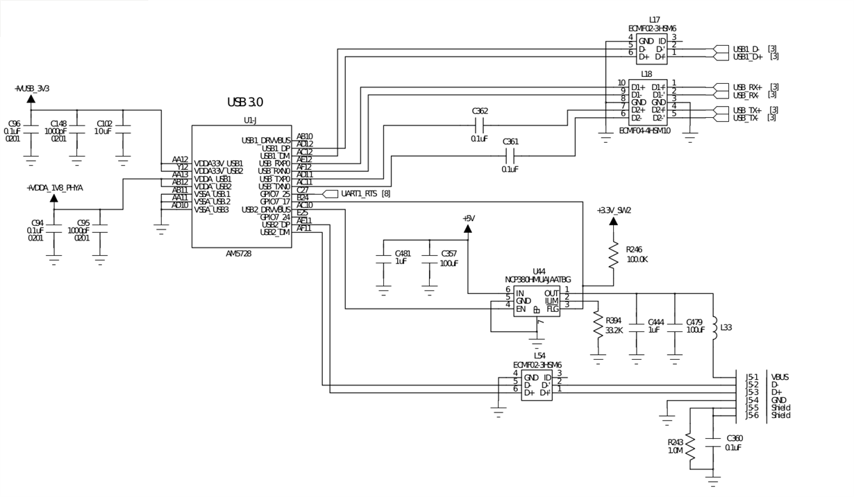
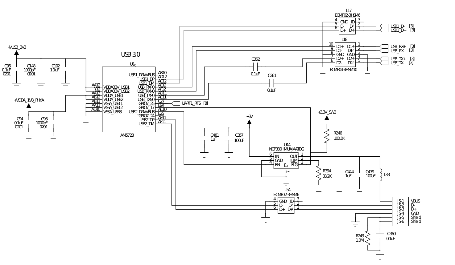
We are in the process of board bring up on a custom board using the am5728. We based our hardware design heavily on the Beagleboard x15 with schematic review by TI. We intend to act as host only on both USB1 (3.0 on board only) and USB2 (2.0 type A connector)
I am working on a kernel branch on our local git repo. About once a week I merge in from ti-linux-4.4.y on git.ti.com to my local branch.
Prior to the latest merge our board could get functional USB working only about 1 of every 10 power cycles. The other 9 times I would get a kernel crash. The crash was in xhci_hub_control. When USB was disabled in devicetree it never crashed in this way. This crash always occurred just after it detected the root hub for USB2.
Now as of the latest merge (last monday 28 march) which included several of changes to the dwc3-omap driver recently merged from connectivity branch to the ti-linux-4.4.y branch I now get a kernel crash on every boot in the dwc3_omap_interrupt function of drivers/usb/dwc3/dwc3-omap.c
I get the crash even when all usb are status="disabled" in my device tree. In order to avoid the crash I must not enable the DWC3 USB drivers in the kernel.
Attached is my defconfig file and our device tree files.
Any help would be greatly appreciated.









