This thread has been locked.

If you have a related question, please click the "Ask a related question" button in the top right corner. The newly created question will be automatically linked to this question.

AM572x booting issue



Hi,

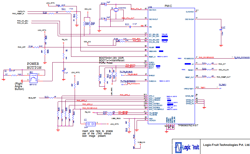
We are using XAM5728AABCXE with PMIC TPS6590376ZWST. 

We are using SD Card for booting up.

But since the PMIC is "ON" only for 7 seconds by default, the DSP is not able to boot from SD Card.

All clocks , Voltages and SD Card have been verified.

Boot pin configuration is correct for SD Card.

But when we press the power button at the PWRON pin of PMIC , we get SD Card Clock for very less time ( fraction of second).

Kindly suggest where can be the problem.

Regards,

Hammad