This thread has been locked.

If you have a related question, please click the "Ask a related question" button in the top right corner. The newly created question will be automatically linked to this question.

AM437x VPFE invalid bus width

Other Parts Discussed in Thread: TVP5146, AM4378, TVP5146M2

Hello,

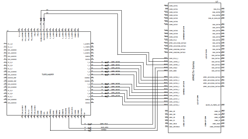
We have a custom board with AM4378 connected to TVP5146. The schematic is attached.

After making changes to the device tree and enabling support for tvp5146 in the kernel, it is detected as a device on the i2c bus. However, no /dev/video entry appears. More importantly, "VPFE: Invalid Bus Width error -22" is shown during bootup. What could be the problem, and how do I solve it?

The relevant parts of the device tree are:

cam1_pins_default: cam1_pins_default {
  pinctrl-single,pins = <
   0x1dc ( PIN_INPUT_PULLUP | MUX_MODE0 ) /* (AE21) cam1_pclk.cam1_pclk */
   0x1e8 ( PIN_INPUT_PULLUP | MUX_MODE0 ) /* (AB20) cam1_data0.cam1_data0 */
   0x1ec ( PIN_INPUT_PULLUP | MUX_MODE0 ) /* (AC21) cam1_data1.cam1_data1 */
   0x1f0 ( PIN_INPUT_PULLUP | MUX_MODE0 ) /* (AD21) cam1_data2.cam1_data2 */
   0x1f4 ( PIN_INPUT_PULLUP | MUX_MODE0 ) /* (AE22) cam1_data3.cam1_data3 */
   0x1f8 ( PIN_INPUT_PULLUP | MUX_MODE0 ) /* (AD22) cam1_data4.cam1_data4 */
   0x1fc ( PIN_INPUT_PULLUP | MUX_MODE0 ) /* (AE23) cam1_data5.cam1_data5 */
   0x200 ( PIN_INPUT_PULLUP | MUX_MODE0 ) /* (AD23) cam1_data6.cam1_data6 */
   0x204 ( PIN_INPUT_PULLUP | MUX_MODE0 ) /* (AE24) cam1_data7.cam1_data7 */
   0x1d0 ( PIN_INPUT_PULLUP | MUX_MODE0 ) /* (AD24) cam1_data8.cam1_data8 */
   0x208 ( PIN_INPUT_PULLUP | MUX_MODE2 ) /* (AE18) cam0_data0.cam1_data9 */
  >;
 };

&i2c0 {

tvp514x@5c {
   compatible = "ti,tvp5146m2";
   reg = <0x5c>;
   status = "okay";

   port {
    tvp514x_0: endpoint {
     remote-endpoint = <&vpfe1_ep>;

    };
   };
 };

};

&vpfe1 {
  status = "okay";
     pinctrl-names = "default";
     pinctrl-0 = <&cam1_pins_default>;   
      
 port {
  vpfe1_ep: endpoint {
   slave-mode;
   remote-endpoint = <&tvp514x_0>;
   ti,am437x-vpfe-interface = <2>;  //10 bit BT656
           hsync-active = <1>;
   vsync-active = <1>;
   pclk-sample = <0>;
  };
 };
    };

Regards,

Rajat Rao