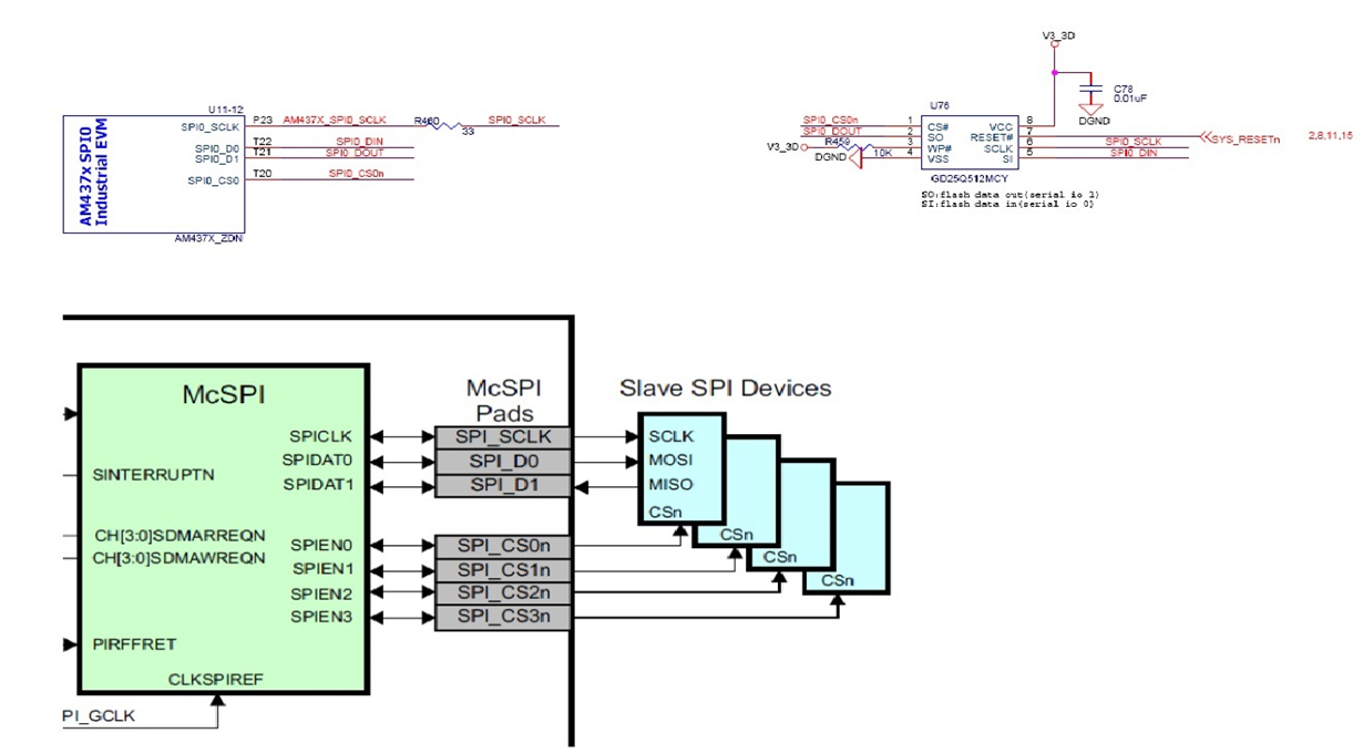
I have a board designed by ourself. CPU is AM4376, OS is Linux 4.1.18
Now we can boot from SD card, after boot, we can read and write the SPI Flash ,Flash type is GD25Q512MC.
We is trying to boot AM4376 from SPI Flash . But boot is failed.
Flash FAE measured the signals of Flash module by logic nanlyzer. We can't capture any signal from AM4376.
Next is our Boot Configuration.
Please advise me.
Best regards

