Other Parts Discussed in Thread: TPS3808
Tool/software: Linux
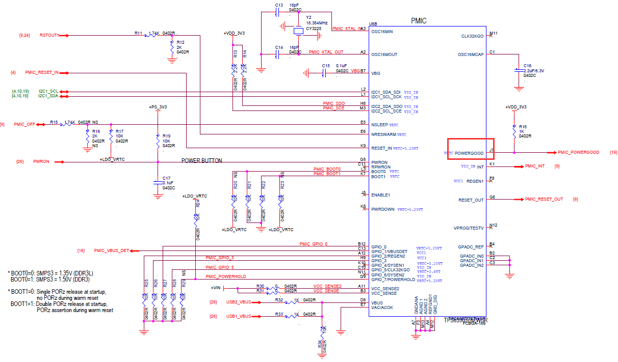
As shown, all power supply is normal, the problem is that the RSTOUTn has been in the cycle reset
The following figure, POWERGOOD output is normal, TPS3808 normal, C63 (0.33uF) removed
Please help me to see what is the reason?





