Part Number: AM4376
Hi, Expert
Q1:
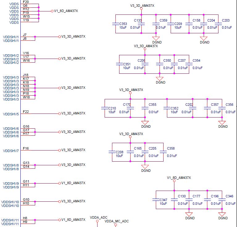
According to AM4376 datasheet table5-10 external capacitor part, flor VDDSHV1~VDDSHV11, there are total 32 0.01 uF capacitor required. But according to GP EVM show, there are 21 amount of 0.01 uF capacitor, are some capacitors shared by different VDDSHVx pins to ensure each VDDSHV pin meets requirement of datasheet table? If it is not allowed, it seems that GP EVM external capacitor design doesn't fully follow up datasheet info, could you clarify on this?
Datasheet table:
GP EVM:
Q2;
According to table 5-10, for example, VDDSHV1 should connect to 10.02 uF capacitor, but there are 2 pins(J7,J8), just double confirm that J7 J8 should share 10.02uF capacitor together, not need to connect seperately, right?
Thanks

