Other Parts Discussed in Thread: AM5718, DRA722, TMP102, PMP
Tool/software: Linux
Dear Team,
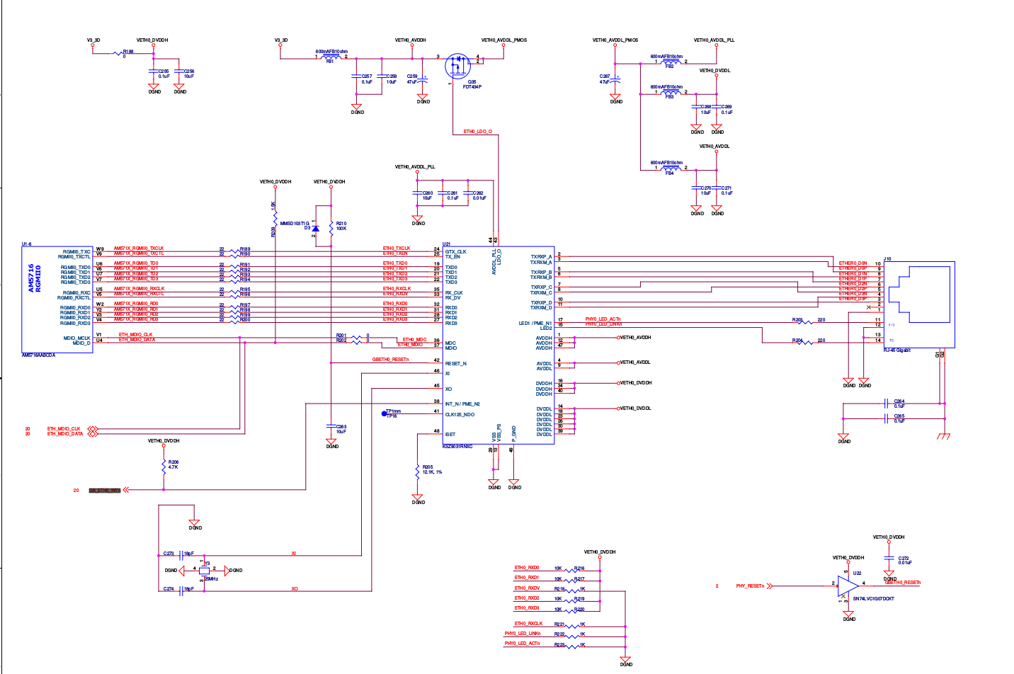
We have a custom boards based on AM5716 CPU. We are using RGMII0 only Gigabit Ethernet in our design. I am running ti-processor-sdk-linux-am57xx-evm-03.03.00.04, with Buildroot file-system. Part of the schematic is attached.
eth0 links is not getting ready.
# ethtool eth0
Settings for eth0:
Supported ports: [ TP MII ]
Supported link modes: 10baseT/Half 10baseT/Full
100baseT/Half 100baseT/Full
1000baseT/Half 1000baseT/Full
Supported pause frame use: Symmetric
Supports auto-negotiation: Yes
Advertised link modes: 10baseT/Half 10baseT/Full
100baseT/Half 100baseT/Full
1000baseT/Half 1000baseT/Full
Advertised pause frame use: Symmetric
Advertised auto-negotiation: Yes
Speed: 10Mb/s
Duplex: Half
Port: MII
PHYAD: 0
Transceiver: external
Auto-negotiation: on
Supports Wake-on: d
Wake-on: d
Current message level: 0x00000000 (0)
Link detected: no
Kernel Log:
[ 0.000000] Booting Linux on physical CPU 0x0
[ 0.000000] Initializing cgroup subsys cpuset
[ 0.000000] Initializing cgroup subsys cpu
[ 0.000000] Initializing cgroup subsys cpuacct
[ 0.000000] Linux version 4.4.41+ (vamshig@vamshig) (gcc version 5.3.1 20160113 (Linaro GCC 5.3-2016.02) ) #10 SMP PREEMPT Tue May 29 19:49:38 IST 2018
[ 0.000000] CPU: ARMv7 Processor [412fc0f2] revision 2 (ARMv7), cr=30c5387d
[ 0.000000] CPU: PIPT / VIPT nonaliasing data cache, PIPT instruction cache
[ 0.000000] Machine model: TI AM5718 IDK
[ 0.000000] Reserved memory: created CMA memory pool at 0x0000000095800000, size 56 MiB
[ 0.000000] Reserved memory: initialized node ipu2_cma@95800000, compatible id shared-dma-pool
[ 0.000000] Reserved memory: created CMA memory pool at 0x0000000099000000, size 64 MiB
[ 0.000000] Reserved memory: initialized node dsp1_cma@99000000, compatible id shared-dma-pool
[ 0.000000] Reserved memory: created CMA memory pool at 0x000000009d000000, size 32 MiB
[ 0.000000] Reserved memory: initialized node ipu1_cma@9d000000, compatible id shared-dma-pool
[ 0.000000] cma: Reserved 24 MiB at 0x00000000be400000
[ 0.000000] Forcing write-allocate cache policy for SMP
[ 0.000000] Memory policy: Data cache writealloc
[ 0.000000] OMAP4: Map 0x00000000bfd00000 to fe600000 for dram barrier
[ 0.000000] DRA722 ES2.0
[ 0.000000] PERCPU: Embedded 11 pages/cpu @ef647000 s14848 r8192 d22016 u45056
[ 0.000000] Built 1 zonelists in Zone order, mobility grouping on. Total pages: 210496
[ 0.000000] Kernel command line: console=ttyO2,115200n8 root=PARTUUID=f5a11d72-02 rw rootfstype=ext4 rootwait
[ 0.000000] PID hash table entries: 4096 (order: 2, 16384 bytes)
[ 0.000000] Dentry cache hash table entries: 131072 (order: 7, 524288 bytes)
[ 0.000000] Inode-cache hash table entries: 65536 (order: 6, 262144 bytes)
[ 0.000000] Memory: 649532K/848896K available (6599K kernel code, 361K rwdata, 2412K rodata, 336K init, 289K bss, 19140K reserved, 180224K cma-reserved, 234496K highmem)
[ 0.000000] Virtual kernel memory layout:
[ 0.000000] vector : 0xffff0000 - 0xffff1000 ( 4 kB)
[ 0.000000] fixmap : 0xffc00000 - 0xfff00000 (3072 kB)
[ 0.000000] vmalloc : 0xf0800000 - 0xff800000 ( 240 MB)
[ 0.000000] lowmem : 0xc0000000 - 0xf0000000 ( 768 MB)
[ 0.000000] pkmap : 0xbfe00000 - 0xc0000000 ( 2 MB)
[ 0.000000] modules : 0xbf000000 - 0xbfe00000 ( 14 MB)
[ 0.000000] .text : 0xc0008000 - 0xc08d5094 (9013 kB)
[ 0.000000] .init : 0xc08d6000 - 0xc092a000 ( 336 kB)
[ 0.000000] .data : 0xc092a000 - 0xc09845b0 ( 362 kB)
[ 0.000000] .bss : 0xc0986000 - 0xc09ce6c0 ( 290 kB)
[ 0.000000] SLUB: HWalign=64, Order=0-3, MinObjects=0, CPUs=1, Nodes=1
[ 0.000000] Preemptible hierarchical RCU implementation.
[ 0.000000] Build-time adjustment of leaf fanout to 32.
[ 0.000000] RCU restricting CPUs from NR_CPUS=2 to nr_cpu_ids=1.
[ 0.000000] RCU: Adjusting geometry for rcu_fanout_leaf=32, nr_cpu_ids=1
[ 0.000000] NR_IRQS:16 nr_irqs:16 16
[ 0.000000] ti_dt_clocks_register: failed to lookup clock node gmac_gmii_ref_clk_div
[ 0.000000] OMAP clockevent source: timer1 at 32786 Hz
[ 0.000000] Architected cp15 timer(s) running at 6.14MHz (phys).
[ 0.000000] clocksource: arch_sys_counter: mask: 0xffffffffffffff max_cycles: 0x16af5adb9, max_idle_ns: 440795202250 ns
[ 0.000005] sched_clock: 56 bits at 6MHz, resolution 162ns, wraps every 4398046511023ns
[ 0.000016] Switching to timer-based delay loop, resolution 162ns
[ 0.000330] clocksource: 32k_counter: mask: 0xffffffff max_cycles: 0xffffffff, max_idle_ns: 58327039986419 ns
[ 0.000338] OMAP clocksource: 32k_counter at 32768 Hz
[ 0.000740] Console: colour dummy device 80x30
[ 0.000755] WARNING: Your 'console=ttyO2' has been replaced by 'ttyS2'
[ 0.000761] This ensures that you still see kernel messages. Please
[ 0.000766] update your kernel commandline.
[ 0.000779] Calibrating delay loop (skipped), value calculated using timer frequency.. 12.29 BogoMIPS (lpj=61475)
[ 0.000792] pid_max: default: 32768 minimum: 301
[ 0.000887] Mount-cache hash table entries: 2048 (order: 1, 8192 bytes)
[ 0.000897] Mountpoint-cache hash table entries: 2048 (order: 1, 8192 bytes)
[ 0.001438] Initializing cgroup subsys io
[ 0.001455] Initializing cgroup subsys memory
[ 0.001480] Initializing cgroup subsys devices
[ 0.001493] Initializing cgroup subsys freezer
[ 0.001504] Initializing cgroup subsys perf_event
[ 0.001516] Initializing cgroup subsys pids
[ 0.001544] CPU: Testing write buffer coherency: ok
[ 0.001753] /cpus/cpu@0 missing clock-frequency property
[ 0.001765] CPU0: thread -1, cpu 0, socket 0, mpidr 80000000
[ 0.001797] Setting up static identity map for 0x800082c0 - 0x80008320
[ 0.050028] Brought up 1 CPUs
[ 0.050039] SMP: Total of 1 processors activated (12.29 BogoMIPS).
[ 0.050047] CPU: All CPU(s) started in HYP mode.
[ 0.050053] CPU: Virtualization extensions available.
[ 0.050360] devtmpfs: initialized
[ 0.080042] VFP support v0.3: implementor 41 architecture 4 part 30 variant f rev 0
[ 0.081068] omap_hwmod: l3_main_2 using broken dt data from ocp
[ 0.212857] omap_hwmod: gpu: _wait_target_ready failed: -16
[ 0.212870] omap_hwmod: gpu: cannot be enabled for reset (3)
[ 0.280696] clocksource: jiffies: mask: 0xffffffff max_cycles: 0xffffffff, max_idle_ns: 19112604462750000 ns
[ 0.293965] pinctrl core: initialized pinctrl subsystem
[ 0.294868] NET: Registered protocol family 16
[ 0.295789] DMA: preallocated 256 KiB pool for atomic coherent allocations
[ 0.320236] cpuidle: using governor ladder
[ 0.350260] cpuidle: using governor menu
[ 0.358642] OMAP GPIO hardware version 0.1
[ 0.365453] irq: no irq domain found for /ocp/l4@4a000000/scm@2000/pinmux@1400 !
[ 0.387940] hw-breakpoint: found 5 (+1 reserved) breakpoint and 4 watchpoint registers.
[ 0.387952] hw-breakpoint: maximum watchpoint size is 8 bytes.
[ 0.388448] omap4_sram_init:Unable to allocate sram needed to handle errata I688
[ 0.388459] omap4_sram_init:Unable to get sram pool needed to handle errata I688
[ 0.389066] OMAP DMA hardware revision 0.0
[ 0.470836] omap-dma-engine 4a056000.dma-controller: OMAP DMA engine driver (LinkedList1/2/3 supported)
[ 0.472022] edma 43300000.edma: memcpy is disabled
[ 0.476782] edma 43300000.edma: TI EDMA DMA engine driver
[ 0.480556] omap-iommu 40d01000.mmu: 40d01000.mmu registered
[ 0.480749] omap-iommu 40d02000.mmu: 40d02000.mmu registered
[ 0.480910] omap-iommu 58882000.mmu: 58882000.mmu registered
[ 0.481072] omap-iommu 55082000.mmu: 55082000.mmu registered
[ 0.483967] palmas 0-0058: Irq flag is 0x00000004
[ 0.502230] palmas 0-0058: Muxing GPIO 2f, PWM 0, LED 0
[ 0.584574] omap_i2c 48070000.i2c: bus 0 rev0.12 at 400 kHz
[ 0.584786] media: Linux media interface: v0.10
[ 0.584839] Linux video capture interface: v2.00
[ 0.584879] pps_core: LinuxPPS API ver. 1 registered
[ 0.584887] pps_core: Software ver. 5.3.6 - Copyright 2005-2007 Rodolfo Giometti <giometti@linux.it>
[ 0.584910] PTP clock support registered
[ 0.584954] EDAC MC: Ver: 3.0.0
[ 0.591290] omap-mailbox 4883c000.mailbox: omap mailbox rev 0x400
[ 0.591581] omap-mailbox 4883e000.mailbox: omap mailbox rev 0x400
[ 0.591869] omap-mailbox 48840000.mailbox: omap mailbox rev 0x400
[ 0.592053] omap-mailbox 48842000.mailbox: omap mailbox rev 0x400
[ 0.592408] Advanced Linux Sound Architecture Driver Initialized.
[ 0.593219] clocksource: Switched to clocksource arch_sys_counter
[ 0.603273] NET: Registered protocol family 2
[ 0.603786] TCP established hash table entries: 8192 (order: 3, 32768 bytes)
[ 0.603849] TCP bind hash table entries: 8192 (order: 4, 65536 bytes)
[ 0.603974] TCP: Hash tables configured (established 8192 bind 8192)
[ 0.604031] UDP hash table entries: 512 (order: 2, 16384 bytes)
[ 0.604061] UDP-Lite hash table entries: 512 (order: 2, 16384 bytes)
[ 0.604268] NET: Registered protocol family 1
[ 0.614569] RPC: Registered named UNIX socket transport module.
[ 0.614579] RPC: Registered udp transport module.
[ 0.614586] RPC: Registered tcp transport module.
[ 0.614592] RPC: Registered tcp NFSv4.1 backchannel transport module.
[ 0.615592] hw perfevents: enabled with armv7_cortex_a15 PMU driver, 7 counters available
[ 0.617954] futex hash table entries: 256 (order: 2, 16384 bytes)
[ 0.635652] squashfs: version 4.0 (2009/01/31) Phillip Lougher
[ 0.646331] NFS: Registering the id_resolver key type
[ 0.646360] Key type id_resolver registered
[ 0.646367] Key type id_legacy registered
[ 0.646436] ntfs: driver 2.1.32 [Flags: R/O].
[ 0.648660] bounce: pool size: 64 pages
[ 0.648821] Block layer SCSI generic (bsg) driver version 0.4 loaded (major 247)
[ 0.648840] io scheduler noop registered
[ 0.648852] io scheduler deadline registered
[ 0.648885] io scheduler cfq registered (default)
[ 0.651104] ldousb: supplied by VMAIN
[ 0.654530] pinctrl-single 4a003400.pinmux: 282 pins at pa fc003400 size 1128
[ 0.654651] pinctrl-single 4a002e8c.pinmux: 1 pins at pa fc002e8c size 4
[ 0.723155] Serial: 8250/16550 driver, 10 ports, IRQ sharing disabled
[ 0.726531] 4806c000.serial: ttyS1 at MMIO 0x4806c000 (irq = 299, base_baud = 3000000) is a 8250
[ 0.727474] console [ttyS2] disabled
[ 0.727522] 48020000.serial: ttyS2 at MMIO 0x48020000 (irq = 300, base_baud = 3000000) is a 8250
[ 1.585678] console [ttyS2] enabled
[ 1.590049] 48066000.serial: ttyS4 at MMIO 0x48066000 (irq = 301, base_baud = 3000000) is a 8250
[ 1.599745] 48068000.serial: ttyS5 at MMIO 0x48068000 (irq = 302, base_baud = 3000000) is a 8250
[ 1.609775] [drm] Initialized drm 1.1.0 20060810
[ 1.701815] loop: module loaded
[ 1.705472] Inside ricp_ctrl_probe
[ 1.713570] m25p80 spi32764.0: unrecognized JEDEC id bytes: 00, 0, 0
[ 1.721115] libphy: Fixed MDIO Bus: probed
[ 1.773251] davinci_mdio 48485000.mdio: davinci mdio revision 1.6
[ 1.779375] davinci_mdio 48485000.mdio: detected phy mask fffffffe
[ 1.797668] libphy: 48485000.mdio: probed
[ 1.801700] davinci_mdio 48485000.mdio: phy[0]: device 48485000.mdio:00, driver Micrel KSZ9031 Gigabit PHY
[ 1.811993] cpsw 48484000.ethernet: Detected MACID = 98:5d:ad:98:5e:be
[ 1.818700] cpsw 48484000.ethernet: cpts: overflow check period 800
[ 1.826681] mousedev: PS/2 mouse device common for all mice
[ 1.842735] i2c /dev entries driver
[ 1.848424] tmp102 0-0048: initialized
[ 1.855625] smps9: supplied by VMAIN
[ 1.859437] V3_3D: supplied by smps9
[ 1.863337] ldo1: supplied by VMAIN
[ 1.913714] omap_hsmmc 480b4000.mmc: no pinctrl state for sdr25 mode
[ 1.920097] omap_hsmmc 480b4000.mmc: no pinctrl state for sdr12 mode
[ 2.014195] ledtrig-cpu: registered to indicate activity on CPUs
[ 2.034983] NET: Registered protocol family 10
[ 2.053684] sit: IPv6 over IPv4 tunneling driver
[ 2.058869] NET: Registered protocol family 17
[ 2.073484] Key type dns_resolver registered
[ 2.077912] omap_voltage_late_init: Voltage driver support not added
[ 2.093792] Adding alias for supply vdd,cpu0 -> vdd,4a003b20.oppdm
[ 2.100001] Adding alias for supply vbb,cpu0 -> vbb,4a003b20.oppdm
[ 2.123707] Adding alias for supply vdd,cpu0 -> vdd,4a003b20.oppdm
[ 2.129916] Adding alias for supply vbb,cpu0 -> vbb,4a003b20.oppdm
[ 2.154265] Power Management for TI OMAP4+ devices.
[ 2.159408] Registering SWP/SWPB emulation handler
[ 2.179428] dmm 4e000000.dmm: initialized all PAT entries
[ 2.207985] hctosys: unable to open rtc device (rtc0)
[ 2.220313] mmc0: host does not support reading read-only switch, assuming write-enable
[ 2.234370] ALSA device list:
[ 2.237356] No soundcards found.
[ 2.241797] Waiting for root device PARTUUID=f5a11d72-02...
[ 2.247492] mmc0: new ultra high speed SDR25 SDXC card at address 59b4
[ 2.264564] mmcblk0: mmc0:59b4 AF SD 121 GiB
[ 2.270233] mmcblk0: p1 p2
[ 2.316904] mmc1: MAN_BKOPS_EN bit is not set
[ 2.324621] mmc1: new DDR MMC card at address 0001
[ 2.339904] mmcblk1: mmc1:0001 Q2J54A 3.64 GiB
[ 2.355216] mmcblk1boot0: mmc1:0001 Q2J54A partition 1 2.00 MiB
[ 2.371398] mmcblk1boot1: mmc1:0001 Q2J54A partition 2 2.00 MiB
[ 2.748833] EXT4-fs (mmcblk0p2): recovery complete
[ 2.759132] EXT4-fs (mmcblk0p2): mounted filesystem with ordered data mode. Opts: (null)
[ 2.767306] VFS: Mounted root (ext4 filesystem) on device 179:2.
[ 2.780137] devtmpfs: mounted
[ 2.783339] Freeing unused kernel memory: 336K (c08d6000 - c092a000)
[ 2.789719] This architecture does not have kernel memory protection.
[ 3.055565] systemd[1]: System time before build time, advancing clock.
[ 3.074831] random: systemd: uninitialized urandom read (16 bytes read, 15 bits of entropy available)
[ 3.100034] random: systemd: uninitialized urandom read (16 bytes read, 15 bits of entropy available)
[ 3.111678] systemd[1]: systemd 232 running in system mode. (-PAM -AUDIT -SELINUX -IMA -APPARMOR -SMACK +SYSVINIT +UTMP -LIBCRYPTSETUP -GCRYPT -GNUTLS -ACL -XZ -LZ4 -SECCOMP +BLKID -ELFUTILS +KMOD -IDN)
[ 3.130247] systemd[1]: Detected architecture arm.
Welcome to Buildroot 2017.02.8!
[ 3.154593] systemd[1]: Set hostname to <ricp-master>.
[ 3.231456] random: systemd-sysv-ge: uninitialized urandom read (16 bytes read, 16 bits of entropy available)
[ 3.247254] random: systemd-gpt-aut: uninitialized urandom read (16 bytes read, 16 bits of entropy available)
[ 3.264694] systemd-fstab-generator[74]: Ignoring "noauto" for root device
[ 3.274320] random: systemd-gpt-aut: uninitialized urandom read (16 bytes read, 16 bits of entropy available)
[ 3.386048] random: systemd: uninitialized urandom read (16 bytes read, 19 bits of entropy available)
[ 3.395503] random: systemd: uninitialized urandom read (16 bytes read, 19 bits of entropy available)
[ 3.405155] random: systemd: uninitialized urandom read (16 bytes read, 19 bits of entropy available)
[ 3.414876] random: systemd: uninitialized urandom read (16 bytes read, 19 bits of entropy available)
[ 3.441657] random: systemd: uninitialized urandom read (16 bytes read, 19 bits of entropy available)
[ 3.612703] systemd[1]: Listening on /dev/initctl Compatibility Named Pipe.
[ OK ] Listening on /dev/initctl Compatibility Named Pipe.
[ 3.643542] systemd[1]: Reached target Remote File Systems.
[ OK ] Reached target Remote File Systems.
[ 3.673711] systemd[1]: Started Dispatch Password Requests to Console Directory Watch.
[ OK ] Started Dispatch Password Requests to Console Directory Watch.
[ 3.703643] systemd[1]: Listening on udev Kernel Socket.
[ OK ] Listening on udev Kernel Socket.
[ 3.735023] systemd[1]: Created slice System Slice.
[ OK ] Created slice System Slice.
[ 3.765930] systemd[1]: Mounting POSIX Message Queue File System...
Mounting POSIX Message Queue File System...
[ 3.783953] systemd[1]: Created slice system-serial\x2dgetty.slice.
[ OK ] Created slice system-serial\x2dgetty.slice.
[ 3.813513] systemd[1]: dev-hugepages.mount: Couldn't determine result for ConditionVirtualization=!private-users, assuming failed: No such file or directory
[ 3.827819] systemd[1]: Reached target Slices.
[ OK ] Reached target Slices.
[ 3.854102] systemd[1]: Listening on Journal Socket.
[ OK ] Listening on Journal Socket.
[ 3.885852] systemd[1]: Starting Remount Root and Kernel File Systems...
Starting Remount Root and Kernel File Systems...
[ 3.916374] systemd[1]: Starting Create list of required static device nodes for the current kernel...
[ 3.950102] EXT4-fs (mmcblk0p2): re-mounted. Opts: (null)
Starting Create list of required st…ce nodes for the current kernel...
[ 3.983749] systemd[1]: Listening on Journal Socket (/dev/log).
[ OK ] Listening on Journal Socket (/dev/log).
[ 4.013746] systemd[1]: Started Forward Password Requests to Wall Directory Watch.
[ OK ] Started Forward Password Requests to Wall Directory Watch.
[ 4.043603] systemd[1]: Reached target Paths.
[ OK ] Reached target Paths.
[ 4.065934] systemd[1]: Mounting Debug File System...
Mounting Debug File System...
[ 4.095947] systemd[1]: Starting Journal Service...
Starting Journal Service...
[ 4.131124] systemd[1]: Starting Apply Kernel Variables...
Starting Apply Kernel Variables...
[ 4.164062] systemd[1]: Reached target Swap.
[ OK ] Reached target Swap.
[ 4.183713] systemd[1]: Listening on udev Control Socket.
[ OK ] Listening on udev Control Socket.
[ 4.213866] systemd[1]: Listening on Network Service Netlink Socket.
[ OK ] Listening on Network Service Netlink Socket.
[ 4.239824] systemd-journald[103]: File /var/log/journal/a510e2c93ea449fab4705a3444726b68/system.journal corrupted or uncleanly shut down, renaming and replacing.
[ 4.261919] systemd[1]: Mounted POSIX Message Queue File System.
[ OK ] Mounted POSIX Message Queue File System.
[ 4.293586] systemd[1]: Mounted Debug File System.
[ OK ] Mounted Debug File System.
[ 4.325142] systemd[1]: Started Remount Root and Kernel File Systems.
[ OK ] Started Remount Root and Kernel File Systems.
[ 4.363363] systemd[1]: Started Create list of required static device nodes for the current kernel.
[ OK ] Started Create list of required sta…vice nodes for the current kernel.
[ 4.405333] systemd[1]: Started Apply Kernel Variables.
[ OK ] Started Apply Kernel Variables.
[ 4.444255] systemd[1]: Started Journal Service.
[ OK ] Started Journal Service.
Starting Create Static Device Nodes in /dev...
Starting udev Coldplug all Devices...
Starting Flush Journal to Persistent Storage...
[ OK ] Started Create Static Device Nodes in /dev.
[ 4.613542] systemd-journald[103]: Received request to flush runtime journal from PID 1
Starting udev Kernel Device Manager...
[ OK ] Reached target Local File Systems (Pre).
Mounting /tmp...
[ OK ] Mounted /tmp.
[ OK ] Started Flush Journal to Persistent Storage.
[ OK ] Reached target Local File Systems.
Starting Create Volatile Files and Directories...
[ OK ] Started Create Volatile Files and Directories.
[ OK ] Started udev Kernel Device Manager.
Starting Update UTMP about System Boot/Shutdown...
Starting Network Time Synchronization...
[ OK ] Started Update UTMP about System Boot/Shutdown.
[ OK ] Started Network Time Synchronization.
[ OK ] Reached target System Time Synchronized.
[ 5.681761] omap-rproc 58820000.ipu: assigned reserved memory node ipu1_cma@9d000000
[ 5.803343] remoteproc0: 58820000.ipu is available
[ 5.808253] remoteproc0: Note: remoteproc is still under development and considered experimental.
[ 5.857423] remoteproc0: THE BINARY FORMAT IS NOT YET FINALIZED, and backward compatibility isn't yet guaranteed.
[ OK ] Found device /dev/ttyS2.
[ 5.932188] omap-rproc 55020000.ipu: assigned reserved memory node ipu2_cma@95800000
[ OK ] Started udev Coldplug all Devices.[ 5.984317] remoteproc1: 55020000.ipu is available
[ 6.001402] palmas-rtc 48070000.i2c:tps659038@58:tps659038_rtc: rtc core: registered 48070000.i2c:tps659 as rtc0
[ OK ] Reached target System Initialization.
[ 6.044994] remoteproc1: Note: remoteproc is still under development and considered experimental.
[ OK ] Listening on RPCbind Server Activation Socket.
[ 6.109859] remoteproc1: THE BINARY FORMAT IS NOT YET FINALIZED, and backward compatibility isn't yet guaranteed.
[ 6.121317] palmas-usb 48070000.i2c:tps659038@58:tps659038_usb: USB-HOST cable is attached
[ OK ] Listening on D-Bus System Message Bus Socket.
[ 6.149380] omap_rng 48090000.rng: OMAP Random Number Generator ver. 20
[ OK ] Reached target Sockets.[ 6.179462] omap-des 480a5000.des: OMAP DES hw accel rev: 2.2
[ OK ] Started Daily Cleanup of Temporary Directories.
[ OK ] Reached target Timers.
[ 6.224542] alg: skcipher: setkey failed on test 5 for ecb-des-omap: flags=100
[ 6.243652] alg: skcipher-ddst: setkey failed on test 5 for ecb-des-omap: flags=100
[ OK ] Reached target Basic System.
[ 6.263712] alg: skcipher-ddst: setkey failed on test 5 for ecb-des-omap: flags=100
[ OK ] Reached target Containers.
[ 6.287703] remoteproc0: registered virtio0 (type 7)
[ 6.308235] omap-rproc 40800000.dsp: assigned reserved memory node dsp1_cma@99000000
[ 6.325403] remoteproc2: 40800000.dsp is available
[ 6.330311] remoteproc2: Note: remoteproc is still under development and considered experimental.
[ OK ] Started Serial Getty on ttyS2.
[ 6.368636] remoteproc2: THE BINARY FORMAT IS NOT YET FINALIZED, and backward compatibility isn't yet guaranteed.
[ OK ] Started D-Bus System Message Bus.
[ 6.398719] omap_rtc 48838000.rtc: rtc core: registered 48838000.rtc as rtc1
[ 6.419530] **A**dwc3_omap_set_mailbox[241]:OMAP_DWC3_VBUS_VALID
[ 6.442133] **A**dwc3_omap_set_mailbox[241]:OMAP_DWC3_VBUS_VALID
[ 6.522097] vip 48970000.vip: loading firmware vpdma-1b8.bin
[ 6.563294] vip 48970000.vip: VPDMA firmware loaded
[ 6.599210] vpe 489d0000.vpe: loading firmware vpdma-1b8.bin
[ 6.623589] vpe 489d0000.vpe: Device registered as /dev/video0
[ 6.732651] SCSI subsystem initialized
[ 6.763715] omap_wdt: OMAP Watchdog Timer Rev 0x01: initial timeout 60 sec
[ 6.801559] ti-pruss 4b200000.pruss: creating PRU cores and other child platform devices
[ 6.829951] irq: no irq domain found for /ocp/pruss@4b200000/intc@4b220000 !
[ 6.848096] irq: no irq domain found for /ocp/pruss@4b200000/intc@4b220000 !
[ 6.855658] remoteproc1: registered virtio1 (type 7)
[ 6.923325] davinci_mdio 4b232400.mdio: davinci mdio revision 1.6
[ 6.941392] libphy: 4b232400.mdio: probed
[ 6.955817] omap-sham 4b101000.sham: hw accel on OMAP rev 4.3
Starting Network Service...
[ 7.626933] omap-aes 4b500000.aes: OMAP AES hw accel rev: 3.3
[ 7.815802] net eth0: initializing cpsw version 1.15 (0)
[ 7.826509] net eth0: initialized cpsw ale version 1.4
[ 7.831679] net eth0: ALE Table size 1024
[ OK ] Started Network Service.[ 7.857983] omap-aes 4b700000.aes: OMAP AES hw accel rev: 3.3
[ 7.906433] ti-pruss 4b280000.pruss: creating PRU cores and other child platform devices
[ 8.003301] davinci_mdio 4b2b2400.mdio: davinci mdio revision 1.6
[ 8.025726] net eth0: phy found : id is : 0x221622
[ 8.032313] libphy: 4b2b2400.mdio: probed
[ 8.061930] ahci 4a140000.sata: SSS flag set, parallel bus scan disabled
[ 8.098447] IPv6: ADDRCONF(NETDEV_UP): eth0: link is not ready
[ 8.105082] ahci 4a140000.sata: AHCI 0001.0300 32 slots 1 ports 3 Gbps 0x1 impl platform mode
[ 8.116310] remoteproc3: 4b234000.pru0 is available
[ 8.121304] remoteproc3: Note: remoteproc is still under development and considered experimental.
[ 8.170419] ahci 4a140000.sata: flags: 64bit ncq sntf stag pm led clo only pmp pio slum part ccc apst
[ 8.201756] remoteproc2: registered virtio2 (type 7)
[ 8.211888] remoteproc3: THE BINARY FORMAT IS NOT YET FINALIZED, and backward compatibility isn't yet guaranteed.
[ 8.264301] remoteproc0: powering up 58820000.ipu
[ 8.303571] pru-rproc 4b234000.pru0: PRU rproc node /ocp/pruss@4b200000/pru0@4b234000 probed successfully
[ 8.313263] scsi host0: ahci
[ 8.316505] ata1: SATA max UDMA/133 mmio [mem 0x4a140000-0x4a1410ff] port 0x100 irq 347
[ 8.346971] remoteproc0: Booting fw image dra7-ipu1-fw.xem4, size 4890352
[ 8.368943] remoteproc4: 4b238000.pru1 is available
[ 8.383709] omap-iommu 58882000.mmu: 58882000.mmu: version 2.1
[ 8.389660] remoteproc4: Note: remoteproc is still under development and considered experimental.
[ 8.429361] remoteproc0: remote processor 58820000.ipu is now up
[ 8.436196] remoteproc4: THE BINARY FORMAT IS NOT YET FINALIZED, and backward compatibility isn't yet guaranteed.
[ 8.473978] virtio_rpmsg_bus virtio0: rpmsg host is online
[ 8.479536] virtio_rpmsg_bus virtio0: creating channel rpmsg-client-sample addr 0x32
[ 8.488629] pru-rproc 4b238000.pru1: PRU rproc node /ocp/pruss@4b200000/pru1@4b238000 probed successfully
[ 8.503667] virtio_rpmsg_bus virtio0: creating channel rpmsg-client-sample addr 0x33
[ 8.512664] remoteproc1: powering up 55020000.ipu
[ 8.533601] remoteproc5: 4b2b4000.pru0 is available
[ 8.538594] remoteproc5: Note: remoteproc is still under development and considered experimental.
[ 8.553086] remoteproc1: Booting fw image dra7-ipu2-fw.xem4, size 3743116
[ 8.560438] virtio_rpmsg_bus virtio0: creating channel rpmsg-omx addr 0x3c
[ 8.593941] virtio_rpmsg_bus virtio0: creating channel rpmsg-rpc addr 0x65
[ 8.601231] omap-iommu 55082000.mmu: 55082000.mmu: version 2.1
[ 8.608803] remoteproc5: THE BINARY FORMAT IS NOT YET FINALIZED, and backward compatibility isn't yet guaranteed.
[ 8.653496] pru-rproc 4b2b4000.pru0: PRU rproc node /ocp/pruss@4b280000/pru0@4b2b4000 probed successfully
[ 8.693618] remoteproc6: 4b2b8000.pru1 is available
[ 8.698613] remoteproc6: Note: remoteproc is still under development and considered experimental.
[ 8.713310] ata1: SATA link down (SStatus 0 SControl 300)
[ 8.763298] remoteproc6: THE BINARY FORMAT IS NOT YET FINALIZED, and backward compatibility isn't yet guaranteed.
[ 8.803453] pru-rproc 4b2b8000.pru1: PRU rproc node /ocp/pruss@4b280000/pru1@4b2b8000 probed successfully
[ 8.853994] prueth pruss2_eth: port 1: using random MAC addr: 2e:c5:cb:b4:d0:b1
[ 8.861373] prueth pruss2_eth: couldn't connect to phy /ocp/pruss@4b280000/mdio@4b2b2400/ethernet-phy@0
[ 8.905915] remoteproc1: remote processor 55020000.ipu is now up
[ 8.923270] prueth pruss2_eth: netdev init ethernet-mii0 failed: -19
[ 8.929814] prueth pruss2_eth: port 2: using random MAC addr: 86:55:3c:01:36:76
[ 8.943731] virtio_rpmsg_bus virtio1: rpmsg host is online
[ 8.949280] virtio_rpmsg_bus virtio1: creating channel rpmsg-rpc addr 0x65
[ 8.974000] virtio_rpmsg_bus virtio1: creating channel rpmsg-rpc addr 0x66
[ 8.993354] prueth pruss2_eth: couldn't connect to phy /ocp/pruss@4b280000/mdio@4b2b2400/ethernet-phy@1
[ 9.002808] prueth pruss2_eth: netdev init ethernet-mii1 failed: -19
[ 9.014212] remoteproc2: powering up 40800000.dsp
[ 9.063586] prueth pruss2_eth: TI PRU ethernet driver initialized
[ 9.090983] prueth pruss1_eth: port 1: using random MAC addr: ea:04:4a:8a:76:88
[ 9.133372] prueth pruss1_eth: couldn't connect to phy /ocp/pruss@4b200000/mdio@4b232400/ethernet-phy@0
[ 9.142828] prueth pruss1_eth: netdev init ethernet-mii0 failed: -19
[ 9.164031] remoteproc2: Booting fw image dra7-dsp1-fw.xe66, size 21914156
[ 9.178222] omap_hwmod: mmu0_dsp1: _wait_target_disable failed
[ 9.184118] omap-iommu 40d01000.mmu: 40d01000.mmu: version 3.0
[ 9.190076] omap-iommu 40d02000.mmu: 40d02000.mmu: version 3.0
[ 9.213430] prueth pruss1_eth: port 2: using random MAC addr: aa:98:6b:c6:2b:b7
[ 9.220807] prueth pruss1_eth: couldn't connect to phy /ocp/pruss@4b200000/mdio@4b232400/ethernet-phy@1
[ 9.273744] prueth pruss1_eth: netdev init ethernet-mii1 failed: -19
[ 9.280386] prueth pruss1_eth: TI PRU ethernet driver initialized
[ 9.327472] remoteproc2: remote processor 40800000.dsp is now up
[ 9.363994] virtio_rpmsg_bus virtio2: rpmsg host is online
[ 9.369544] virtio_rpmsg_bus virtio2: creating channel rpmsg-proto addr 0x3d
[ 9.404768] rpmsg_rpc rpmsg3: probing service rpc_example_2 with src 1024 dst 101
[ 9.414908] NET: Registered protocol family 41
[ 9.443790] rpmsg_rpc rpmsg4: probing service dce-callback with src 1024 dst 101
[ 9.451255] rpmsg_rpc rpmsg3: published functions = 8
[ 9.464313] rpmsg_rpc rpmsg5: probing service rpmsg-dce with src 1025 dst 102
[ 9.471645] rpmsg_rpc rpmsg4: published functions = 4
[ 9.494912] rpmsg_rpc rpmsg5: published functions = 9
[ OK ] Reached target Network.
Starting Dropbear SSH daemon...
Starting Network Name Resolution...
[ OK ] Started Dropbear SSH daemon.
[ 9.746322] usbcore: registered new interface driver usbfs
[ 9.756647] usbcore: registered new interface driver hub
[ 9.769842] usbcore: registered new device driver usb
[ 9.806206] xhci-hcd xhci-hcd.0.auto: xHCI Host Controller
[ 9.811746] xhci-hcd xhci-hcd.0.auto: new USB bus registered, assigned bus number 1
[ 9.822288] xhci-hcd xhci-hcd.0.auto: hcc params 0x0220f04c hci version 0x100 quirks 0x00210010
[ 9.839385] xhci-hcd xhci-hcd.0.auto: irq 435, io mem 0x48890000
[ OK ] Started Network Name Resolution.[ 9.848475] hub 1-0:1.0: USB hub found
[ 9.856849] hub 1-0:1.0: 1 port detected
[ 9.861191] xhci-hcd xhci-hcd.0.auto: xHCI Host Controller
[ 9.868565] xhci-hcd xhci-hcd.0.auto: new USB bus registered, assigned bus number 2
[ 9.876976] usb usb2: We don't know the algorithms for LPM for this host, disabling LPM.
[ 9.886938] hub 2-0:1.0: USB hub found
[ 9.890741] hub 2-0:1.0: 1 port detected
[ 9.896603] dwc3 488d0000.usb: otg: primary host xhci-hcd.1.auto registered
[ 9.904319] dwc3 488d0000.usb: otg: shared host xhci-hcd.1.auto registered
[ 9.911229] dwc3 488d0000.usb: otg: can't start till gadget registers
[ 10.173244] usb 1-1: new high-speed USB device number 2 using xhci-hcd
[ 10.213307] usb 2-1: new SuperSpeed USB device number 2 using xhci-hcd
[ 10.245184] hub 2-1:1.0: USB hub found
[ 10.249367] hub 2-1:1.0: 4 ports detected
[ 10.325179] hub 1-1:1.0: USB hub found
[ 10.329353] hub 1-1:1.0: 4 ports detected
1) I have changed the slave to 1 for mac and I do not need PRU-ICSS is my understanding, please help me what could be the reason ?
