Tool/software: Linux
Dear TI expert,
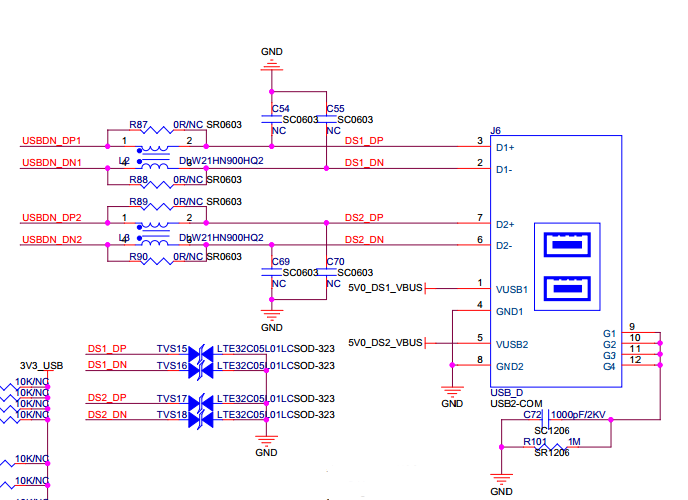
On our board,we used the usb hub chip 2514 to separate two usb ports. 2514 is connected to USB0. When I plug in the USB flash drive and pull out when a line appears, or plugged frequently,the following print message will appear all the time.
[ 127.000885] musb-hdrc musb-hdrc.0.auto: otg: usb_otg_kick_fsm: invalid host/gadget device
[ 127.120767] usb 1-1: new high-speed USB device number 2 using musb-hdrc
[ 127.580803] musb-hdrc musb-hdrc.0.auto: otg: usb_otg_kick_fsm: invalid host/gadget device
[ 127.700783] usb 1-1: new high-speed USB device number 3 using musb-hdrc
[ 128.160817] musb-hdrc musb-hdrc.0.auto: otg: usb_otg_kick_fsm: invalid host/gadget device
[ 128.281002] usb 1-1: new high-speed USB device number 4 using musb-hdrc
[ 128.700920] musb-hdrc musb-hdrc.0.auto: otg: usb_otg_kick_fsm: invalid host/gadget device
[ 128.820803] usb 1-1: new high-speed USB device number 5 using musb-hdrc
[ 129.350844] musb-hdrc musb-hdrc.0.auto: otg: usb_otg_kick_fsm: invalid host/gadget device
[ 129.470783] usb 1-1: new high-speed USB device number 6 using musb-hdrc
[ 129.930848] musb-hdrc musb-hdrc.0.auto: otg: usb_otg_kick_fsm: invalid host/gadget device
[ 130.051048] usb 1-1: new high-speed USB device number 7 using musb-hdrc
[ 130.510970] musb-hdrc musb-hdrc.0.auto: otg: usb_otg_kick_fsm: invalid host/gadget device
[ 130.630788] usb 1-1: new high-speed USB device number 8 using musb-hdrc
[ 131.050864] musb-hdrc musb-hdrc.0.auto: otg: usb_otg_kick_fsm: invalid host/gadget device
[ 131.170766] usb 1-1: new high-speed USB device number 9 using musb-hdrc
[ 131.700874] musb-hdrc musb-hdrc.0.auto: otg: usb_otg_kick_fsm: invalid host/gadget device
the process is am335x,the kernel is 3.14.43. and I found 3.2.0 do not have this problem. we would not update to the latest SDK, Is there a patch for this problem?




