Part Number: DM385
Tool/software: Linux
Hi SIr
We used DM385 with SDK 3.5.0. (Kernel 2.6.37).
We found SDcard Detection issue in some vendor sdcards (especially 32G).
below is the failed log message
mmc0: req done (CMD0): 0: 00000000 00000000 00000000 00000000
mmc0: clock 400000Hz busmode 1 powermode 2 cs 0 Vdd 7 width 0 timing 0
mmc0: starting CMD8 arg 000000aa flags 000002f5
mmci-omap-hs mmci-omap-hs.0: mmc0: CMD8, argument 0x000000aa
mmci-omap-hs mmci-omap-hs.0: IRQ Status is 18000
mmci-omap-hs mmci-omap-hs.0: MMC IRQ 0x18000 : ERRI CTO
mmc0: req done (CMD8): -110: 00000000 00000000 00000000 00000000
mmc0: starting CMD5 arg 00000000 flags 000002e1
mmci-omap-hs mmci-omap-hs.0: mmc0: CMD5, argument 0x00000000
mmci-omap-hs mmci-omap-hs.0: IRQ Status is 18000
mmci-omap-hs mmci-omap-hs.0: MMC IRQ 0x18000 : ERRI CTO
mmc0: req failed (CMD5): -110, retrying...
mmci-omap-hs mmci-omap-hs.0: mmc0: CMD5, argument 0x00000000
mmci-omap-hs mmci-omap-hs.0: IRQ Status is 18000
mmci-omap-hs mmci-omap-hs.0: MMC IRQ 0x18000 : ERRI CTO
mmc0: req failed (CMD5): -110, retrying...
mmci-omap-hs mmci-omap-hs.0: mmc0: CMD5, argument 0x00000000
mmci-omap-hs mmci-omap-hs.0: IRQ Status is 18000
mmci-omap-hs mmci-omap-hs.0: MMC IRQ 0x18000 : ERRI CTO
mmc0: req failed (CMD5): -110, retrying...
mmci-omap-hs mmci-omap-hs.0: mmc0: CMD5, argument 0x00000000
mmci-omap-hs mmci-omap-hs.0: IRQ Status is 18000
mmci-omap-hs mmci-omap-hs.0: MMC IRQ 0x18000 : ERRI CTO
mmc0: req done (CMD5): -110: 00000000 00000000 00000000 00000000
mmc0: starting CMD55 arg 00000000 flags 000000f5
mmci-omap-hs mmci-omap-hs.0: mmc0: CMD55, argument 0x00000000
mmci-omap-hs mmci-omap-hs.0: IRQ Status is 18000
mmci-omap-hs mmci-omap-hs.0: MMC IRQ 0x18000 : ERRI CTO
mmc0: req done (CMD55): -110: 00000000 00000000 00000000 00000000
mmc0: starting CMD55 arg 00000000 flags 000000f5
mmci-omap-hs mmci-omap-hs.0: mmc0: CMD55, argument 0x00000000
mmci-omap-hs mmci-omap-hs.0: IRQ Status is 18000
mmci-omap-hs mmci-omap-hs.0: MMC IRQ 0x18000 : ERRI CTO
mmc0: req done (CMD55): -110: 00000000 00000000 00000000 00000000
mmc0: starting CMD55 arg 00000000 flags 000000f5
mmci-omap-hs mmci-omap-hs.0: mmc0: CMD55, argument 0x00000000
mmci-omap-hs mmci-omap-hs.0: IRQ Status is 18000
mmci-omap-hs mmci-omap-hs.0: MMC IRQ 0x18000 : ERRI CTO
mmc0: req done (CMD55): -110: 00000000 00000000 00000000 00000000
mmc0: starting CMD55 arg 00000000 flags 000000f5
mmci-omap-hs mmci-omap-hs.0: mmc0: CMD55, argument 0x00000000
mmci-omap-hs mmci-omap-hs.0: IRQ Status is 18000
mmci-omap-hs mmci-omap-hs.0: MMC IRQ 0x18000 : ERRI CTO
mmc0: req done (CMD55): -110: 00000000 00000000 00000000 00000000
mmc0: starting CMD1 arg 00000000 flags 000000e1
mmci-omap-hs mmci-omap-hs.0: mmc0: CMD1, argument 0x00000000
mmci-omap-hs mmci-omap-hs.0: IRQ Status is 18000
mmci-omap-hs mmci-omap-hs.0: MMC IRQ 0x18000 : ERRI CTO
mmc0: req done (CMD1): -110: 00000000 00000000 00000000 00000000
mmc0: clock 0Hz busmode 1 powermode 0 cs 0 Vdd 0 width 0 timing 0
mmci-omap-hs mmci-omap-hs.0: mmc_fclk: disabled
mmci-omap-hs mmci-omap-hs.0: mmc_fclk: enabled
mmci-omap-hs mmci-omap-hs.0: context was not lost
mmci-omap-hs mmci-omap-hs.1: mmc_fclk: enabled
mmci-omap-hs mmci-omap-hs.1: context was not lost
mmci-omap-hs mmci-omap-hs.1: mmc_fclk: disabled
mmci-omap-hs mmci-omap-hs.1: mmc_fclk: enabled
mmci-omap-hs mmci-omap-hs.1: context was not lost
mmc1: mmc_rescan: trying to init card at 400000 Hz
mmc1: clock 0Hz busmode 1 powermode 1 cs 0 Vdd 21 width 0 timing 0
mmc1: clock 400000Hz busmode 1 powermode 2 cs 0 Vdd 21 width 0 timing 0
mmc1: starting CMD52 arg 00000c00 flags 00000195
mmci-omap-hs mmci-omap-hs.1: mmc1: CMD52, argument 0x00000c00
mmci-omap-hs mmci-omap-hs.1: IRQ Status is 18000
mmci-omap-hs mmci-omap-hs.1: MMC IRQ 0x18000 : ERRI CTO
mmc1: req done (CMD52): -110: 00000000 00000000 00000000 00000000
mmc1: starting CMD52 arg 80000c08 flags 00000195
mmci-omap-hs mmci-omap-hs.1: mmc1: CMD52, argument 0x80000c08
mmci-omap-hs mmci-omap-hs.1: IRQ Status is 18000
mmci-omap-hs mmci-omap-hs.1: MMC IRQ 0x18000 : ERRI CTO
mmc1: req done (CMD52): -110: 00000000 00000000 00000000 00000000
mmc1: clock 400000Hz busmode 1 powermode 2 cs 1 Vdd 21 width 0 timing 0
mmc1: starting CMD0 arg 00000000 flags 000000c0
mmci-omap-hs mmci-omap-hs.1: mmc1: CMD0, argument 0x00000000
mmci-omap-hs mmci-omap-hs.1: IRQ Status is 1
mmc1: req done (CMD0): 0: 00000000 00000000 00000000 00000000
mmc1: clock 400000Hz busmode 1 powermode 2 cs 0 Vdd 21 width 0 timing 0
mmc1: starting CMD8 arg 000001aa flags 000002f5
mmci-omap-hs mmci-omap-hs.1: mmc1: CMD8, argument 0x000001aa
mmci-omap-hs mmci-omap-hs.1: IRQ Status is 1
mmc1: req done (CMD8): 0: 000001aa 00000000 00000000 00000000
mmc1: starting CMD5 arg 00000000 flags 000002e1
mmci-omap-hs mmci-omap-hs.1: mmc1: CMD5, argument 0x00000000
mmci-omap-hs mmci-omap-hs.1: IRQ Status is 18000
mmci-omap-hs mmci-omap-hs.1: MMC IRQ 0x18000 : ERRI CTO
mmc1: req failed (CMD5): -110, retrying...
mmci-omap-hs mmci-omap-hs.1: mmc1: CMD5, argument 0x00000000
mmci-omap-hs mmci-omap-hs.1: IRQ Status is 18000
mmci-omap-hs mmci-omap-hs.1: MMC IRQ 0x18000 : ERRI CTO
mmc1: req failed (CMD5): -110, retrying...
mmci-omap-hs mmci-omap-hs.1: mmc1: CMD5, argument 0x00000000
mmci-omap-hs mmci-omap-hs.1: IRQ Status is 18000
mmci-omap-hs mmci-omap-hs.1: MMC IRQ 0x18000 : ERRI CTO
mmc1: req failed (CMD5): -110, retrying...
mmci-omap-hs mmci-omap-hs.1: mmc1: CMD5, argument 0x00000000
mmci-omap-hs mmci-omap-hs.1: IRQ Status is 18000
mmci-omap-hs mmci-omap-hs.1: MMC IRQ 0x18000 : ERRI CTO
mmc1: req done (CMD5): -110: 00000000 00000000 00000000 00000000
mmc1: starting CMD55 arg 00000000 flags 000000f5
mmci-omap-hs mmci-omap-hs.1: mmc1: CMD55, argument 0x00000000
mmci-omap-hs mmci-omap-hs.1: IRQ Status is 1
mmc1: req done (CMD55): 0: 00400120 00000000 00000000 00000000
mmc1: starting CMD41 arg 00000000 flags 000000e1
mmci-omap-hs mmci-omap-hs.1: mmc1: CMD41, argument 0x00000000
mmci-omap-hs mmci-omap-hs.1: IRQ Status is 1
mmc1: req done (CMD41): 0: 00ff8000 00000000 00000000 00000000
mmc1: clock 400000Hz busmode 1 powermode 2 cs 0 Vdd 21 width 0 timing 0
mmc1: clock 400000Hz busmode 1 powermode 2 cs 1 Vdd 21 width 0 timing 0
mmc1: starting CMD0 arg 00000000 flags 000000c0
mmci-omap-hs mmci-omap-hs.1: mmc1: CMD0, argument 0x00000000
mmci-omap-hs mmci-omap-hs.1: IRQ Status is 1
mmc1: req done (CMD0): 0: 00000000 00000000 00000000 00000000
mmc1: clock 400000Hz busmode 1 powermode 2 cs 0 Vdd 21 width 0 timing 0
mmc1: starting CMD8 arg 000001aa flags 000002f5
mmci-omap-hs mmci-omap-hs.1: mmc1: CMD8, argument 0x000001aa
mmci-omap-hs mmci-omap-hs.1: IRQ Status is 1
mmc1: req done (CMD8): 0: 000001aa 00000000 00000000 00000000
mmc1: starting CMD55 arg 00000000 flags 000000f5
mmci-omap-hs mmci-omap-hs.1: mmc1: CMD55, argument 0x00000000
mmci-omap-hs mmci-omap-hs.1: IRQ Status is 1
mmc1: req done (CMD55): 0: 00000120 00000000 00000000 00000000
mmc1: starting CMD41 arg 40200000 flags 000000e1
mmci-omap-hs mmci-omap-hs.1: mmc1: CMD41, argument 0x40200000
mmci-omap-hs mmci-omap-hs.1: IRQ Status is 1
mmc1: req done (CMD41): 0: 00ff8000 00000000 00000000 00000000
mmc1: starting CMD55 arg 00000000 flags 000000f5
mmci-omap-hs mmci-omap-hs.1: mmc1: CMD55, argument 0x00000000
mmci-omap-hs mmci-omap-hs.1: IRQ Status is 1
mmc1: req done (CMD55): 0: 00000120 00000000 00000000 00000000
mmc1: starting CMD41 arg 40200000 flags 000000e1
mmci-omap-hs mmci-omap-hs.1: mmc1: CMD41, argument 0x40200000
mmci-omap-hs mmci-omap-hs.1: IRQ Status is 1
mmc1: req done (CMD41): 0: c0ff8000 00000000 00000000 00000000
mmc1: starting CMD2 arg 00000000 flags 00000067
mmci-omap-hs mmci-omap-hs.1: mmc1: CMD2, argument 0x00000000
mmci-omap-hs mmci-omap-hs.1: IRQ Status is 1
mmc1: req done (CMD2): 0: 1d414453 44202020 10b05188 390128d1
mmc1: starting CMD3 arg 00000000 flags 00000075
mmci-omap-hs mmci-omap-hs.1: mmc1: CMD3, argument 0x00000000
mmci-omap-hs mmci-omap-hs.1: IRQ Status is 1
mmc1: req done (CMD3): 0: 59b40520 00000000 00000000 00000000
mmc1: clock 400000Hz busmode 2 powermode 2 cs 0 Vdd 21 width 0 timing 0
mmc1: starting CMD9 arg 59b40000 flags 00000007
mmci-omap-hs mmci-omap-hs.1: mmc1: CMD9, argument 0x59b40000
mmci-omap-hs mmci-omap-hs.1: IRQ Status is 1
mmc1: req done (CMD9): 0: 400e0032 5b590000 eb817f80 0a4000c1
mmc1: starting CMD7 arg 59b40000 flags 00000015
mmci-omap-hs mmci-omap-hs.1: mmc1: CMD7, argument 0x59b40000
mmci-omap-hs mmci-omap-hs.1: IRQ Status is 1
mmc1: req done (CMD7): 0: 00000700 00000000 00000000 00000000
mmc1: starting CMD55 arg 59b40000 flags 00000095
mmci-omap-hs mmci-omap-hs.1: mmc1: CMD55, argument 0x59b40000
mmci-omap-hs mmci-omap-hs.1: IRQ Status is 1
mmc1: req done (CMD55): 0: 00000920 00000000 00000000 00000000
mmc1: starting CMD51 arg 00000000 flags 000000b5
mmc1: blksz 8 blocks 1 flags 00000200 tsac 100 ms nsac 0
mmci-omap-hs mmci-omap-hs.1: mmc1: CMD51, argument 0x00000000
mmci-omap-hs mmci-omap-hs.1: IRQ Status is 1
SysLink version : 2.20.02.20
SysLink module created on Date:Jul 24 2018 Time:19:33:44
Trace enabled
Trace SetFailureReason enabled
NET: Registered protocol family 1
usbcore: registered new interface driver usbfs
usbcore: registered new interface driver hub
usbcore: registered new device driver usb
usbcore: registered new interface driver smsc95xx
usbcore: registered new interface driver cdc_eem
usbcore: registered new interface driver cdc_ether
usbcore: registered new interface driver usbserial
usbserial: USB Serial Driver core
USB Serial support registered for GSM modem (1-port)
usbcore: registered new interface driver option
option: v0.7.2:USB Driver for GSM modems
SCSI subsystem initialized
usbcore: registered new interface driver cdc_acm
cdc_acm: v0.26:USB Abstract Control Model driver for USB modems and ISDN adapters
musb-hdrc: version 6.0, host, debug=0
USBSS revision 4ea2080b
registerd cppi-dma Intr @ IRQ 17
Cppi41 Init Done
musb-hdrc musb-hdrc.0: dma type: dma-cppi41
MUSB controller-0 revision 4ea20800
usb2phy: computed values rxcalib(15)DACs(27 14 15)
usb2phy: override computed values rxcalib(15)DACs(27 14 15)
usb2phy_config: musb(0) rxcalib done, rxcalib read value 6f6ddd7e
TxFifo Empty intr enabled
musb-hdrc: ConfigData=0xde (UTMI-8, dyn FIFOs, bulk combine, bulk split, HB-ISO Rx, HB-ISO Tx, SoftConn)
musb-hdrc: MHDRC RTL version 2.0
musb-hdrc: setup fifo_mode 4
musb-hdrc: 28/31 max ep, 16384/16384 memory
musb-hdrc musb-hdrc.0: MUSB HDRC host driver
musb-hdrc musb-hdrc.0: new USB bus registered, assigned bus number 1
hub 1-0:1.0: USB hub found
hub 1-0:1.0: 1 port detected
musb-hdrc musb-hdrc.0: USB Host mode controller at c9bde000 using DMA, IRQ 18
musb-hdrc musb-hdrc.1: dma type: dma-cppi41
MUSB controller-1 revision 4ea20800
usb2phy: computed values rxcalib(15)DACs(35 14 12)
usb2phy: override computed values rxcalib(15)DACs(35 14 12)
usb2phy_config: musb(1) rxcalib done, rxcalib read value 6f71dd66
TxFifo Empty intr enabled
musb-hdrc: ConfigData=0xde (UTMI-8, dyn FIFOs, bulk combine, bulk split, HB-ISO Rx, HB-ISO Tx, SoftConn)
musb-hdrc: MHDRC RTL version 2.0
musb-hdrc: setup fifo_mode 4
musb-hdrc: 28/31 max ep, 16384/16384 memory
musb-hdrc musb-hdrc.1: MUSB HDRC host driver
musb-hdrc musb-hdrc.1: new USB bus registered, assigned bus number 2
hub 2-0:1.0: USB hub found
hub 2-0:1.0: 1 port detected
musb-hdrc musb-hdrc.1: USB Host mode controller at c9be8800 using DMA, IRQ 19
usbcore: registered new interface driver simcom_wwan
nf_conntrack version 0.5.0 (1701 buckets, 6804 max)
ip_tables: (C) 2000-2006 Netfilter Core Team
NET: Registered protocol family 10
lib80211: common routines for IEEE802.11 drivers
lib80211_crypt: registered algorithm 'NULL'
lib80211_crypt: registered algorithm 'WEP'
lib80211_crypt: registered algorithm 'CCMP'
lib80211_crypt: registered algorithm 'TKIP'
NET: Registered protocol family 17
Registering the dns_resolver key type
usb 1-1: new high speed USB device using musb-hdrc and address 2
option 1-1:1.0: GSM modem (1-port) converter detected
usb 1-1: GSM modem (1-port) converter now attached to ttyUSB0
option 1-1:1.1: GSM modem (1-port) converter detected
usb 1-1: GSM modem (1-port) converter now attached to ttyUSB1
option 1-1:1.2: GSM modem (1-port) converter detected
usb 1-1: GSM modem (1-port) converter now attached to ttyUSB2
option 1-1:1.3: GSM modem (1-port) converter detected
usb 1-1: GSM modem (1-port) converter now attached to ttyUSB3
option 1-1:1.4: GSM modem (1-port) converter detected
usb 1-1: GSM modem (1-port) converter now attached to ttyUSB4
simcom usbnet bind here
simcom_wwan 1-1:1.5: wwan0: register 'simcom_wwan' at usb-musb-hdrc.0-1, SIMCOM wwan/QMI device, 9a:65:61:87:e4:fe
hub 2-0:1.0: over-current change on port 1
Loading modules backported from Linux version fdfe1d5
Backport generated by backports.git fdfe1d5
cfg80211: Calling CRDA to update world regulatory domain
wlcore_sdio: disagrees about version of symbol sdio_release_host
wlcore_sdio: Unknown symbol sdio_release_host (err -22)
wlcore_sdio: disagrees about version of symbol sdio_disable_func
wlcore_sdio: Unknown symbol sdio_disable_func (err -22)
wlcore_sdio: disagrees about version of symbol sdio_set_block_size
wlcore_sdio: Unknown symbol sdio_set_block_size (err -22)
wlcore_sdio: disagrees about version of symbol sdio_claim_host
wlcore_sdio: Unknown symbol sdio_claim_host (err -22)
wlcore_sdio: disagrees about version of symbol sdio_memcpy_fromio
wlcore_sdio: Unknown symbol sdio_memcpy_fromio (err -22)
wlcore_sdio: disagrees about version of symbol sdio_register_driver
wlcore_sdio: Unknown symbol sdio_register_driver (err -22)
wlcore_sdio: disagrees about version of symbol sdio_memcpy_toio
wlcore_sdio: Unknown symbol sdio_memcpy_toio (err -22)
wlcore_sdio: disagrees about version of symbol mmc_power_restore_host
wlcore_sdio: Unknown symbol mmc_power_restore_host (err -22)
wlcore_sdio: disagrees about version of symbol mmc_power_save_host
wlcore_sdio: Unknown symbol mmc_power_save_host (err -22)
wlcore_sdio: disagrees about version of symbol sdio_f0_readb
wlcore_sdio: Unknown symbol sdio_f0_readb (err -22)
wlcore_sdio: disagrees about version of symbol sdio_set_host_pm_flags
wlcore_sdio: Unknown symbol sdio_set_host_pm_flags (err -22)
wlcore_sdio: disagrees about version of symbol sdio_f0_writeb
wlcore_sdio: Unknown symbol sdio_f0_writeb (err -22)
wlcore_sdio: disagrees about version of symbol sdio_unregister_driver
wlcore_sdio: Unknown symbol sdio_unregister_driver (err -22)
wlcore_sdio: disagrees about version of symbol sdio_readsb
wlcore_sdio: Unknown symbol sdio_readsb (err -22)
wlcore_sdio: disagrees about version of symbol sdio_get_host_pm_caps
wlcore_sdio: Unknown symbol sdio_get_host_pm_caps (err -22)
wlcore_sdio: disagrees about version of symbol sdio_enable_func
wlcore_sdio: Unknown symbol sdio_enable_func (err -22)
wlcore_sdio: disagrees about version of symbol sdio_writesb
wlcore_sdio: Unknown symbol sdio_writesb (err -22)
cfg80211: World regulatory domain updated:
cfg80211: DFS Master region: unset
cfg80211: (start_freq - end_freq @ bandwidth), (max_antenna_gain, max_eirp), (dfs_cac_time)
cfg80211: (2402000 KHz - 2472000 KHz @ 40000 KHz), (N/A, 2000 mBm), (N/A)
cfg80211: (2457000 KHz - 2482000 KHz @ 40000 KHz), (N/A, 2000 mBm), (N/A)
MKV_REC : Card not mounted
MKV_REC ERROR : card not inserted
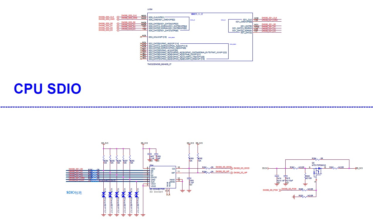
BTW, attached file is the schematic
Please advise
BR
Yimin
