Other Parts Discussed in Thread: TPS65217
Tool/software: Linux
Issue:
Board does not get dhcp lease when running 100 MBit/s. Mii-registers reports link is up and auto neg is done. Wireshark shows no data.
When switching to 10 Mbit full duplex and autoneg on the board connectes and gets a dhcp lease after a while. Can verify with wireshark.
We also have one board from the production batch that actually goes up in 100 MBit/s and gets a dhcp lease but on that one 10 Mbit does not work.
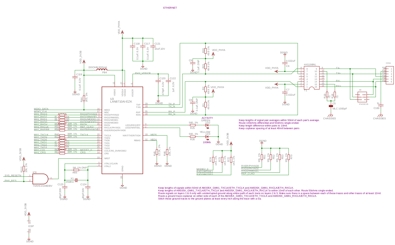
We have tested to increase the time the PHY is in reset (normally around 29-33 ms) to 1 sec and still no improvement. This lead us to believe that there is a layout issue, is this something we can get help with if we send design-files?
Board:
We have implemented a am3358 together with a LAN8710AI PHY on a custom board (similar to the beaglebone black), connected using MII. We have an earlier version that works fine,
now we have a somewhat changed board version (powersupply added to driveboard) that somehow is not working.
Compiler and OS:
We use the Linux ti-4.14.40-rt29-gd5443cbd3b ḱernel and gcc with arago toolchain (arm-linux-gnueabihf). The OS is ubuntu 12.04 core with some stuff picked from the TI-sdk.
u-boot mii-dump:
U-Boot# mii dump 0 0
0. (3100) -- PHY control register --
(8000:0000) 0.15 = 0 reset
(4000:0000) 0.14 = 0 loopback
(2040:2000) 0. 6,13 = b01 speed selection = 100 Mbps
(1000:1000) 0.12 = 1 A/N enable
(0800:0000) 0.11 = 0 power-down
(0400:0000) 0.10 = 0 isolate
(0200:0000) 0. 9 = 0 restart A/N
(0100:0100) 0. 8 = 1 duplex = full
(0080:0000) 0. 7 = 0 collision test enable
(003f:0000) 0. 5- 0 = 0 (reserved)
U-Boot# mii dump 0 1
1. (782d) -- PHY status register --
(8000:0000) 1.15 = 0 100BASE-T4 able
(4000:4000) 1.14 = 1 100BASE-X full duplex able
(2000:2000) 1.13 = 1 100BASE-X half duplex able
(1000:1000) 1.12 = 1 10 Mbps full duplex able
(0800:0800) 1.11 = 1 10 Mbps half duplex able
(0400:0000) 1.10 = 0 100BASE-T2 full duplex able
(0200:0000) 1. 9 = 0 100BASE-T2 half duplex able
(0100:0000) 1. 8 = 0 extended status
(0080:0000) 1. 7 = 0 (reserved)
(0040:0000) 1. 6 = 0 MF preamble suppression
(0020:0020) 1. 5 = 1 A/N complete
(0010:0000) 1. 4 = 0 remote fault
(0008:0008) 1. 3 = 1 A/N able
(0004:0004) 1. 2 = 1 link status
(0002:0000) 1. 1 = 0 jabber detect
(0001:0001) 1. 0 = 1 extended capabilities
U-Boot# mii dump 0 2
2. (0007) -- PHY ID 1 register --
(ffff:0007) 2.15- 0 = 7 OUI portion
3. (c0f1) -- PHY ID 2 register --
(fc00:c000) 3.15-10 = 48 OUI portion
(03f0:00f0) 3. 9- 4 = 15 manufacturer part number
(000f:0001) 3. 3- 0 = 1 manufacturer rev. number
3. (c0f1) -- PHY ID 2 register --
(fc00:c000) 3.15-10 = 48 OUI portion
(03f0:00f0) 3. 9- 4 = 15 manufacturer part number
(000f:0001) 3. 3- 0 = 1 manufacturer rev. number
4. (01e1) -- Autonegotiation advertisement register --
(8000:0000) 4.15 = 0 next page able
(4000:0000) 4.14 = 0 reserved
(2000:0000) 4.13 = 0 remote fault
(1000:0000) 4.12 = 0 reserved
(0800:0000) 4.11 = 0 asymmetric pause
(0400:0000) 4.10 = 0 pause enable
(0200:0000) 4. 9 = 0 100BASE-T4 able
(0100:0100) 4. 8 = 1 100BASE-TX full duplex able
(0080:0080) 4. 7 = 1 100BASE-TX able
(0040:0040) 4. 6 = 1 10BASE-T full duplex able
(0020:0020) 4. 5 = 1 10BASE-T able
(001f:0001) 4. 4- 0 = 1 selector = IEEE 802.3
5. (cde1) -- Autonegotiation partner abilities register --
(8000:8000) 5.15 = 1 next page able
(4000:4000) 5.14 = 1 acknowledge
(2000:0000) 5.13 = 0 remote fault
(1000:0000) 5.12 = 0 (reserved)
(0800:0800) 5.11 = 1 asymmetric pause able
(0400:0400) 5.10 = 1 pause able
(0200:0000) 5. 9 = 0 100BASE-T4 able
(0100:0100) 5. 8 = 1 100BASE-X full duplex able
(0080:0080) 5. 7 = 1 100BASE-TX able
(0040:0040) 5. 6 = 1 10BASE-T full duplex able
(0020:0020) 5. 5 = 1 10BASE-T able
(001f:0001) 5. 4- 0 = 1 selector = IEEE 802.3
boot:
U-Boot SPL 2013.10-svn22745 (Jan 16 2019 - 11:28:12)
am33xx_spl_board_init(void)!
reading args
spl: error reading image args, err - -1
reading u-boot.img
reading u-boot.img
U-Boot 2013.10-svn22745 (Jan 16 2019 - 11:28:12)
I2C: ready
DRAM: 512 MiB
MMC: OMAP SD/MMC: 0, OMAP SD/MMC: 1
Net: <ethaddr> not set. Validating first E-fuse MAC
cpsw, usb_ether
Hit any key to stop autoboot: 0
5775728 bytes read in 325 ms (16.9 MiB/s)
35008 bytes read in 9 ms (3.7 MiB/s)
Kernel image @ 0x80200000 [ 0x000000 - 0x582170 ]
## Flattened Device Tree blob at 80f80000
Booting using the fdt blob at 0x80f80000
Loading Device Tree to 9f331000, end 9f33c8bf ... OK
Starting kernel ...
Ubuntu 12.04.4 LTS azko.debug ttyO0
azko login: root
Password:
Last login: Sat Jan 1 00:00:21 UTC 2000 on ttyO0
Welcome to Ubuntu 12.04.4 LTS (GNU/Linux 4.14.40-rt29-gd5443cbd3b armv7l)
* Documentation: https://help.ubuntu.com/
root@azko:~# dmesg
[ 0.000000] Booting Linux on physical CPU 0x0
[ 0.000000] Linux version 4.14.40-rt29-gd5443cbd3b (mattiasf@mattiasf-System-Product-Name) (gcc version 4.7.3 20130226 (prerelease) (crosstool-NG linaro-1.13.1-4.7-2013.03-20130313 - Linaro GCC 2
013.03)) #29 Mon Mar 25 11:37:00 CET 2019
[ 0.000000] CPU: ARMv7 Processor [413fc082] revision 2 (ARMv7), cr=10c5387d
[ 0.000000] CPU: PIPT / VIPT nonaliasing data cache, VIPT aliasing instruction cache
[ 0.000000] OF: fdt: Machine model: ti,am33xx
[ 0.000000] Memory policy: Data cache writeback
[ 0.000000] cma: Reserved 24 MiB at 0x9d800000
[ 0.000000] On node 0 totalpages: 130560
[ 0.000000] free_area_init_node: node 0, pgdat c0e8d324, node_mem_map df9ed000
[ 0.000000] Normal zone: 1020 pages used for memmap
[ 0.000000] Normal zone: 0 pages reserved
[ 0.000000] Normal zone: 130560 pages, LIFO batch:31
[ 0.000000] CPU: All CPU(s) started in SVC mode.
[ 0.000000] AM335X ES2.1 (sgx neon)
[ 0.000000] pcpu-alloc: s0 r0 d32768 u32768 alloc=1*32768
[ 0.000000] pcpu-alloc: [0] 0
[ 0.000000] Built 1 zonelists, mobility grouping on. Total pages: 129540
[ 0.000000] Kernel command line: console=ttyO0,115200n8 root=/dev/mmcblk0p2 ro rootfstype=ext4 rootwait quiet loglevel=0
[ 0.000000] PID hash table entries: 2048 (order: 1, 8192 bytes)
[ 0.000000] Dentry cache hash table entries: 65536 (order: 6, 262144 bytes)
[ 0.000000] Inode-cache hash table entries: 32768 (order: 5, 131072 bytes)
[ 0.000000] Memory: 478760K/522240K available (9216K kernel code, 571K rwdata, 2312K rodata, 1024K init, 251K bss, 18904K reserved, 24576K cma-reserved, 0K highmem)
[ 0.000000] Virtual kernel memory layout:
[ 0.000000] vector : 0xffff0000 - 0xffff1000 ( 4 kB)
[ 0.000000] fixmap : 0xffc00000 - 0xfff00000 (3072 kB)
[ 0.000000] vmalloc : 0xe0000000 - 0xff800000 ( 504 MB)
[ 0.000000] lowmem : 0xc0000000 - 0xdfe00000 ( 510 MB)
[ 0.000000] pkmap : 0xbfe00000 - 0xc0000000 ( 2 MB)
[ 0.000000] modules : 0xbf000000 - 0xbfe00000 ( 14 MB)
[ 0.000000] .text : 0xc0008000 - 0xc0a00000 (10208 kB)
[ 0.000000] .init : 0xc0d00000 - 0xc0e00000 (1024 kB)
[ 0.000000] .data : 0xc0e00000 - 0xc0e8eee8 ( 572 kB)
[ 0.000000] .bss : 0xc0e90000 - 0xc0ecee44 ( 252 kB)
[ 0.000000] NR_IRQS: 16, nr_irqs: 16, preallocated irqs: 16
[ 0.000000] IRQ: Found an INTC at 0xfa200000 (revision 5.0) with 128 interrupts
[ 0.000000] OMAP clockevent source: timer2 at 24000000 Hz
[ 0.000014] sched_clock: 32 bits at 24MHz, resolution 41ns, wraps every 89478484971ns
[ 0.000029] clocksource: timer1: mask: 0xffffffff max_cycles: 0xffffffff, max_idle_ns: 79635851949 ns
[ 0.000036] OMAP clocksource: timer1 at 24000000 Hz
[ 0.000584] timer_probe: no matching timers found
[ 0.000919] Console: colour dummy device 80x30
[ 0.000950] Calibrating delay loop... 992.25 BogoMIPS (lpj=496128)
[ 0.009237] pid_max: default: 32768 minimum: 301
[ 0.009341] Security Framework initialized
[ 0.009390] Mount-cache hash table entries: 1024 (order: 0, 4096 bytes)
[ 0.009399] Mountpoint-cache hash table entries: 1024 (order: 0, 4096 bytes)
[ 0.009920] CPU: Testing write buffer coherency: ok
[ 0.010487] Setting up static identity map for 0x80100000 - 0x80100078
[ 0.012150] devtmpfs: initialized
[ 0.018696] random: get_random_u32 called from bucket_table_alloc+0x98/0x1ac with crng_init=0
[ 0.018893] VFP support v0.3: implementor 41 architecture 3 part 30 variant c rev 3
[ 0.019150] clocksource: jiffies: mask: 0xffffffff max_cycles: 0xffffffff, max_idle_ns: 1911260446275000 ns
[ 0.019165] futex hash table entries: 256 (order: -1, 3072 bytes)
[ 0.020749] pinctrl core: initialized pinctrl subsystem
[ 0.022197] NET: Registered protocol family 16
[ 0.024658] DMA: preallocated 256 KiB pool for atomic coherent allocations
[ 0.034905] omap_hwmod: debugss: _wait_target_disable failed
[ 0.087321] cpuidle: using governor ladder
[ 0.087330] cpuidle: using governor menu
[ 0.094402] gpio gpiochip0: (gpio): added GPIO chardev (254:0)
[ 0.094548] gpiochip_setup_dev: registered GPIOs 0 to 31 on device: gpiochip0 (gpio)
[ 0.094608] OMAP GPIO hardware version 0.1
[ 0.095811] gpio gpiochip1: (gpio): added GPIO chardev (254:1)
[ 0.095905] gpiochip_setup_dev: registered GPIOs 32 to 63 on device: gpiochip1 (gpio)
[ 0.096982] gpio gpiochip2: (gpio): added GPIO chardev (254:2)
[ 0.097068] gpiochip_setup_dev: registered GPIOs 64 to 95 on device: gpiochip2 (gpio)
[ 0.098202] gpio gpiochip3: (gpio): added GPIO chardev (254:3)
[ 0.098332] gpiochip_setup_dev: registered GPIOs 96 to 127 on device: gpiochip3 (gpio)
[ 0.104805] No ATAGs?
[ 0.104818] hw-breakpoint: debug architecture 0x4 unsupported.
[ 0.105068] omap4_sram_init:Unable to allocate sram needed to handle errata I688
[ 0.105075] omap4_sram_init:Unable to get sram pool needed to handle errata I688
[ 0.143921] edma 49000000.edma: TI EDMA DMA engine driver
[ 0.144290] of_get_named_gpiod_flags: can't parse 'gpio' property of node '/fixedregulator0[0]'
[ 0.152789] vgaarb: loaded
[ 0.153289] SCSI subsystem initialized
[ 0.153913] libata version 3.00 loaded.
[ 0.154142] usbcore: registered new interface driver usbfs
[ 0.154186] usbcore: registered new interface driver hub
[ 0.154278] usbcore: registered new device driver usb
[ 0.154704] omap_i2c 44e0b000.i2c: could not find pctldev for node /ocp/l4_wkup@44c00000/scm@210000/pinmux@800/pinmux_i2c0_pins, deferring probe
[ 0.154753] omap_i2c 4819c000.i2c: could not find pctldev for node /ocp/l4_wkup@44c00000/scm@210000/pinmux@800/pinmux_i2c2_pins, deferring probe
[ 0.154842] media: Linux media interface: v0.10
[ 0.154878] Linux video capture interface: v2.00
[ 0.154931] pps_core: LinuxPPS API ver. 1 registered
[ 0.154935] pps_core: Software ver. 5.3.6 - Copyright 2005-2007 Rodolfo Giometti <giometti@linux.it>
[ 0.154953] PTP clock support registered
[ 0.155471] omap-mailbox 480c8000.mailbox: omap mailbox rev 0x400
[ 0.155772] Advanced Linux Sound Architecture Driver Initialized.
[ 0.156175] Bluetooth: Core ver 2.22
[ 0.156281] NET: Registered protocol family 31
[ 0.156287] Bluetooth: HCI device and connection manager initialized
[ 0.156299] Bluetooth: HCI socket layer initialized
[ 0.156306] Bluetooth: L2CAP socket layer initialized
[ 0.156332] Bluetooth: SCO socket layer initialized
[ 0.161067] clocksource: Switched to clocksource timer1
[ 0.161208] VFS: Disk quotas dquot_6.6.0
[ 0.161332] VFS: Dquot-cache hash table entries: 1024 (order 0, 4096 bytes)
[ 0.176448] NET: Registered protocol family 2
[ 0.177057] TCP established hash table entries: 4096 (order: 2, 16384 bytes)
[ 0.177149] TCP bind hash table entries: 4096 (order: 2, 16384 bytes)
[ 0.177184] TCP: Hash tables configured (established 4096 bind 4096)
[ 0.177271] UDP hash table entries: 256 (order: 0, 4096 bytes)
[ 0.177285] UDP-Lite hash table entries: 256 (order: 0, 4096 bytes)
[ 0.177412] NET: Registered protocol family 1
[ 0.178743] RPC: Registered named UNIX socket transport module.
[ 0.178749] RPC: Registered udp transport module.
[ 0.178753] RPC: Registered tcp transport module.
[ 0.178755] RPC: Registered tcp NFSv4.1 backchannel transport module.
[ 0.178768] PCI: CLS 0 bytes, default 64
[ 0.179467] NetWinder Floating Point Emulator V0.97 (double precision)
[ 0.179821] hw perfevents: no interrupt-affinity property for /pmu, guessing.
[ 0.179916] hw perfevents: enabled with armv7_cortex_a8 PMU driver, 5 counters available
[ 0.182602] workingset: timestamp_bits=30 max_order=17 bucket_order=0
[ 0.183411] NFS: Registering the id_resolver key type
[ 0.183449] Key type id_resolver registered
[ 0.183453] Key type id_legacy registered
[ 0.183488] jffs2: version 2.2. (NAND) (SUMMARY) \xffffffc2\xffffffa9 2001-2006 Red Hat, Inc.
[ 0.183698] aufs 4.14-20180917
[ 0.187755] NET: Registered protocol family 38
[ 0.187852] io scheduler noop registered
[ 0.187857] io scheduler deadline registered
[ 0.187908] io scheduler cfq registered (default)
[ 0.187913] io scheduler mq-deadline registered
[ 0.187918] io scheduler kyber registered
[ 0.188836] pinctrl-single 44e10800.pinmux: 142 pins at pa f9e10800 size 568
[ 0.192706] Serial: 8250/16550 driver, 4 ports, IRQ sharing enabled
[ 0.196640] omap_uart 44e09000.serial: no wakeirq for uart0
[ 0.196664] of_get_named_gpiod_flags: can't parse 'rts-gpio' property of node '/ocp/serial@44e09000[0]'
[ 0.196725] 44e09000.serial: ttyO0 at MMIO 0x44e09000 (irq = 30, base_baud = 3000000) is a OMAP UART0
[ 0.196823] console [ttyO0] enabled
[ 0.198857] omap_rng 48310000.rng: Random Number Generator ver. 20
[ 0.211356] brd: module loaded
[ 0.219708] loop: module loaded
[ 0.221727] mtdoops: mtd device (mtddev=name/number) must be supplied
[ 0.222399] mdio_bus fixed-0: GPIO lookup for consumer reset
[ 0.222406] mdio_bus fixed-0: using lookup tables for GPIO lookup
[ 0.222413] mdio_bus fixed-0: lookup for GPIO reset failed
[ 0.222431] libphy: Fixed MDIO Bus: probed
[ 0.222589] CAN device driver interface
[ 0.236844] mdio_bus 4a101000.mdio: GPIO lookup for consumer reset
[ 0.236855] mdio_bus 4a101000.mdio: using lookup tables for GPIO lookup
[ 0.236861] mdio_bus 4a101000.mdio: lookup for GPIO reset failed
[ 0.270115] davinci_mdio 4a101000.mdio: davinci mdio revision 1.6, bus freq 1000000
[ 0.270129] davinci_mdio 4a101000.mdio: detected phy mask fffffffe
[ 0.271004] libphy: 4a101000.mdio: probed
[ 0.271017] davinci_mdio 4a101000.mdio: phy[0]: device 4a101000.mdio:00, driver SMSC LAN8710/LAN8720
[ 0.271775] cpsw 4a100000.ethernet: Detected MACID = f4:e1:1e:8f:d3:62
[ 0.271871] cpsw 4a100000.ethernet: initialized cpsw ale version 1.4
[ 0.271879] cpsw 4a100000.ethernet: ALE Table size 1024
[ 0.271914] cpsw 4a100000.ethernet: cpts: overflow check period 5000 (jiffies)
[ 0.273109] usbcore: registered new interface driver usb8xxx
[ 0.273117] libertas_sdio: Libertas SDIO driver
[ 0.273120] libertas_sdio: Copyright Pierre Ossman
[ 0.273371] usbcore: registered new interface driver asix
[ 0.273415] usbcore: registered new interface driver ax88179_178a
[ 0.273447] usbcore: registered new interface driver cdc_ether
[ 0.273486] usbcore: registered new interface driver smsc95xx
[ 0.273516] usbcore: registered new interface driver net1080
[ 0.273548] usbcore: registered new interface driver cdc_subset
[ 0.273577] usbcore: registered new interface driver zaurus
[ 0.273632] usbcore: registered new interface driver cdc_ncm
[ 0.275285] ehci_hcd: USB 2.0 'Enhanced' Host Controller (EHCI) Driver
[ 0.275293] ehci-pci: EHCI PCI platform driver
[ 0.275391] ehci-omap: OMAP-EHCI Host Controller driver
[ 0.275870] usbcore: registered new interface driver cdc_wdm
[ 0.275921] usbcore: registered new interface driver usb-storage
[ 0.275963] usbcore: registered new interface driver usbtest
[ 0.277636] am335x-phy-driver 47401300.usb-phy: GPIO lookup for consumer reset
[ 0.277646] am335x-phy-driver 47401300.usb-phy: using device tree for GPIO lookup
[ 0.277663] of_get_named_gpiod_flags: can't parse 'reset-gpios' property of node '/ocp/usb@47400000/usb-phy@47401300[0]'
[ 0.277671] of_get_named_gpiod_flags: can't parse 'reset-gpio' property of node '/ocp/usb@47400000/usb-phy@47401300[0]'
[ 0.277677] am335x-phy-driver 47401300.usb-phy: using lookup tables for GPIO lookup
[ 0.277684] am335x-phy-driver 47401300.usb-phy: lookup for GPIO reset failed
[ 0.277691] am335x-phy-driver 47401300.usb-phy: GPIO lookup for consumer vbus-detect
[ 0.277696] am335x-phy-driver 47401300.usb-phy: using device tree for GPIO lookup
[ 0.277704] of_get_named_gpiod_flags: can't parse 'vbus-detect-gpios' property of node '/ocp/usb@47400000/usb-phy@47401300[0]'
[ 0.277711] of_get_named_gpiod_flags: can't parse 'vbus-detect-gpio' property of node '/ocp/usb@47400000/usb-phy@47401300[0]'
[ 0.277716] am335x-phy-driver 47401300.usb-phy: using lookup tables for GPIO lookup
[ 0.277721] am335x-phy-driver 47401300.usb-phy: lookup for GPIO vbus-detect failed
[ 0.277788] am335x-phy-driver 47401300.usb-phy: 47401300.usb-phy supply vcc not found, using dummy regulator
[ 0.282887] am335x-phy-driver 47401b00.usb-phy: GPIO lookup for consumer reset
[ 0.282899] am335x-phy-driver 47401b00.usb-phy: using device tree for GPIO lookup
[ 0.282916] of_get_named_gpiod_flags: can't parse 'reset-gpios' property of node '/ocp/usb@47400000/usb-phy@47401b00[0]'
[ 0.282923] of_get_named_gpiod_flags: can't parse 'reset-gpio' property of node '/ocp/usb@47400000/usb-phy@47401b00[0]'
[ 0.282930] am335x-phy-driver 47401b00.usb-phy: using lookup tables for GPIO lookup
[ 0.282937] am335x-phy-driver 47401b00.usb-phy: lookup for GPIO reset failed
[ 0.282943] am335x-phy-driver 47401b00.usb-phy: GPIO lookup for consumer vbus-detect
[ 0.282948] am335x-phy-driver 47401b00.usb-phy: using device tree for GPIO lookup
[ 0.282956] of_get_named_gpiod_flags: can't parse 'vbus-detect-gpios' property of node '/ocp/usb@47400000/usb-phy@47401b00[0]'
[ 0.282963] of_get_named_gpiod_flags: can't parse 'vbus-detect-gpio' property of node '/ocp/usb@47400000/usb-phy@47401b00[0]'
[ 0.282968] am335x-phy-driver 47401b00.usb-phy: using lookup tables for GPIO lookup
[ 0.282974] am335x-phy-driver 47401b00.usb-phy: lookup for GPIO vbus-detect failed
[ 0.283037] am335x-phy-driver 47401b00.usb-phy: 47401b00.usb-phy supply vcc not found, using dummy regulator
[ 0.292317] udc-core: couldn't find an available UDC - added [g_webcam] to list of pending drivers
[ 0.297684] mousedev: PS/2 mouse device common for all mice
[ 0.300792] omap_rtc 44e3e000.rtc: registered as rtc0
[ 0.301245] i2c /dev entries driver
[ 0.301372] IR NEC protocol handler initialized
[ 0.301376] IR RC5(x/sz) protocol handler initialized
[ 0.301380] IR RC6 protocol handler initialized
[ 0.301383] IR JVC protocol handler initialized
[ 0.301386] IR Sony protocol handler initialized
[ 0.301390] IR SANYO protocol handler initialized
[ 0.301393] IR Sharp protocol handler initialized
[ 0.301396] IR MCE Keyboard/mouse protocol handler initialized
[ 0.301400] IR XMP protocol handler initialized
[ 0.301582] usbcore: registered new interface driver uvcvideo
[ 0.301586] USB Video Class driver (1.1.1)
[ 0.301589] gspca_main: v2.14.0 registered
[ 0.301592] Driver for 1-wire Dallas network protocol.
[ 0.304244] omap_wdt: OMAP Watchdog Timer Rev 0x01: initial timeout 60 sec
[ 0.304552] Bluetooth: HCI UART driver ver 2.3
[ 0.304560] Bluetooth: HCI UART protocol H4 registered
[ 0.304565] Bluetooth: HCI UART protocol BCSP registered
[ 0.304624] usbcore: registered new interface driver bcm203x
[ 0.304665] usbcore: registered new interface driver bpa10x
[ 0.305422] omap_hsmmc 48060000.mmc: GPIO lookup for consumer cd
[ 0.305430] omap_hsmmc 48060000.mmc: using device tree for GPIO lookup
[ 0.305461] of_get_named_gpiod_flags: parsed 'cd-gpios' property of node '/ocp/mmc@48060000[0]' - status (0)
[ 0.305529] omap_hsmmc 48060000.mmc: Got CD GPIO
[ 0.305538] omap_hsmmc 48060000.mmc: GPIO lookup for consumer wp
[ 0.305543] omap_hsmmc 48060000.mmc: using device tree for GPIO lookup
[ 0.305552] of_get_named_gpiod_flags: can't parse 'wp-gpios' property of node '/ocp/mmc@48060000[0]'
[ 0.305559] of_get_named_gpiod_flags: can't parse 'wp-gpio' property of node '/ocp/mmc@48060000[0]'
[ 0.305564] omap_hsmmc 48060000.mmc: using lookup tables for GPIO lookup
[ 0.305572] omap_hsmmc 48060000.mmc: lookup for GPIO wp failed
[ 0.329666] omap_hsmmc 481d8000.mmc: GPIO lookup for consumer cd
[ 0.329677] omap_hsmmc 481d8000.mmc: using device tree for GPIO lookup
[ 0.329690] of_get_named_gpiod_flags: can't parse 'cd-gpios' property of node '/ocp/mmc@481d8000[0]'
[ 0.329697] of_get_named_gpiod_flags: can't parse 'cd-gpio' property of node '/ocp/mmc@481d8000[0]'
[ 0.329703] omap_hsmmc 481d8000.mmc: using lookup tables for GPIO lookup
[ 0.329710] omap_hsmmc 481d8000.mmc: lookup for GPIO cd failed
[ 0.329718] omap_hsmmc 481d8000.mmc: GPIO lookup for consumer wp
[ 0.329722] omap_hsmmc 481d8000.mmc: using device tree for GPIO lookup
[ 0.329729] of_get_named_gpiod_flags: can't parse 'wp-gpios' property of node '/ocp/mmc@481d8000[0]'
[ 0.329735] of_get_named_gpiod_flags: can't parse 'wp-gpio' property of node '/ocp/mmc@481d8000[0]'
[ 0.329740] omap_hsmmc 481d8000.mmc: using lookup tables for GPIO lookup
[ 0.329746] omap_hsmmc 481d8000.mmc: lookup for GPIO wp failed
[ 0.354635] of_get_named_gpiod_flags: parsed 'gpios' property of node '/leds/led4[0]' - status (0)
[ 0.354695] no flags found for gpios
[ 0.354837] of_get_named_gpiod_flags: parsed 'gpios' property of node '/leds/led5[0]' - status (0)
[ 0.354844] no flags found for gpios
[ 0.355124] ledtrig-cpu: registered to indicate activity on CPUs
[ 0.355983] usbcore: registered new interface driver usbhid
[ 0.355988] usbhid: USB HID core driver
[ 0.359437] usbcore: registered new interface driver snd-usb-audio
[ 0.361390] oprofile: using arm/armv7
[ 0.361585] nf_conntrack version 0.5.0 (8192 buckets, 32768 max)
[ 0.362029] ip_tables: (C) 2000-2006 Netfilter Core Team
[ 0.362166] Initializing XFRM netlink socket
[ 0.362198] NET: Registered protocol family 17
[ 0.362226] NET: Registered protocol family 15
[ 0.362278] Bridge firewalling registered
[ 0.362281] can: controller area network core (rev 20170425 abi 9)
[ 0.362339] NET: Registered protocol family 29
[ 0.362345] can: raw protocol (rev 20170425)
[ 0.362350] can: broadcast manager protocol (rev 20170425 t)
[ 0.362360] can: netlink gateway (rev 20170425) max_hops=1
[ 0.362438] 8021q: 802.1Q VLAN Support v1.8
[ 0.362453] lib80211: common routines for IEEE802.11 drivers
[ 0.362458] lib80211_crypt: registered algorithm 'NULL'
[ 0.362492] Key type dns_resolver registered
[ 0.362714] omap_voltage_late_init: Voltage driver support not added
[ 0.362934] ThumbEE CPU extension supported.
[ 0.393796] tps65217 0-0024: TPS65217 ID 0xe version 1.2
[ 0.394163] omap_i2c 44e0b000.i2c: bus 0 rev0.11 at 400 kHz
[ 0.396009] omap_i2c 4819c000.i2c: bus 2 rev0.11 at 100 kHz
[ 0.404855] udc musb-hdrc.0: registering UDC driver [g_webcam]
[ 0.404909] g_webcam gadget: adding config #1 'Video'/c0e6aee0
[ 0.404922] g_webcam gadget: adding 'uvc'/dd579368 to config 'Video'/c0e6aee0
[ 0.404929] g_webcam gadget: uvc_function_bind
[ 0.405980] g_webcam gadget: cfg 1/c0e6aee0 speeds: high full
[ 0.405989] g_webcam gadget: interface 0 = uvc/dd579368
[ 0.405993] g_webcam gadget: interface 1 = uvc/dd579368
[ 0.406020] g_webcam gadget: Webcam Video Gadget
[ 0.406025] g_webcam gadget: g_webcam ready
[ 0.413430] musb-hdrc musb-hdrc.1: MUSB HDRC host driver
[ 0.414275] musb-hdrc musb-hdrc.1: new USB bus registered, assigned bus number 1
[ 0.414533] usb usb1: New USB device found, idVendor=1d6b, idProduct=0002
[ 0.414542] usb usb1: New USB device strings: Mfr=3, Product=2, SerialNumber=1
[ 0.414548] usb usb1: Product: MUSB HDRC host driver
[ 0.414554] usb usb1: Manufacturer: Linux 4.14.40-rt29-gd5443cbd3b musb-hcd
[ 0.414559] usb usb1: SerialNumber: musb-hdrc.1
[ 0.415159] hub 1-0:1.0: USB hub found
[ 0.415241] hub 1-0:1.0: 1 port detected
[ 0.416416] omap_rtc 44e3e000.rtc: setting system clock to 2000-01-01 00:00:00 UTC (946684800)
[ 0.416861] ALSA device list:
[ 0.416865] No soundcards found.
[ 0.417565] Waiting for root device /dev/mmcblk0p2...
[ 0.430846] mmc1: new high speed MMC card at address 0001
[ 0.431531] mmcblk0: mmc1:0001 P1XXXX 3.60 GiB
[ 0.431674] mmcblk0boot0: mmc1:0001 P1XXXX partition 1 16.0 MiB
[ 0.431773] mmcblk0boot1: mmc1:0001 P1XXXX partition 2 16.0 MiB
[ 0.431868] mmcblk0rpmb: mmc1:0001 P1XXXX partition 3 128 KiB
[ 0.434024] mmcblk0: p1 p2 p3 p4 < p5 p6 p7 >
[ 0.439421] EXT4-fs (mmcblk0p2): INFO: recovery required on readonly filesystem
[ 0.439431] EXT4-fs (mmcblk0p2): write access will be enabled during recovery
[ 0.877658] EXT4-fs (mmcblk0p2): recovery complete
[ 0.879413] EXT4-fs (mmcblk0p2): mounted filesystem with ordered data mode. Opts: (null)
[ 0.879492] VFS: Mounted root (ext4 filesystem) readonly on device 179:2.
[ 0.880123] devtmpfs: mounted
[ 0.881322] Freeing unused kernel memory: 1024K
[ 0.998429] random: init: uninitialized urandom read (12 bytes read)
[ 1.107602] EXT4-fs (mmcblk0p2): re-mounted. Opts: (null)
[ 1.283737] init: mobifb main process (1109) terminated with status 1
[ 1.478776] EXT4-fs (mmcblk0p5): recovery complete
[ 1.478799] EXT4-fs (mmcblk0p5): mounted filesystem with ordered data mode. Opts: (null)
[ 1.577857] udevd[1153]: starting version 175
[ 1.701740] EXT4-fs (mmcblk0p6): mounted filesystem with ordered data mode. Opts: (null)
[ 1.844679] EXT4-fs (mmcblk0p7): mounted filesystem with ordered data mode. Opts: (null)
[ 4.804768] random: dbus-daemon: uninitialized urandom read (12 bytes read)
[ 4.857297] random: dbus-daemon: uninitialized urandom read (12 bytes read)
[ 5.036602] random: dd: uninitialized urandom read (4096 bytes read)
[ 5.248169] net eth0: initializing cpsw version 1.12 (0)
[ 5.389369] SMSC LAN8710/LAN8720 4a101000.mdio:00: attached PHY driver [SMSC LAN8710/LAN8720] (mii_bus:phy_addr=4a101000.mdio:00, irq=POLL)
[ 5.393992] 8021q: adding VLAN 0 to HW filter on device eth0
[ 7.457240] cpsw 4a100000.ethernet eth0: Link is Up - 100Mbps/Full - flow control rx/tx
Ethtool:
root@azko:~# ethtool -S eth0
NIC statistics:
Good Rx Frames: 1215
Broadcast Rx Frames: 619
Multicast Rx Frames: 478
Pause Rx Frames: 0
Rx CRC Errors: 0
Rx Align/Code Errors: 0
Oversize Rx Frames: 0
Rx Jabbers: 0
Undersize (Short) Rx Frames: 0
Rx Fragments: 0
Rx Octets: 355774
Good Tx Frames: 68
Broadcast Tx Frames: 68
Multicast Tx Frames: 0
Pause Tx Frames: 0
Deferred Tx Frames: 0
Collisions: 0
Single Collision Tx Frames: 0
Multiple Collision Tx Frames: 0
Excessive Collisions: 0
Late Collisions: 0
Tx Underrun: 0
Carrier Sense Errors: 0
Tx Octets: 23528
Rx + Tx 64 Octet Frames: 516
Rx + Tx 65-127 Octet Frames: 123
Rx + Tx 128-255 Octet Frames: 293
Rx + Tx 256-511 Octet Frames: 137
Rx + Tx 512-1023 Octet Frames: 104
Rx + Tx 1024-Up Octet Frames: 110
Net Octets: 379302
Rx Start of Frame Overruns: 0
Rx Middle of Frame Overruns: 0
Rx DMA Overruns: 0
Rx DMA chan 0: head_enqueue: 1
Rx DMA chan 0: tail_enqueue: 750
Rx DMA chan 0: pad_enqueue: 0
Rx DMA chan 0: misqueued: 0
Rx DMA chan 0: desc_alloc_fail: 0
Rx DMA chan 0: pad_alloc_fail: 0
Rx DMA chan 0: runt_receive_buf: 0
Rx DMA chan 0: runt_transmit_bu: 0
Rx DMA chan 0: empty_dequeue: 0
Rx DMA chan 0: busy_dequeue: 615
Rx DMA chan 0: good_dequeue: 623
Rx DMA chan 0: requeue: 0
Rx DMA chan 0: teardown_dequeue: 0
Tx DMA chan 0: head_enqueue: 68
Tx DMA chan 0: tail_enqueue: 0
Tx DMA chan 0: pad_enqueue: 0
Tx DMA chan 0: misqueued: 0
Tx DMA chan 0: desc_alloc_fail: 0
Tx DMA chan 0: pad_alloc_fail: 0
Tx DMA chan 0: runt_receive_buf: 0
Tx DMA chan 0: runt_transmit_bu: 0
Tx DMA chan 0: empty_dequeue: 68
Tx DMA chan 0: busy_dequeue: 0
Tx DMA chan 0: good_dequeue: 68
Tx DMA chan 0: requeue: 0
Tx DMA chan 0: teardown_dequeue: 0
Settings for eth0:
Supported ports: [ TP MII ]
Supported link modes: 10baseT/Half 10baseT/Full
100baseT/Half 100baseT/Full
Supported pause frame use: Symmetric Receive-only
Supports auto-negotiation: Yes
Advertised link modes: 10baseT/Half 10baseT/Full
100baseT/Half 100baseT/Full
Advertised pause frame use: No
Advertised auto-negotiation: Yes
Link partner advertised link modes: 10baseT/Half 10baseT/Full
100baseT/Half 100baseT/Full
Link partner advertised pause frame use: Symmetric Receive-only
Link partner advertised auto-negotiation: Yes
Speed: 100Mb/s
Duplex: Full
Port: MII
PHYAD: 0
Transceiver: external
Auto-negotiation: on
Supports Wake-on: d
Wake-on: d
Current message level: 0x00000000 (0)
Link detected: yes
Any ideas where to start look for the problem?
