This thread has been locked.

If you have a related question, please click the "Ask a related question" button in the top right corner. The newly created question will be automatically linked to this question.

DRA76P: DRA76P no booting from eMMC 5.1

Part Number: DRA76P

Dear Mr./Mrs,

We are working on a custom board that includes a DRA76P with both QSPI and eMMC flash devices. QSPI P/N is S25FL256ASGMFV001 and eMMC is MTFC8GAMALNA-AAT.

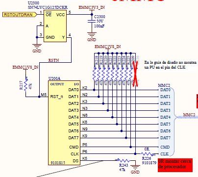
QSPI is working fine. But not the eMMC memory. They are connected like shown:

We are able to flash it with no errors with fastboot.sh (included in the prebuild).

When in u-boot we obtain the next information:

From mmcinfo:

Device: OMAP SD/MMC
Manufacturer ID: 13
OEM: 14e
Name: S0J35
Tran Speed: 200000000
Rd Block Len: 512
MMC version 4.0
High Capacity: Yes
Capacity: 7.3 GiB
Bus Width: 8-bit
Erase Group Size: 512 KiB

While in the EVM MMC version is detected as 4.5...

From ext2ls mmc 1:11

<DIR>       4096 .
<DIR>       4096 ..
<DIR>       4096 benchmarktest
<DIR>       4096 lost+found
<DIR>       4096 nativetest

We are booting Android. If we are not wrong this is the data partition content, before first boot where system, vendor, etc... will be created.

We have configured env to boot from dev 1

mmcboot=if mmc dev ${mmcdev}; then setenv devtype mmc; if mmc rescan; then echo SD/MMC found on device ${mmcdev};if run loadimage; then run loadfdt; echo Booting from mmc${mmcdev} ...; run args_mmc; bootz ${loadaddr} - ${fdtaddr}; fi; fi; fi;
mmcdev=1

But no boot...

This is the dts configuration we are using:

&mmc2 {
	status = "okay";
	vmmc-supply = <&vio_1v8>;
	bus-width = <8>;
	max-frequency = <192000000>;
	ti,non-removable;
	ti,dual-volt;
	cap-mmc-highspeed;
	pinctrl-names = "default", "hs", "ddr_1_8v", "hs200_1_8v";
	pinctrl-0 = <&mmc2_pins_default>;
	pinctrl-1 = <&mmc2_pins_hs>;
	pinctrl-2 = <&mmc2_pins_ddr>;
	pinctrl-3 = <&mmc2_pins_hs200 &mmc2_iodelay_hs200_conf>;
};
	mmc2_pins_default: mmc2_pins_default {
		pinctrl-single,pins = <
			DRA7XX_CORE_IOPAD(0x349c, PIN_INPUT_PULLUP | MUX_MODE1) /* gpmc_a23.mmc2_clk */
			DRA7XX_CORE_IOPAD(0x34b0, PIN_INPUT_PULLUP | MUX_MODE1) /* gpmc_cs1.mmc2_cmd */
			DRA7XX_CORE_IOPAD(0x34a0, PIN_INPUT_PULLUP | MUX_MODE1) /* gpmc_a24.mmc2_dat0 */
			DRA7XX_CORE_IOPAD(0x34a4, PIN_INPUT_PULLUP | MUX_MODE1) /* gpmc_a25.mmc2_dat1 */
			DRA7XX_CORE_IOPAD(0x34a8, PIN_INPUT_PULLUP | MUX_MODE1) /* gpmc_a26.mmc2_dat2 */
			DRA7XX_CORE_IOPAD(0x34ac, PIN_INPUT_PULLUP | MUX_MODE1) /* gpmc_a27.mmc2_dat3 */
			DRA7XX_CORE_IOPAD(0x348c, PIN_INPUT_PULLUP | MUX_MODE1) /* gpmc_a19.mmc2_dat4 */
			DRA7XX_CORE_IOPAD(0x3490, PIN_INPUT_PULLUP | MUX_MODE1) /* gpmc_a20.mmc2_dat5 */
			DRA7XX_CORE_IOPAD(0x3494, PIN_INPUT_PULLUP | MUX_MODE1) /* gpmc_a21.mmc2_dat6 */
			DRA7XX_CORE_IOPAD(0x3498, PIN_INPUT_PULLUP | MUX_MODE1) /* gpmc_a22.mmc2_dat7 */
		>;
	};

	mmc2_pins_hs: mmc2_pins_hs {
		pinctrl-single,pins = <
			DRA7XX_CORE_IOPAD(0x349c, PIN_INPUT_PULLUP | MUX_MODE1) /* gpmc_a23.mmc2_clk */
			DRA7XX_CORE_IOPAD(0x34b0, PIN_INPUT_PULLUP | MUX_MODE1) /* gpmc_cs1.mmc2_cmd */
			DRA7XX_CORE_IOPAD(0x34a0, PIN_INPUT_PULLUP | MUX_MODE1) /* gpmc_a24.mmc2_dat0 */
			DRA7XX_CORE_IOPAD(0x34a4, PIN_INPUT_PULLUP | MUX_MODE1) /* gpmc_a25.mmc2_dat1 */
			DRA7XX_CORE_IOPAD(0x34a8, PIN_INPUT_PULLUP | MUX_MODE1) /* gpmc_a26.mmc2_dat2 */
			DRA7XX_CORE_IOPAD(0x34ac, PIN_INPUT_PULLUP | MUX_MODE1) /* gpmc_a27.mmc2_dat3 */
			DRA7XX_CORE_IOPAD(0x348c, PIN_INPUT_PULLUP | MUX_MODE1) /* gpmc_a19.mmc2_dat4 */
			DRA7XX_CORE_IOPAD(0x3490, PIN_INPUT_PULLUP | MUX_MODE1) /* gpmc_a20.mmc2_dat5 */
			DRA7XX_CORE_IOPAD(0x3494, PIN_INPUT_PULLUP | MUX_MODE1) /* gpmc_a21.mmc2_dat6 */
			DRA7XX_CORE_IOPAD(0x3498, PIN_INPUT_PULLUP | MUX_MODE1) /* gpmc_a22.mmc2_dat7 */
		>;
	};

	mmc2_pins_ddr: mmc2_pins_ddr {
		pinctrl-single,pins = <
			DRA7XX_CORE_IOPAD(0x349c, PIN_INPUT_PULLUP | MUX_MODE1) /* gpmc_a23.mmc2_clk */
			DRA7XX_CORE_IOPAD(0x34b0, PIN_INPUT_PULLUP | MUX_MODE1) /* gpmc_cs1.mmc2_cmd */
			DRA7XX_CORE_IOPAD(0x34a0, PIN_INPUT_PULLUP | MUX_MODE1) /* gpmc_a24.mmc2_dat0 */
			DRA7XX_CORE_IOPAD(0x34a4, PIN_INPUT_PULLUP | MUX_MODE1) /* gpmc_a25.mmc2_dat1 */
			DRA7XX_CORE_IOPAD(0x34a8, PIN_INPUT_PULLUP | MUX_MODE1) /* gpmc_a26.mmc2_dat2 */
			DRA7XX_CORE_IOPAD(0x34ac, PIN_INPUT_PULLUP | MUX_MODE1) /* gpmc_a27.mmc2_dat3 */
			DRA7XX_CORE_IOPAD(0x348c, PIN_INPUT_PULLUP | MUX_MODE1) /* gpmc_a19.mmc2_dat4 */
			DRA7XX_CORE_IOPAD(0x3490, PIN_INPUT_PULLUP | MUX_MODE1) /* gpmc_a20.mmc2_dat5 */
			DRA7XX_CORE_IOPAD(0x3494, PIN_INPUT_PULLUP | MUX_MODE1) /* gpmc_a21.mmc2_dat6 */
			DRA7XX_CORE_IOPAD(0x3498, PIN_INPUT_PULLUP | MUX_MODE1) /* gpmc_a22.mmc2_dat7 */
		>;
	};

	mmc2_pins_hs200: mmc2_pins_hs200 {
		pinctrl-single,pins = <
			DRA7XX_CORE_IOPAD(0x349c, PIN_INPUT_PULLUP | MODE_SELECT | MUX_MODE1) /* gpmc_a23.mmc2_clk */
			DRA7XX_CORE_IOPAD(0x34b0, PIN_INPUT_PULLUP | MODE_SELECT | MUX_MODE1) /* gpmc_cs1.mmc2_cmd */
			DRA7XX_CORE_IOPAD(0x34a0, PIN_INPUT_PULLUP | MODE_SELECT | MUX_MODE1) /* gpmc_a24.mmc2_dat0 */
			DRA7XX_CORE_IOPAD(0x34a4, PIN_INPUT_PULLUP | MODE_SELECT | MUX_MODE1) /* gpmc_a25.mmc2_dat1 */
			DRA7XX_CORE_IOPAD(0x34a8, PIN_INPUT_PULLUP | MODE_SELECT | MUX_MODE1) /* gpmc_a26.mmc2_dat2 */
			DRA7XX_CORE_IOPAD(0x34ac, PIN_INPUT_PULLUP | MODE_SELECT | MUX_MODE1) /* gpmc_a27.mmc2_dat3 */
			DRA7XX_CORE_IOPAD(0x348c, PIN_INPUT_PULLUP | MODE_SELECT | MUX_MODE1) /* gpmc_a19.mmc2_dat4 */
			DRA7XX_CORE_IOPAD(0x3490, PIN_INPUT_PULLUP | MODE_SELECT | MUX_MODE1) /* gpmc_a20.mmc2_dat5 */
			DRA7XX_CORE_IOPAD(0x3494, PIN_INPUT_PULLUP | MODE_SELECT | MUX_MODE1) /* gpmc_a21.mmc2_dat6 */
			DRA7XX_CORE_IOPAD(0x3498, PIN_INPUT_PULLUP | MODE_SELECT | MUX_MODE1) /* gpmc_a22.mmc2_dat7 */
		>;
	};
	/* Corresponds to MMC2_HS200_MANUAL1 in datamanual */
	mmc2_iodelay_hs200_conf: mmc2_iodelay_hs200_conf {
		pinctrl-single,pins = <
			0x190 (A_DELAY(384) | G_DELAY(0))       /* CFG_GPMC_A19_OEN */
			0x194 (A_DELAY(0) | G_DELAY(174))       /* CFG_GPMC_A19_OUT */
			0x1a8 (A_DELAY(410) | G_DELAY(0))       /* CFG_GPMC_A20_OEN */
			0x1ac (A_DELAY(85) | G_DELAY(0))        /* CFG_GPMC_A20_OUT */
			0x1b4 (A_DELAY(468) | G_DELAY(0))       /* CFG_GPMC_A21_OEN */
			0x1b8 (A_DELAY(139) | G_DELAY(0))       /* CFG_GPMC_A21_OUT */
			0x1c0 (A_DELAY(676) | G_DELAY(0))       /* CFG_GPMC_A22_OEN */
			0x1c4 (A_DELAY(69) | G_DELAY(0))        /* CFG_GPMC_A22_OUT */
			0x1d0 (A_DELAY(1062) | G_DELAY(154))	/* CFG_GPMC_A23_OUT */
			0x1d8 (A_DELAY(640) | G_DELAY(0))       /* CFG_GPMC_A24_OEN */
			0x1dc (A_DELAY(0) | G_DELAY(0))         /* CFG_GPMC_A24_OUT */
			0x1e4 (A_DELAY(356) | G_DELAY(0))       /* CFG_GPMC_A25_OEN */
			0x1e8 (A_DELAY(0) | G_DELAY(0))         /* CFG_GPMC_A25_OUT */
			0x1f0 (A_DELAY(579) | G_DELAY(0))       /* CFG_GPMC_A26_OEN */
			0x1f4 (A_DELAY(0) | G_DELAY(0))         /* CFG_GPMC_A26_OUT */
			0x1fc (A_DELAY(435) | G_DELAY(0))       /* CFG_GPMC_A27_OEN */
			0x200 (A_DELAY(36) | G_DELAY(0))        /* CFG_GPMC_A27_OUT */
			0x364 (A_DELAY(759) | G_DELAY(0))       /* CFG_GPMC_CS1_OEN */
			0x368 (A_DELAY(72) | G_DELAY(0))        /* CFG_GPMC_CS1_OUT */
	      >;
	};

Any idea about what is happening?

Thank you very much!

  • Hi,

    Userdata partition to start with is empty (first time boot after flashing userdata.img), as Android boots for the first time, the userdata partition is filled with contents. Userdata is the only r/w partition by default in Android.

    If the eMMC part is 5.1, I am not sure why mmcinfo would show the version as 4.0. Are you sure the part you are using is eMMC 5.1?

    When you say no boot what do you mean? the bootloader itself is not coming up from eMMC?

    Regards,
    Vishal

  • Also, is the SYSBOOT setting updated to boot from eMMC?

  • Hi Vishal,

    Thank for your first analisys. Yes SYSBOOT are well configured to boot first from SD Card (no card is connected) and then from eMMC.

    I was placing some traces in order to let you know better what it happens. Kernel tries to boot but get stucked when it is not able to recognize the eMMC partitions (and it is not able because kernel is not able to mount the device). Here you have the mmc0 traces both from custom and EMV boards:

    EVM

    [    2.550066] mmc0: 1.8v !!!
    [    2.771326] mmc0: mmc_rescan_try_freq: trying to init card at 400000 Hz
    [    2.779454] mmc0: mmc_hw_reset_for_init: salida return
    [    2.789362] mmc0: DENTRO mmc_attach_sdio
    [    2.794827] mmc0: DENTRO mmc_attach_sd
    [    2.800120] mmc0: mmc_attach_mmc !!!
    [    2.803748] mmc0: mmc_send_op_cond !!!
    [    2.807510] mmc0: mmc_send_op_cond !!!
    [    2.811288] AQUÍ LLAMAMOS A WAIT_FOR_CMD100
    [    2.815905] ERROR 2
    [    2.817838] mmc0: mmc_attach_bus done !!![    2.821887]
    [    2.821887] mmc_init_card
    [    2.849688] mmc0: mmc_send_op_cond !!!
    [    2.853467] mmc0: mmc_send_op_cond !!!
    [    2.857228] CALL TO WAIT_FOR_CMD iteration:100
    [    2.971520] CALL TO WAIT_FOR_CMD iteration:99
    [    2.976052] mmc_all_send_cid
    [    2.980695] mmc0: Read extended CSD
    [    2.996982] mmc0:NOT_ERR  EXT_CSD  version 2
    [    3.001284] mmc0:NOT_ERR  EXT_CSD  rev 6
    [    3.005224] mmc0: MAN_BKOPS_EN bit is not set
    [    3.009598] mmc0:NOT_ERR  EXT_CSD   eMMC v4.5 or later
    [    3.024177] mmc0: init the card. 0 !!!
    [    3.027770] mmc0: >> mmc_add_card :0001
    [    3.031950] mmc0: new HS200 MMC card at address 0001
    [    3.037391] mmcblk0: mmc0:0001 MMC08G 7.25 GiB
    [    3.037391] mmcblk0: mmc0:0001 MMC08G 7.25 GiB
    [    3.042218] mmcblk0boot0: mmc0:0001 MMC08G partition 1 8.00 MiB
    [    3.058458] mmcblk0boot1: mmc0:0001 MMC08G partition 2 8.00 MiB
    [    3.175593] mmcblk0: p1 p2 p3 p4 p5 p6 p7 p8 p9 p10 p11 p12 p13 p14 p15 p16 p17

    CUSTOM

    [    2.854788] mmc0: 1.8v !!!
    [    3.099249] mmc0: mmc_rescan_try_freq: trying to init card at 400000 Hz
    [    3.120293] mmc0: mmc_hw_reset_for_init: salida return
    [    3.388423] mmc0: DENTRO mmc_attach_sdio
    [    3.389893] mmc0: DENTRO mmc_attach_sd
    [    3.391381] mmc0: mmc_attach_mmc !!!
    [    3.391389] mmc0: mmc_send_op_cond !!!
    [    3.391391] mmc0: mmc_send_op_cond !!!
    [    3.391397] CALL TO WAIT_FOR_CMD
    [    3.391769] ERROR 1, iteration=100 err=-110
    [    3.391772] mmc0: PM mmc_send_op_cond. -110 !!!
    [    3.391779] mmc0: mmc_power_off !!!
    
    Then kernel continues untill it gets stuck in the last line:
    
    [    3.893424] init: bool android::init::FirstStageMount::InitRequiredDevices(): partition(s) not found in /sys, waiting for their uevent(s): system, vendor
    


    CALL TO WAIT_FOR_CMD is a trace placed in *mmc_send_op_cond * (mmc_ops.c). Iteration is the value of i inside the loop.

    ERROR X is located on the same function

    mmc_init_card is a trace placed in the mm_init_card function.

    It seems to us that there is a timming problem (error -110 seems to be that), but why? Where? Could it be related to the fact that version is also not well detected in uboot?

    Best regards.

  • So, u-boot is able to load Kernel from eMMC, but Kernel is not able to initialize eMMC?
    Error code -110 is timeout.

    Can you check if data lines are routed correctly? 

  • Also, check the below e2e link. Pull up resistors are recommended for data lines.
    https://e2e.ti.com/support/processors/f/791/t/839278

  • Hi Vishal,

    Yes, the PU resistor are in the data lines and in the cmd line (please, check the first post of this thread) but not in the clk line. 

    I just measured the CLK line and I see a 400KHz clk, is this ok?

  • We've follow this thread to edit mux_data according to the output of our Pinmux setup:

    Pinmux configuration: MMC2 mode HS200 and all lines with internal PU (as I told you before, PU resistor are in the data lines and in the cmd line)

    Is there any tool to configure iodelay in order to take into account the routing length?

    Regards,

  • Hi,

    IODELAY values are not dependent on routing length. It's based on which speed mode is being used.

    Before going to Kernel, can we look at why u-boot is showing wrong mmc version?

    Regards,
    Vishal

  • Hi Vishal,

    We have just solved the uboot problem. It is due to the fact that u-boot was not ready to detect eMMC memories newer than 5.0. We have patched (the lines starting + were added by us):

    drivers/mmc/mmc.c

    switch (ext_csd[EXT_CSD_REV]) {
    		case 1:
    			mmc->version = MMC_VERSION_4_1;
    			break;
    		case 2:
    			mmc->version = MMC_VERSION_4_2;
    			break;
    		case 3:
    			mmc->version = MMC_VERSION_4_3;
    			break;
    		case 5:
    			mmc->version = MMC_VERSION_4_41;
    			break;
    		case 6:
    			mmc->version = MMC_VERSION_4_5;
    			break;
    		case 7:
    			mmc->version = MMC_VERSION_5_0;
    			break;
    +		case 8:
    +			mmc->version = MMC_VERSION_5_1;
    +			break;
    +		default:
    +			mmc->version = MMC_VERSION_NEWER;
    +			break;
    		}
    

    And include/mmc.h

         #define MMC_VERSION_UNKNOWN	MAKE_MMC_VERSION(0, 0, 0)
         #define MMC_VERSION_1_2		MAKE_MMC_VERSION(1, 2, 0)
         #define MMC_VERSION_1_4		MAKE_MMC_VERSION(1, 4, 0)
         #define MMC_VERSION_2_2		MAKE_MMC_VERSION(2, 2, 0)
         #define MMC_VERSION_3		MAKE_MMC_VERSION(3, 0, 0)
         #define MMC_VERSION_4		MAKE_MMC_VERSION(4, 0, 0)
         #define MMC_VERSION_4_1		MAKE_MMC_VERSION(4, 1, 0)
         #define MMC_VERSION_4_2		MAKE_MMC_VERSION(4, 2, 0)
         #define MMC_VERSION_4_3		MAKE_MMC_VERSION(4, 3, 0)
         #define MMC_VERSION_4_41     	MAKE_MMC_VERSION(4, 4, 1)
         #define MMC_VERSION_4_5		MAKE_MMC_VERSION(4, 5, 0)
         #define MMC_VERSION_5_0		MAKE_MMC_VERSION(5, 0, 0)
    +    #define MMC_VERSION_5_1		MAKE_MMC_VERSION(5, 1, 0)
    +    #define MMC_VERSION_NEWER	        MAKE_MMC_VERSION(X, X, 0)

    With this code, we get a right mmcinfo answer:

    Device: OMAP SD/MMC
    Manufacturer ID: 13
    OEM: 14e
    Name: S0J35
    Tran Speed: 200000000
    Rd Block Len: 512
    MMC version 4.5
    High Capacity: Yes
    Capacity: 7.3 GiB
    Bus Width: 8-bit
    Erase Group Size: 512 KiB
    HC WP Group Size: 8 MiB
    User Capacity: 7.3 GiB WRREL
    Boot Capacity: 31.5 MiB ENH
    RPMB Capacity: 4 MiB ENH
    

  • Sorry for the SPAM the capture of "MMC version 4.5" it was another capture. This is the good one:

    Device: OMAP SD/MMC
    Manufacturer ID: 13
    OEM: 14e
    Name: S0J35
    Tran Speed: 200000000
    Rd Block Len: 512
    MMC version 5.1
    High Capacity: Yes
    Capacity: 7.3 GiB
    Bus Width: 8-bit
    Erase Group Size: 512 KiB
    HC WP Group Size: 8 MiB
    User Capacity: 7.3 GiB WRREL
    Boot Capacity: 31.5 MiB ENH
    RPMB Capacity: 4 MiB ENH
    

  • What TI SDK version are you using? our code base has covered for up to version 5.0.

    Could you generate Kernel logs with MMC_DEBUG enabled in Kernel defconfig? you may also have to change loglevel to 9 in Kernel (append loglevel=9 in kernel bootargs)

  • We are using SDK 3.02. I will add the traces support and send them to you.

  • We have added some traces to the kernel and we have arrive to the -110 error sorce. It comes from "mmc_wait_for_req_done" function in mmc/core/core.c

    It gets this error from the "wait_for_completion" call. There is no delay between we call the function and we get the error as response. We tried to use "wait_for_completion_timeout" with a timeout of 5000ms (wait_for_completion_timeout(&mrq->completion, msecs_to_jiffies(5000));) but also we get the same error.

    But the more strange thing it is that this error does not occur when you call "mmc_go_idle" funcion (when you send command 0). With this command you get no error, but with any other, you get -110

  • The MMC_DEBUG logs would provide information on what CMD were sent to emmc card and which CMD resulted in timeout error (-110).

    Another thing to check in dts is the mmc supply parameters.
    - vmmc-supply property should be set to Vdd voltage supply of the card
    - vmmc_aux-supply property should be set to Vio voltage supply for I/O lines


  • Hi Vishal,

    We have tried to update the dts changes you suggested (althouth it is not done that way for the EVM), and we get the same result.

    The CMD that are been sending are: 0x00, 0x05, 0x08, 0x05, 0x55, 0x55, 0x55 0x55. All of them but 0x00 returns -110 (timeout error). And 0x00 seems not to give timeout error because it is called with MMC_RSP_NONE flag option...

    We have painted the ios structure values, and all of them are similar but for "ios.vdd" that is 15 for the EVM and 7 for ours.

    Best regards.

  • Hi, is there any script to read eMMC with XDS probe? I'm talking about something like this: http://git.ti.com/sitara-dss-files/am57xx-dss-files/blobs/raw/master/am57xx-ddr.dss

    Regards,

  • Hi Roxu,

    Vdd value 0x15 implies 3.3 V,  I think 0x7 is for 1.65 to 1.95 volts.

    Regards,
    Vishal

  • Could you share the full Kernel log which has CONFIG_MMC enabled?

  • Dear Vishal,

    We followed your recomendations regarding the DTS files definitions, but still did not work. But we realized that maybe the regulators hadn't been well detected. And following this clue we found the root cause.

    We have defined the main input power line of the board "vsys_vbat", from where all the other rails hang, as to be controlled by driver "regulator-fixed". Then we defined the input voltage margins "regulator-min-microvolt=12000000" and "regulator-max-microvolt=30000000". And this does not work fine... The kernel was not detecting a good power chain and was not able to make the emmc work.

    We change both parameters to "regulator-min-microvolt=24000000" and "regulator-max-microvolt=24000000", and now it works fine. The regulators are detected an also it is able to boot form emmc.

    Thank you very much for your kind support.

    Best regards.

  • Thanks for the update. Glad it's resolved.