This thread has been locked.

If you have a related question, please click the "Ask a related question" button in the top right corner. The newly created question will be automatically linked to this question.

AM4372: AM4372 no booting

Part Number: AM4372

Hi TI!

I have a custom design with AM4372,
My design has a RAM, UART0 for debug, and SD slot.
I am trying boot from the SD, but nothing happen in the UART0.

1-) How I can detect if my problem is SYS_BOOT pins (pulled up or pulled down with 100k), RAM, software or other thing?

My design is new of the factory, only I did test the voltage power supply and they are ok. Then,

2-) Theoretically, only with insert the SD and power on the PCB, is enough for all must run fine?

Thank you very much!

Best regards

  • Hello Alberto, 

    What is the baseline SW you’re testing with on your board?

    Is it based on TI Linux SDK or RTOS SDK?

    For your reference, there’s a landing page on TI AM437x SW SDK package, where you’ll find download links for TI Linux SDK, RTOS SDK, plus useful collaterals on SoC, SW, HW…

    TI AM437X SDK

    Linux SDK user board porting guide 

    Best,

    -Hong

  • Sr. Thank you very much for your answer, it is of great help for our company; In this moment we have a production retained because of this problem.

    We have based our design in am437x_starterkit_evm_3k0009.dsn, and we are using AM4372

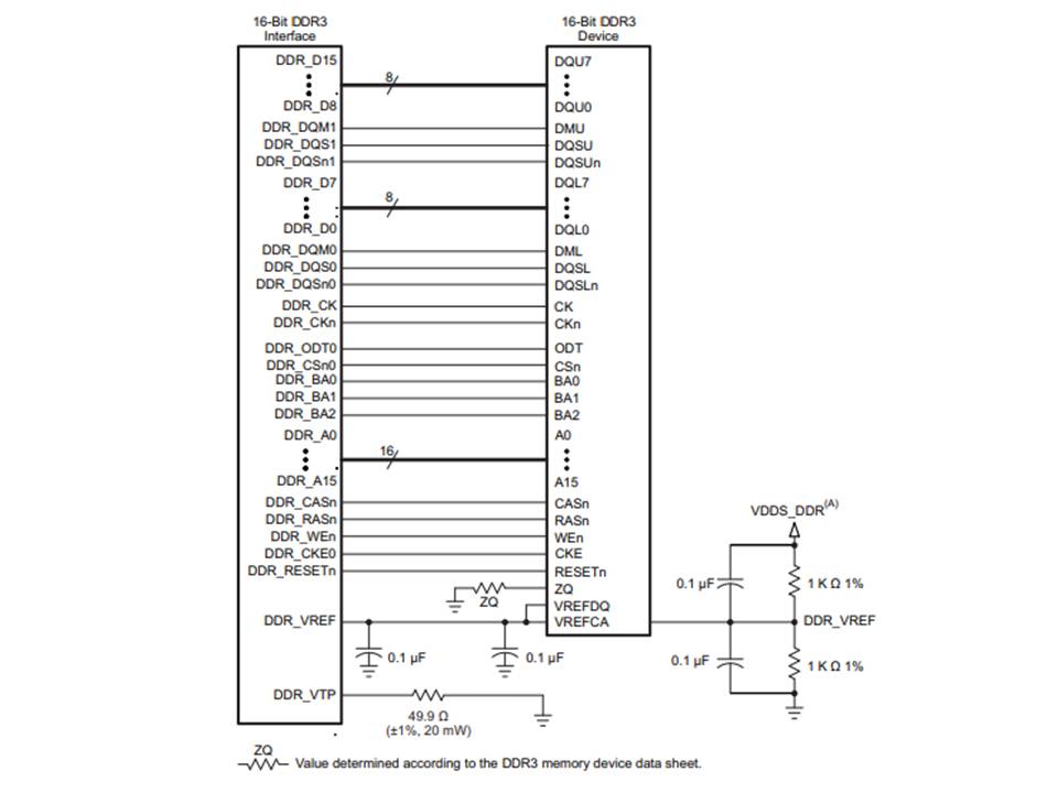
    We have a difference respect to am437x_starterkit_evm_3k0009.dsn in RAM, attached general image of our RAM connection:

    We have the following problem: the system does not boot and we need to determine if it is because of the hardware.

    According to my understanding to achieve the operative system works it is required that AM4372, RAM and microSD they all work correctly.

    I need to determine if interaction between they is ok or not; How can I do it? What must I test?

    Our SYSBOOT pin setting is: SYSBOOT[18...0] = 0000100000000001100.

    Another difference in my custom design is that I haven't the 1Mohm resitor in parallel with the 24Mhz crystal. This can be it the reason of my problem?

    Can I send you a message in private with our design for your evaluation?

    Is it possible that the problem is about software? How can I determine it?

    I am the hardware engineer and we have other engineer who works in the baseline SW. I am assuming that the problem is in hardware because I think that the problem in hardware is more probable than the problem in software.


    Anyway I will ask our software engineer about the baseline SW and I will reply you.

    Sincerely, Thank you very much. Best regards

  • Hi Alberto,

    There're good reference available for AM437x schematic checklist… plus further links from there on DDR, PMIC, High speed layout…

    http://processors.wiki.ti.com/index.php/AM437x_Schematic_Checklist

    We'll still need to understand the baseline SW you’re testing with on your board in order for us to help.

    Best,

    -Hong

  • Hi Hong Guan64!

    Our SW engineer in tell me that the we are testing  a Linux, same SW works fine on EVM.

    It is possible that I send you in private our shematic? Maybe with a simple checking there are an evident problem for you?

    Thank you very much. Best regards.

  • Hi Alberto,

    Unless the HW design is exactly the same as TI reference EVM, then most likely it is necessary to porting SW, where a general board porting guideline was posted early.

    Also using JTAG debugger for initial board bring-up approves to be very useful. Another option is to enable "early UART print in SPL",  where how-to steps are outlined in the same board porting guide.

    Regarding customer schematic review, you would need to request it through your local TI team.

    Best,

    -Hong

  • Hi Hong!

    Our software engineer are porting the SW and our design are answering! We haven't finish with the SW, but we has a great advance! And your support was a very important help! Sincerely thank yuo very much!!!

    A happy day for you!
    Best Regards!