This thread has been locked.

If you have a related question, please click the "Ask a related question" button in the top right corner. The newly created question will be automatically linked to this question.

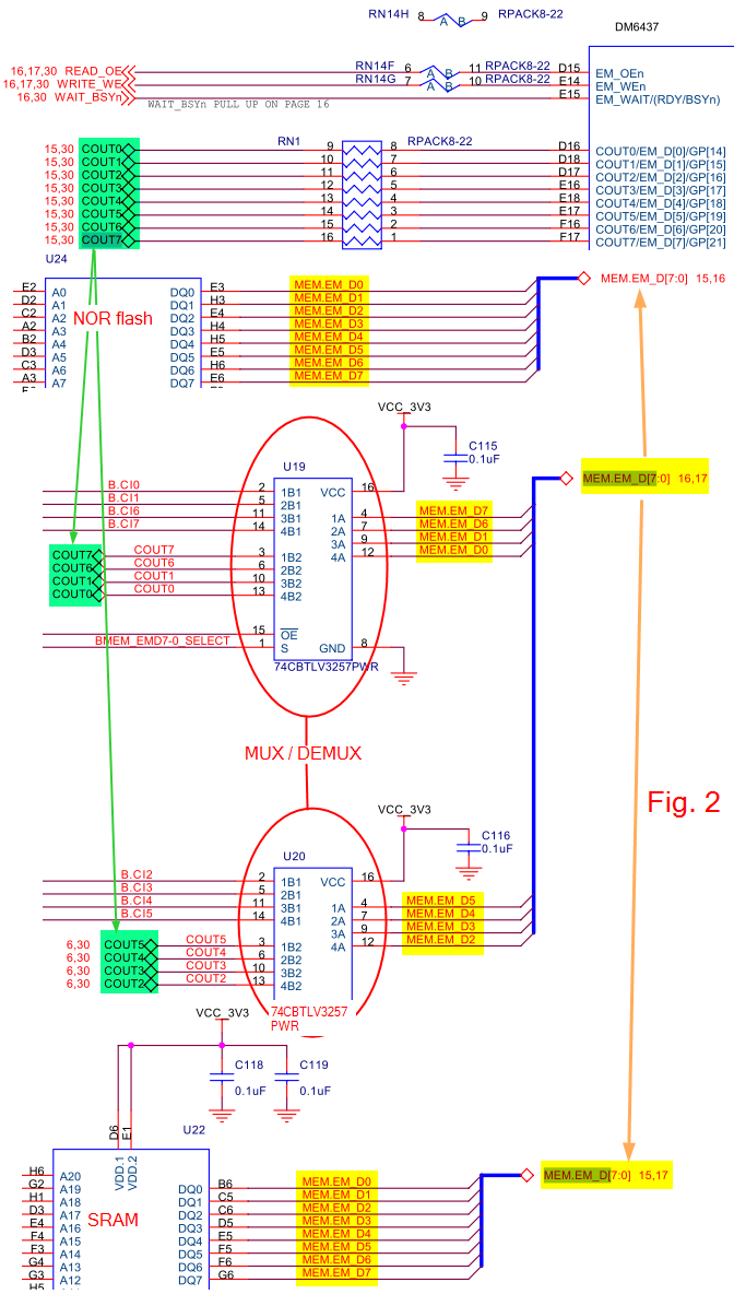
Impedance match resistor and mux

Anonymous
Anonymous

Hi All,

 

I would like to ask some questions on impedance matching.

 

 

 

 

In this attached Fig. 2, data lines coming out from DM6437 (these pins are multiplexed with COUTxx pins so the net is labeled as COUTxx) are first connected to Mux/Demux before connecting with memory devices (NOR flash and SRAM). There are termination resistors of 22 Ohm at the DSP pins to matching with the impedance of tracks.

 

But does the impedance matching take the intermediate Mux/Demux into account? The formula for impedance-matching resistor value is:

Rdriver + Rresistor = Zo

So what is the role of these Mux/Demux here? The schematics is from EVM6437 by Spectrum Digital so I believe the matching is good, but if I am removing these intermediate mux/demux, do I need to change the value of those impedance-matching resistors?

 

 

 

 

Thanks,

Zheng