This thread has been locked.

If you have a related question, please click the "Ask a related question" button in the top right corner. The newly created question will be automatically linked to this question.

BOOSTXL-CC2650MA: Slave Initiated (SRDY) communication timing values when interfaced to MSP430F5529

Part Number: BOOSTXL-CC2650MA
Other Parts Discussed in Thread: MSP430F5529, , CC2650

Hope everyone had a good holiday. Happy New Year to the e2e support team.

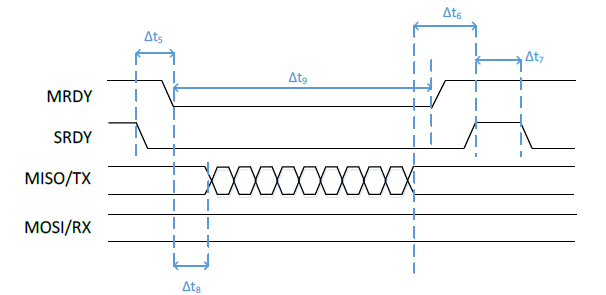
I am working on integrating MSP430F5529 to BOOSTXL-CC2650MA, using NPI protocol. I am using the UART option. I am unable to consistently receive data from the CC2650. Can some one point to where I can access the signal timing values (ts, t9, t8, t7, t6)as described by image below. 

I have confirm function of the UART  via Tera Term.  I also have confirmed that both MRDY and SRDY pulled low to enable communication. If needed I can provide scoop traces. MSP430F5529 is host, and I am using stock software on BOOSTXL-CC2650MA.

I am trying to receive the following response from the CC2650.

When I step through the code I receive the following (correct response) data from the UART Port. 

  

Here is a snap shot of data from UART port using Realterm

Related question: MSP430F5529: Inconsistent UART data between host controller and CC2650 BLE (NPI Protocol)