This thread has been locked.

If you have a related question, please click the "Ask a related question" button in the top right corner. The newly created question will be automatically linked to this question.

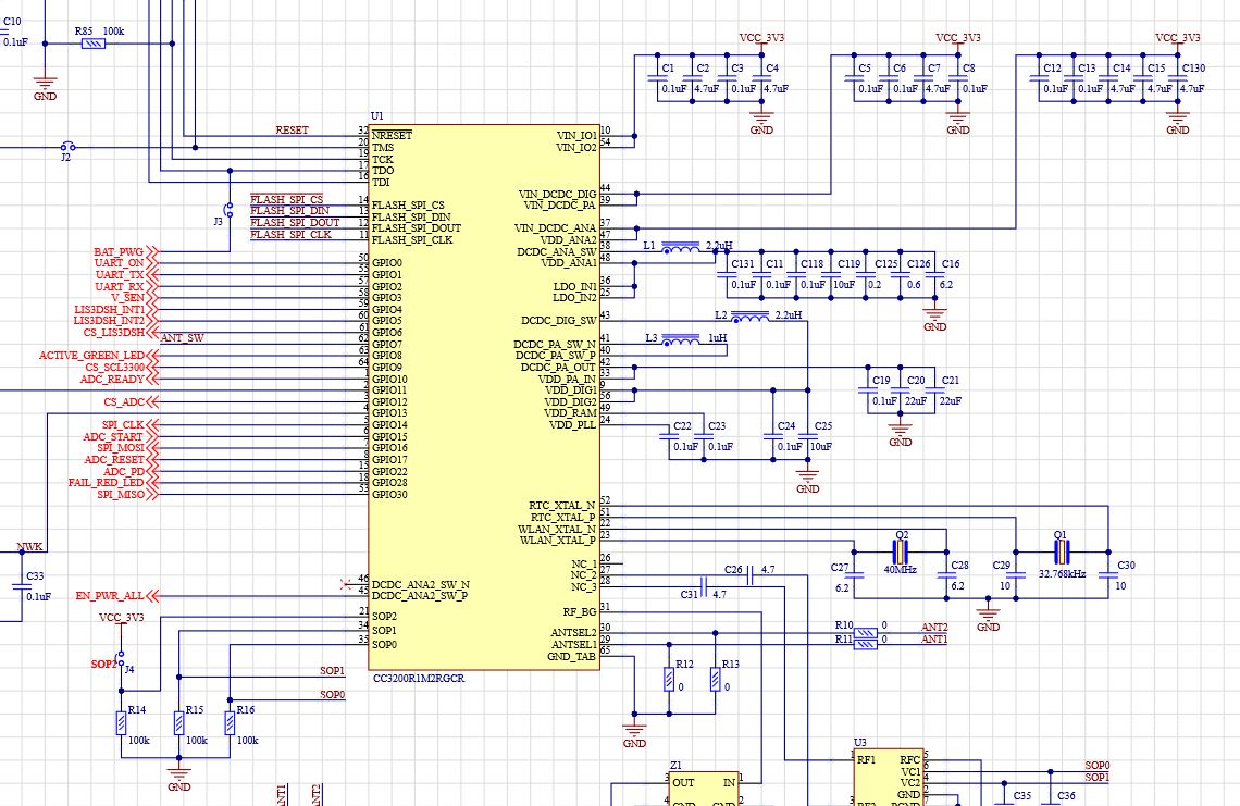
CC3200: CC3200

Part Number: CC3200

hello

1. I checked the crystal generation - everything is fine

2. I checked the Vcc dropouts - they do not exceed 25mV

3. For testing i didnt use RF path/output. I did connecting 1/4 wave antenna directli to pin31(RF_BG).    Other components didnt connect to this pin

4. Inductors and capacitors are as close as possible to the IC CC3200. All components has correct value.

5. Pings with small(32B) and big(4096B) packege lenght is stabile(25...150ms)

Why we can have sometimes i face many 110 error of disconnection and -102 general event?

What other HW problems can cause these errors ?

thanks in advance for your support