自動車システムは、広い温度範囲、入力の超高過渡電圧やその他のなどの干渉にも耐えられるように設計されています。クルマの中のほとんど全ての電子回路は厳しくテストされ、高品質システムの基準を満たし、AEC(Automotive Electronics Council)で規定された部品の品質基準を満たす必要があります。ほとんどのクルマは12Vの鉛蓄電池を電源にしていて、バッテリ電圧は周囲温度や負荷条件、駆動年数など想定されるあらゆる条件によって変動します。

通常の動作状態では、電圧は9V~16Vの範囲で変動しますが、ある動作条件ではこの電圧はさらに変動します。内燃エンジンに点火するとき、この12Vの鉛酸蓄電池は、十分なエネルギーを与え、始動モータを回転させ、短い時間で十分な電流を供給するため、バッテリ電圧は急速に低下します。極端に低い温度では、バッテリ電圧はさらに低下し、この現象は、コールド・クランクと呼ばれています。典型的なテスト電圧波形を図1に示しますが、この時の電圧は3Vまで落ちます。

1: カーバッテリにおけるコールド・クランク電圧プロファイル

12Vの鉛酸蓄電池から電源を直接取る12Vカーオーディオ・システムを設計するとしましょう。オーディオ・システムの電源をどのようにして一定の入力電圧に保てるでしょうか。先述の通り、バッテリ電圧は3Vから16Vまで変化します。降圧コンバータはこれでうまく動作するでしょうか?いいえ、バッテリ電圧が12V以下に下がると、オーディオ・システムの入力電圧は下がり、節電状態になるでしょう。昇圧コンバータを使用するとどうでしょう?これも、逆にバッテリ電圧が12Vより高くなると、オーディオ・システムへの入力電圧が上がり、電子回路にダメージを与えるほどの過電圧状態になる可能性があります。本当に必要となるのは降圧・昇圧コンバータなのです。その名の通り、この回路トポロジは、入力電圧に関係なく、降圧か、昇圧かいずれかの安定した出力電圧を実現します。さらに重要なことは、電圧スイングにかかわらず、一定した電力を供給できることです。図2に、昇圧回路と降圧回路をカスケード接続した簡単な回路構成を示します。

2:降圧・昇圧回路をカスケード接続したコンバータ

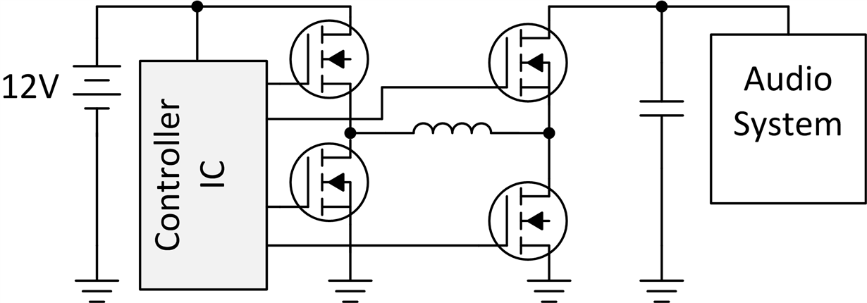
降圧・昇圧回路トポロジには、いくつものバリエーションと簡略化方法があり、図2に示す回路よりも一層優れたメリットを持つものもあります。例えば、この2つのコンバータを簡素化して一つのコイルを共有して、ボード面積を小さくすることができます(図3A)。効率を上げたいのなら、フリーホイール・ダイオードを取り除き、その代わりにMOSFETを加えて導通損失を減らすことができます。これが4スイッチの降圧・昇圧回路です(図3B)。それでもボード面積が心配ならば、4つのスイッチ・コンバータを取り除きます。MOSFETをコントローラICの中に集積すると(図3C)、貴重なPCB面積を節約できます。

3A2スイッチ構成の降圧・昇圧コンバータ

 

3B: 4スイッチ構成の降圧・昇圧コンバータ

 

3C MOSFETを集積した降圧・昇圧コンバータ

降圧・昇圧コンバータのバリエーションについての詳細は、新しいTIの Power Management Lab Kitの降圧・昇圧回路ボードと実験ノートを検証ください。この新しい学習キットから、降圧・昇圧回路構成がどのようにして動作し、設計に関連する問題が起きるかを学ぶことができます。この評価ボードでは、TIの 『LM 5118』コントローラICを使っており、この学習キットには、実践学習用の実験ノートも付いています。TI-PMLK降圧・昇圧回路実験を習得したら、4スイッチの『LM 5175』とMOSFETを集積した 『TPS 63060』のようなTIの他の降圧・昇圧電源ソリューションも検証してみてください。

<参考情報>
TI Power Management Lab Kitについて       
WEBENCH Power Designerツールについて
・アプリケーション・ジャーナル(英語):
Designing the front-end DC/DC conversion stage to withstand automotive transients


※その他すべての商標はそれぞれの所有者に帰属します。
※上記の記事はこちらのBlog記事(2017年3月28日)より翻訳転載されました。

*ご質問は E2E 日本語コミュニティにお願い致します。