出力の安定性はどのような電源設計においてもカギとなります。リニア・レギュレータ(たいてい3ピン)を単純化して考えてみると、この大事なことをつい忘れてしまいます。出力を安定化するための技術は数多くありますが、最も簡単でかつ費用対効果が高い解決策は、出力コンデンサにESR(等価直列抵抗)を加えたり利用したりすることです。
デモンストレーション用途として、5V出力のLDO(低ドロップアウト)電圧レギュレータ『LM1084』を使ってみます。『LM1084』は、負荷に5Aの電流を供給でき、これは大電流スパイクが流れる可能性がある場合に有用です。これは、パス・トランジスタがPNPトランジスタで駆動された単一のNPNトランジスタであることを意味し、準LDOともいえます(図1)。その内部構造ゆえに、準LDOは通常、出力安定化のために出力コンデンサにおいてある程度の大きさのESRが必要になります。
図1:内部回路図を簡略化した準LDO
一般に、タンタルおよび電解コンデンサのESRは安定性の供給には十分ですが、設計の上ではスペースの制約があるため、サイズが小さいセラミック・コンデンサの方が好まれます。セラミック・コンデンサは、実質的にESRが小さすぎるため、直列抵抗を外部に接続することで不安定性を和らげます。このブログでは、『LM1084』を使って、出力における最適なESR値を推定し、その有効性をテストする方法を示します。
安定性をテストする方法
安定性をテストする従来の方法の一つは、周波数応答のネットワーク・アナライザを使うことです。これは、フィードバック・ループの中に小さな正弦波信号を流して、周波数全体のゲインと位相応答を測定します。この方法ではフィードバック・ループを分断しなければならないので、IC(集積回路)の中に作られているフィードバック・ループを持つ固定出力のレギュレータをテストできません。これでは設定が面倒な上に、余分な実験装置を必要とし、適切な予防措置を取らない場合、エラーを発生する可能性もあります。
簡単なのは、負荷の過渡応答をテストし、出力でのリンギングを観測する方法です。図2では、5Vレギュレータの出力で50mA~1Aの過渡電流を負荷に流すように設定した例です。ファンクション・ジェネレータはNチャネルFETのゲートに方形波を与えます。NチャネルFETを駆動すると、負荷抵抗全体は実効的に5Ωになります。NチャネルFETを駆動しない時は、負荷抵抗は100Ωなので、最小の負荷要求を満たすのに十分な抵抗です。
図2:負荷過渡応答のテストを設定
出力のリンギングを観測
負荷過渡時の出力におけるリンギングはレギュレータが安定しているかどうかを判断するのに役立ちます。図3はセラミック出力コンデンサで、外部にESR抵抗を加えていない『LM1084』の回路図です。図4は負荷過渡応答を示しています。図4には、非常に大きなリンギング波形が見られるので、出力コンデンサにある程度のESRを加えてリンギングを抑えることができます。しかしESRをどれだけ追加すればよいのでしょうか?
図3:『LM1084』回路図 -ESRなし-
図4:負荷過渡応答 -ESRなし-
ESR値の計算
適切なESR値は式(1)で求められます。
この式(1)は、出力のリンギングや発振、周波数をゼロにする最小のESR値を表しています。負荷過渡テストの間、出力のリンギング周波数から、その周波数の近くに0dBとなる交点があるというヒントが得られます。それゆえに出力応答を抑えるために位相ブーストを少しかけます。その周波数でゼロとするために、必要な位相ブーストを与えるのです。図3と4の例を使って計算してみます。
図4の発振周波数は約50kHzであり、出力のセラミック・コンデンサは22µFです。この数字を式(1)に代入すると、最小のESR値が145mΩとなります。
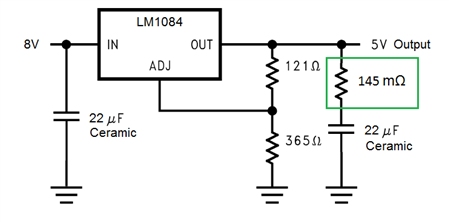
負荷過渡時の出力反応に145mΩのESRを加えた効果を見てみましょう。図5にESRを加えた回路図を、図6にその負荷過渡応答を示します。リンギングは除去できましたが、ESRを加えたために実効的な出力コンデンサが減少するという副作用が見られ、コンデンサの抵抗成分が少し増えました。初期出力の低下が大きいことを意味します。
図5:『LM1084』回路図 — ESR有-
図6:負荷過渡応答 — ESR有-
まとめると、セラミック・コンデンサを使う設計では特に有用である外部抵抗を加えることにより、リニア・レギュレータに発生した出力リンギングを抑えることができます。計算が簡単で、安定性の検証と試験をするための装置も最低限で済みます。
追加資料:
- 高いESR値のコンデンサの必要性、それを選ぶ方法、レギュレータの安定性/不安定性を判断する方法についてはアプリケーション・ノート「ESR、安定性と LDOレギュレータ」(英語)をご参照ください。
- アプリケーション・ノート「リニア・レギュレータ:操作と補償の理論」(英語)はこちらよりダウンロードいただけます。
上記の記事は下記 URL より翻訳転載されました。
*ご質問は E2E 日本語コミュニティにお願い致します。







