In My Application
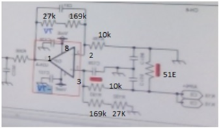
LMC6482 as a DIfferential amplifier for analog current sensing application, I have received a failure such that opamp 6482 IC, its series resistor 10K got failed along with shunt resistor also open.
Shunt open is due to excessive current, it is clear but I am interetsed to know the reason why series 10K resistor, OP AMP IC failed like its output is always + Vcc range.
Kindly suggest us probable reasons, how can I simulate same case at my in house lab
